¸½¼þ£º¸£½¨Ê¡½¨ÉèÏîÄ¿ÇéÐÎÓ°Ï챨¸æ±í
|
ÏîÄ¿Ãû³Æ£º |
ÐãÓìÃÅÕ¾¼°óËʯ¡¢Ê¯ÃŰġ¢Áé´¨ÇøÓò¡¢±±°¶¼°ÅäÌ׸ßÖÐѹµ÷ѹվµÈÈ¼Æø¹¤³Ì |
|
½¨É赥루¸ÇÕ£©£º |
Z6×ðÁú¿Ê± |
|
|
Íõ×ÓÁÖ |
|
£¨¸ÇÕ»òÇ©×Ö£© |
|
|
ÁªÏµÈË£º |
ʩΰ½ |
|
ÁªÏµµç»°£º |
0594-2677010 |
|
ÓÊÕþ±àÂ룺 |
351152 |
»·±£²¿·ÖÌîд ÊÕµ½±¨¸æ±íÈÕÆÚ ±àºÅ

¸½Í¼2 ÏîÄ¿ÖܱßÇéÐÎʾÒâͼ



¸½Í¼4 ÐãÓìÃÅÕ¾×ÜÆ½Ãæ½á¹¹Í¼

¸½Í¼5 ÐãÓì¸ßÖÐѹµ÷ѹվ¹¤ÒչܵÀ¼°ÒDZíÁ÷³Ìͼ

¸½Í¼6 ÐãÓìÃÅÕ¾¹¤ÒչܵÀ¼°ÒDZíÁ÷³Ìͼ

¸½Í¼7 ÆÎÌïÊÐ×ÔÈ»ÆøÕ¾³¡ºÍ¸ßѹ¹ÜµÀÍýÏëͼ

¸½Í¼8 ÆÎÌïÊÐ×ÔÈ»ÆøÖÐѹ¹ÜÍøÍýÏëͼ

¸½Í¼9 óËʯ·ÖÇø×ÔÈ»ÆøÖÐѹ¹ÜÍøÍýÏëͼ£¨²¿·Öµ£ÍøÒѽ¨£©

¸½Í¼10 ÖÒÃÅ·ÖÇø×ÔÈ»ÆøÖÐѹ¹ÜÍøÍýÏëͼ

¸½Í¼11 Âè׿³ÇÆ¬Çø×ÔÈ»ÆøÖÐѹ¹ÜÍøÍýÏëͼ


×¢£º1¡¢ÅÅ·ÅÔö¼õÁ¿£º(+)ÌåÏÖÔöÌí£¬(-)ÌåÏÖïÔÌ
2¡¢(12)£ºÖ¸¸ÃÏîÄ¿ËùÔÚÇøÓòͨ¹ý¡°ÇøÓòƽºâ¡±×¨Îª±¾¹¤³ÌÌæ»»Ï÷¼õµÄÁ¿
3¡¢(9)=(7)-(8)£¬(15)=(9)-(11)-(12)£¬(13)=(3)-(11)+(9)
4¡¢¼ÆÁ¿µ¥Î»£º·ÏË®ÅÅ·ÅÁ¿¡ª¡ªÍò¶Ö/Äꣻ·ÏÆøÅÅ·ÅÁ¿¡ª¡ªÍò±êÁ¢·½Ã×/Äꣻ¹¤Òµ¹ÌÌå·ÏÎïÅÅ·ÅÁ¿¡ª¡ªÍò¶Ö/ÄꣻˮÎÛȾÎïÅÅ·ÅŨ¶È¡ª¡ªºÁ¿Ë/Éý£»´óÆøÎÛȾÎïÅÅ·ÅŨ¶È¡ª¡ªºÁ¿Ë/Á¢·½Ã×£»Ë®ÎÛȾÎïÅÅ·ÅÁ¿¡ª¡ª¶Ö/Äꣻ´óÆøÎÛȾÎïÅÅ·ÅÁ¿¡ª¡ª¶Ö/Äê

Ò»¡¢ÏîÄ¿»ù±¾ÇéÐÎ
1.1 ÏîÄ¿»ù±¾ÇéÐαí
|
ÏîÄ¿Ãû³Æ |
ÐãÓìÃÅÕ¾¼°óËʯ¡¢Ê¯ÃŰġ¢Áé´¨ÇøÓò¡¢±±°¶¼°ÅäÌ׸ßÖÐѹµ÷ѹվµÈÈ¼Æø¹¤³Ì | ||
|
½¨É赥λ |
Z6×ðÁú¿Ê± | ||
|
·¨ÈË´ú±í |
Íõ×ÓÁÖ |
ÁªÏµÈË |
ʩΰ½ |
|
ÁªÏµµç»° |
0594-2677010 |
Óʱà |
351100 |
|
½¨ÉèµØµã |
ÆÎÌïÊÐÐãÓìÇø¡¢³ÇÏáÇø¡¢ÏÉÓÎÏØ¡¢±±°¶¾¼Ã¿ª·¢Çø | ||
|
½¨ÉèÒÀ¾Ý |
|
Ö÷¹Ü²¿·Ö |
|
|
½¨ÉèÐÔ×Ó |
н¨ |
ÐÐÒµ´úÂë |
D4500 È¼ÆøÉú²ú¼°¹©Ó¦Òµ |
|
½¨ÉèÄÚÈÝ |
ÐãÓìÃÅÕ¾¼°óËʯ¡¢Ê¯ÃŰġ¢Áé´¨ÇøÓò¡¢±±°¶¼°ÅäÌ׸ßÖÐѹµ÷ѹվµÈÈ¼Æø¹¤³Ì£¨ÐãÓìÃÅÕ¾ÓëÐãÓì¸ßÖÐѹµ÷ѹվºÏ½¨£© |
×ܹæÄ£ |
ÐãÓìÃÅÕ¾£¨ÓëÐãÓì¸ßÖÐѹµ÷ѹվºÏ½¨£©Õ¼µØ6668.13m2£¬2017ÄêÊ䯸ÄÜÁ¦µÖ´ï35000Íòm3/Ä꣬2030ÄêÊ䯸ÄÜÁ¦´ï59908Íòm3/Äꣻ óËʯ¡¢Ê¯ÃŰġ¢Áé´¨ÇøÓò¡¢±±°¶¼°ÅäÌ׸ßÖÐѹµ÷ѹվµÈÈ¼Æø¹¤³Ì£º¸ßÑ¹È¼Æø¹ÜÍø46.5km£¬ ÖÐÑ¹È¼Æø¹ÜÍø455.5km¡£ |
|
×Ü Í¶ ×Ê |
19853.56ÍòÔª |
»·±£Í¶×Ê |
135.2ÍòÔª |
Ö÷ Òª ÄÜ Ô´ ¼° Ë® ×Ê Ô´ Ïû ºÄ
|
Ãû ³Æ |
ÏÖ×´ÄêÓÃÁ¿ |
ÄêÔöÓÃÁ¿ |
Äê×ÜÓÃÁ¿ |
|
Ë®(t/a) |
/ |
928.59 |
928.59 |
|
µç£¨kWh/a£© |
/ |
28.14¡Á104 |
28.14¡Á104 |
|
ȼú£¨t/a£© |
|
|
|
|
ȼÓÍ£¨t/a£© |
|
|
|
|
È¼Æø£¨Íòm3/a£© |
|
|
|
|
Æä Ëü |
|
|
|
1.2ÏîÄ¿ÓÉÀ´
ÏÖÔÚ£¬ÆÎÌïÊо³ÄÚ×ÔÈ»×ÊÔ´³ý·çÄÜ¡¢Ë®ÄÜ×ÊÔ´Í⣬¼ÈÎÞú̿×ÊÔ´£¬ÓÖÎÞʯÓÍ×ÊÔ´£¬ÄÜÔ´×ÊÔ´Ï൱ØÑ·¦¡£µ«ÔÚÆÎÌïÊÐί¡¢ÊÐÕþ¸®¸ß¶ÈÖØÊÓºÍ׼ȷÏòµ¼Ï£¬ÆÎÌïÊС°Ê®¶þÎ塱ʱ´ú³ä·ÖÑéÕ¹½ÏÁ¿ÓÅÊÆ£¬ÔöÇ¿ÁËÄÜÔ´»ù´¡ÉèÊ©½¨É裬ºÏÀí¿ª·¢Ê¹Ó÷çÄÜ¡¢Ë®ÄܵÈÄÜÔ´×ÊÔ´£¬Æð¾¢¿ªÍغ£ÄÚÍâ×ÔÈ»ÆøµÈÐÂÄÜÔ´¹©Ó¦ÇþµÀ£¬ÓÐÁ¦µØÍƽøÄÜÔ´¹¤ÒµÉú³¤£¬Îª¹úÃñ¾¼ÃºÍÉç»áÉú³¤ÌṩÄÜÔ´°ü¹Ü¡£2014ÄêÆÎÌïÊб»¹ú¼ÒÁÐΪÐÂÄÜԴʹÓÃÊ÷Ä£¶¼»á¡£
ƾ֤¡¶ÆÎÌïÊж¼»á×ÜÌåÍýÏë¡·£¨2008-2030£©¡¢¡¶ÆÎÌïÊÐÈ¼Æø×¨ÏîÍýÏ루2010-2030Ä꣩¡·¡¢¡¶ÆÎÌïÊС°Ê®¶þÎ塱ÄÜÔ´¹¤ÒµÉú³¤×¨ÏîÍýÏë¡·µÈÆÎÌïÊÐÉú³¤ÍýÏë˼Ð÷ºÍÉú³¤Çå½àÄÜÔ´¡¢Éç»á¾¼Ã¿ÉÒ»Á¬Éú³¤µÄÒªÇ󣬯ÎÌïÊÐÒýÈëÁËÖк£ÓÍLNGÊ䯸¹¤³ÌºÍÖÐʯÓÍÎ÷Æø¶«ÊäÈýÏ߸£½¨¶Î¸ÉÏßÊ䯸¹¤³Ì£¬ÎªÆÎÌïÊй©Ó¦×ÔÈ»Æø£¬²¢ÍýÏëÁËÆÎÌïÊÐÃñÓá¢ÉÌÒµºÍ¹¤ÒµÊ¹ÓõÄ×ÔÈ»ÆøÊäÅäÕ¾¡¢¸ßÖеÍѹÊ䯸¹ÜÍø£¬Æ¾Ö¤ÆÎÌïÊеÄÏÖÕæÏàÐΣ¬ÍýÏëÉú³¤Èô¸É¹¤ÒµÔ°ÇøÒÔ¼°³ÇÕò»¯½¨Éè¡¢¹¤Òµ½á¹¹µ÷½âÉý¼¶¡¢ÄÜÔ´½á¹¹µ÷½â¡£
×ÔÈ»Æø×÷ΪÇå½à¡¢»·±£ÄÜÔ´£¬ÆäȼÉÕºóµÄÅÅ·ÅÎïÖжþÑõ»¯ÁòºÍ¹ÌÌåÅÅ·ÅÎïÏÕЩΪÁ㣬×èÖ¹ÁË¶Ô´óÆø³ôÑõ²ãµÄÆÆËð£¬Óëȼú¡¢È¼ÓÍÏà±È£¬×ÔÈ»Æø¿ÉÓÐÓÃïÔÌ·ÏÆøÅÅ·ÅÁ¿£¬ÊµÏÖ¼õÅŽÚÄܵÄÄ¿µÄ£¬´Ó¶ø¸ü½øÒ»²½µÄ¼õÇáÁ˶¼»á´óÆøÎÛȾ¡£
ÏÖÔÚ£¬¹ú¼ÊÓͼ۵Ĺý¸ß£¬Òº»¯Ê¯ÓÍÆøºÍÖØÓ͵ļÛǮҲ¾Ó¸ß²»Ï¡£×÷Ϊ¶¯Á¦È¼ÁÏ£¬Òº»¯Ê¯ÓÍÆøºÍÖØÓ͵ÄʹÓñ¾Ç®Òª´ó´ó¸ßÓÚ×ÔÈ»Æø£¬Òò´ËÔÚÐãÓ콨ÉèÃÅÕ¾£¬Îª¿í´óÓû§Ìṩ¾¼ÃµÄ×ÔÈ»Æø£¬½«Îª¸÷¸öÓû§½ÚÔ¼¶¯Á¦ÖÊÁÏÉϵÄÖ§³öÓöȣ¬´Ó¶ø½øÒ»²½Ìá¸ßÁËÆóÒµµÄ¾¼ÃÐ§Òæ¡£
ÐãÓìÃÅվλÓÚÐãÓìÇøÊ¯ÃŰÄLNG¹¤ÒµÔ°£¬Õ¼ÓÐÆäÆæÒìµÄµØÀíÓÅÊÆ£¬ÎüÊÕÀ´×Ô¸£ÖÝÖÁÕÄÖݵÄÊ䯸¸ÉÏߵĸßѹ³¤Êä×ÔÈ»Æø£¬¿ÉΪóËʯ¡¢Ê¯ÃŰġ¢Áé´¨ÇøÓò¡¢±±°¶¼°ÅäÌ׸ßÖÐѹµ÷ѹվµÈÈ¼Æø¹¤³Ì¹©Æø¡£óËÊ¯ÇøÓòÈ¼Æø¹ÜÍøÒѽ¨²¿·Ö½¨ÉèÄêÔ½ÏÔ磬һֱδ¾ÙÐÐÇéÐÎÓ°ÏìÆÀ¼Û£¬Îª¾ÙÐиò¿·ÖÈ¼Æø¹ÜÍøµÄÍ깤ÑéÊÕ£¬ÔÚ±¾´Î»·ÆÀÖÐÔö²¹¸ÃÇøÓòÈ¼Æø¹ÜÍø½¨ÉèÄÚÈÝ¡£Æ¾Ö¤¡¶½¨ÉèÏîÄ¿ÇéÐα£»¤ÖÎÀíÌõÀý¡·¼°¡¶½¨ÉèÏîÄ¿ÇéÐÎÓ°ÏìÆÀ¼Û·ÖÀàÖÎÀíÃû¼¡·ÖйØÓÚ¡°U³ÇÕò»ù´¡ÉèÊ©¼°·¿µØ²ú--141¶¼»á×ÔÈ»Æø¹©Ó¦¹¤³Ì¡±ÏîÄ¿µÄ»·ÆÀÖֱ𻮶¨£¬ÐèÌåÀýÇéÐÎÓ°Ï챨¸æ±í¡£Òò´Ë£¬Z6×ðÁú¿Ê±Î¯ÍнËÕ¾ÃÁ¦ÇéÐ餳ÌÓÐÏÞ¹«Ë¾ÌåÀý¸ÃÏîÄ¿µÄÇéÐÎÓ°Ï챨¸æ±í¡£±¾»·ÆÀµ¥Î»½ÓÊÜίÍкó£¬Á¬Ã¦ÅÉÊÖÒÕְԱ̤¿±ÏÖ³¡ºÍÍøÂçÓйØ×ÊÁÏ£¬²¢×ñÕÕ¡¶ÖлªÈËÃñ¹²ºÍ¹úÇéÐÎÓ°ÏìÆÀ¼Û·¨¡·µÄÏà¹Ø»®¶¨±àд³É±¨¸æ±í£¬¹©½¨É赥뱨»·±£Ö÷¹Ü²¿·ÖÉóÅúºÍ×÷ΪÎÛȾ·ÀÖÎÉèÊ©½¨ÉèµÄÒÀ¾Ý¡£
¶þ¡¢ÍâµØÉç»á¡¢¾¼Ã¡¢ÇéÐμòÊö
2.1µØÀíλÖü°ÖÜΧÇéÐθſö
ÐãÓìÃÅÕ¾¼°óËʯ¡¢Ê¯ÃŰġ¢Áé´¨ÇøÓò¡¢±±°¶¼°ÅäÌ׸ßÖÐѹµ÷ѹվµÈÈ¼Æø¹¤³Ì¿çÔ½ÆÎÌïÐãÓìÇø¡¢³ÇÏáÇø¡¢ÏÉÓÎÏØ¡¢±±°¶¾¼Ã¿ª·¢Çø£¬¹ÜÍøËù¾ÇøÓòÖ÷ҪΪ¶¼»á½¨³ÉÇø¡¢¹¤ÒµÔ°ÇøµÈ¡£ÐãÓìÃÅվλÓÚÆÎÌïÊÐÐãÓìÇøÊ¯ÃŰÄLNG¹¤ÒµÔ°£¬ÃÅÕ¾ÓõغìÏßÄϲà27m´¦ÎªÖÐÑë´¢±¸Á¸ÆÎÌïÖ±Êô¿â£¬Î÷²àÁÚ½üLNGÎüÊÕÕ¾½ø¸Ûõè¾¶£¬±±²àÁÚ½üÇßá½Â·£¨×ÝÒ»Ïߣ©£¬¶«²àÁÚ½ü´ý½¨ÉèÓõأ¨ÏÖ״ΪåÐÒ££©¡£±¾ÏîÄ¿µØ¿é³Ê½Ï¹æÔò¾ØÐΣ¬ÍÁµØÓÃ;Ϊ¹¤ÒµÓõء£ÏîÄ¿ÖܱßÖ÷ҪΪ¸ÛÇø¹¤ÒµÆóÒµ¡£±¾ÏîĿվ԰µØÀíλÖÃͼ¼û¸½Í¼1£¬Õ¾³¡ÖܱßÇéÐÎʾÒâͼ¼û¸½Í¼2£¬Õ¾³¡ÖܱßÏÖ״ͼ¼û¸½Í¼3¡£
2.1.1µØÐεØÃ²
ÆÎÌïÊÐλÓÚ´÷ÔÆÉ½Âö¶«Äϲ࣬ÕóÊÆÓÉÎ÷±±Ïò¶«ÄÏÇãб£¬Ö÷ÒªµØÃ²ÐÎ̬ÓУºÉ½Áë¡¢¹ÈµØ¡¢ÇðÁꡢ̨µØ¼°º£»ýƽԣ¬Öв¿ÎªÐË»¯Æ½Ô£¬ÊǸ£½¨Ê¡ËÄ´óƽÔÖ®Ò»£»±±²¿ÎªÖеÍɽµØ£»Äϲ¿Îª»¨¸ÚÑÒµÍÇ𡢹ȵأ»¶«²¿ÁÙº££¬¾ßÓÐʪµØ¡¢Äà̲µÄ»ØÉýʴ©¶·Ð͵ÍÇð̨ÑÒ°¶¡£ÆÎÌïÊк£°¶Ïß³¤343km£¬º£ÓòÁÉÀ«£¬Ô̲ظ»ºñµÄº£Ñó×ÊÔ´£¬ÔÚÑØ°¶Æ½º£¡¢ÐË»¯¡¢äØÖÞÈý´óº£Íå¼äÓÐÆ½º£¡¢ÖÒÃÅ¡¢¶«×¯Èý¸ö°ëµº£»¿Ú°¶×ÊÔ´ÓÅÔ½£¬°¶ÏßÇúÕÛ£¬Ë®ÓòÁÉÀ«£¬ÉîË®°¶Ïß³¤´ï10.9 km£¬Ö÷Òª¿Ú°¶ÓÐÐãÓì¡¢Èý½¿Ú¡¢·ãͤµÈ¡£ÐãÓì¸ÛλÓÚäØÖÞÍå¶«°¶£¬ÇøÎ»Ìõ¼þÓÅÔ½£¬´¦ÓÚ¸£½¨Öв¿Ì«Æ½ÑóÎ÷°¶µÄÖÐÐÄλÖ㬿ɿª·¢³É¶à¹¦Ð§×ÛºÏÐԵĶÔÍ⿪·¢ÉîË®¸Û¡£
2.1.2ÆøÏóÌØÕ÷
ÆÎÌïÊÐÊôÑÇÈÈ´øº£ÑóÐÔ¼¾ÃñË׺òÇø£¬ÌìÆøÎÂůʪÈó£¬Ïij¤ÎÞÑ×ÈÈ£¬¶¬¶ÌÎÞÑϺ®£¬Ñô¹â¸»×㣬ÓêÁ¿³ä·Ö¡£½üÄêÆ½¾ùÆøÎÂΪ21¡æ£¬7 ÔÂ·ÝÆøÎÂ×î¸ß£¬ÔÂÆ½¾ùÆøÎÂΪ29¡æ£¬ÀúÄ꼫¶Ë×î¸ßÆøÎÂ37.9¡æ£¬1 ÔÂ·ÝÆøÎÂ×îµÍ£¬ÔÂÆ½¾ùÆøÎÂ12.3¡æ£¬ÀúÄ꼫¶Ë×îµÍÆøÎÂ0.7¡æ¡£ÄêÆ½¾ùÈÕÕÕʱÊý2095.3h¡£
¶àÄêÆ½¾ù½µË®Á¿1388.8mm£¬½µË®ÄêÄÚ·ÖÅɺܲ»Ôȳƣ¬´ºÏĶàÓ꣬ÇﶬÉÙÓ꣬½µË®¼¾½Ú¿ÉÒÔ·ÖΪ´ºÓê¼¾¡¢Ã·Óê¼¾¡¢Ì¨·çÓê¼¾ºÍÉÙÓê¼¾µÈ4¸÷ʱ¶Î£»5¡«6ÔÂ·ÝÆ½¾ù×ܽµË®Á¿743mm£¬Õ¼ÕûÄ꽵ˮµÄ59.2£¥£¬10Ô¡«ÒîÄê1ÔÂÆ½¾ù×ܽµË®Á¿½ö129mm£¬Õ¼ÕûÄ꽵ˮÁ¿µÄ10.3£¥¡£¶àÄêÆ½¾ùÕô·¢Á¿2080mm£¬¶àÄêÆ½¾ùÏà¶Ôʪ¶È73£¥¡£
´óÆøÎȹ̶ÈÒÔDÀàΪÖ÷£¬Ö÷µ¼·çÏòΪ¶¬·ç£¬ÏÄÈÕÒÔ¶«¶¬·çºÍÎ÷ÄÏ·çΪÖ÷£¬¶¬¼¾ÒÔ¶«¶¬·çΪÖ÷£¬ÕûÄêÄêÆ½¾ù·çËÙ2.5m/s£¬ÄêÆ½¾ù´óÓÚ¼¶ÈÕÊýÓÐ2.8 Ì죬ÕûÄêÆ½¾ùÎíÈÕÊý12.2 Ì죬ÏÄÇï¼¾½Ú³£ÓÐ̨·ç¡£
2.1.3Ë®ÎÄ״̬
ÏîÄ¿ÖܱßÎÞÏÔ×ŵرíˮϵ£¬Î÷ÄϲàΪäØÖÞÍ壬äØÖÞÍåλÓŲ́Í庣ϿÎ÷°¶£¬¸£½¨Ê¡Ñغ£Öв¿£¬äØÖÞÍåÉîÈëÄÚ½Լ18º£Àº½µÀ¼È³¤ÇÒ¿í¡£äØÖÞÍåÑØ°¶¸Û·ÖΪ£º¶«Îâ¸ÛÇø¡¢ÐãÓì¸ÛÇø¡¢Ð¤ØÈ¸ÛÇø¡¢¶·Î²¸ÛÇøµÈ4¸ö¸ÛÇø.ÊÇÒ»¸öÉîÈëÄÚ½µÄ°ë¹Ø±ÕÏÁ³¤º£Í壬Äϱ±³¤33¹«À¹¤¾ß¿í30¹«Àï¡£¸ÛÍåË®ÓòÃæ»ý516ƽ·½¹«ÀÆäÖÐÆ½¾ùµÍ³±Î»ÒÔϵÄË®ÓòÃæ»ýÁè¼Ý374¶àƽ·½¹«Àï¡£äØÖÞÍ峱ϫÐÎ̬ΪÕý¹æ°ëÈÕ³±£¬ÐãÓì¸ÛÇø ÀúÄê×îÈȳ±Î»8.18mÀúÄê×îµÍ³±Î»0.04mƽ¾ù³±Î»4.11m£»¶«Îâ¸ÛÇøÀúÄê×îÈȳ±Î»7.58mÀúÄê×îµÍ³±Î»0.86mƽ¾ù³±Î»4.25m£»Èý½¿Ú¸ÛÇøÀúÄê×îÈȳ±Î»7.42m ÀúÄê×îµÍ³±Î»-0.105m£»Æ½¾ù³±Î»2.68m£¬±¾º£ÇøÒԷ粨ΪÖ÷£¬³£ÀËÏòNEÏò£¬ÆµÂÊ26%£¬Êµ²â×î´ó²¨¸ß1.4m£¬Éè¼Æ³±Î»ÎªÎåÊ®ÄêÒ»Óö¡£
2.1.4×ÔÈ»×ÊÔ´
£¨1£©ÍÁÈÀ
ÏîÄ¿Çø¼°ÖܱßÇøÓòÍÁÈÀÀàÐÍÖ÷ҪΪ³àºìÈÀ¡£ÍÁ²ã½Ïºñ£¬ÖʵؽÏÕ³ÖØ£¬·ÊÁ¦½Ï²î¡£ÍÁÈÀ·ç»¯ÁÜÈÜ×÷ÓýÏÇ¿ÁÒ£¬¿ÉÊ´ÐԽϴó¡£
£¨2£©Ö²±»
ÏîÄ¿ÇøµØ´¦ÖÐÑÇ´ø³£ÂÌÀ«Ò¶ÁÖ´ø£¬ÉÁÖÁýÕÖÂÊ10.3%¡£ÏîÄ¿ÇøÊ÷ÖÖ¼òµ¥£¬¶àΪÂíβËÉ¡¢Ïà˼Ê÷¡¢ºÚËÉ¡¢Ä¾Â黯ºÍÉÙÁ¿ÒýÖÖµÄʪµØËÉ¡¢ÄûÃÊèñµÈÈ˹¤ÁÖ¡£ÁÖÏÂÖ²±»Ï£º±£¬ÁýÕÖÂʵͣ¬¶àΪëÂíÌÆ¡¢¹·Î²²Ý¡¢Îå½ÚâµÈºµÉúºÌ²Ý£¬±³·çɽÆÂÍÁ²ã½ÏºñÓÐâݽ¹Ç¡¢Ð¡¹àľ¡£º£°¶¡¢Å©ÌïÖÜΧÓÐÈ˹¤Ö²±»Â黯¡£
2.2Éç»áÇéÐθſö
2.2.1ÐÐÕþÇø»®
ÆÎÌïÊÐÏÂϽ4¸öÊÐÏ½Çø£¨³ÇÏáÇø¡¢º½Çø¡¢Àó³ÇÇø¡¢ÐãÓìÇø£©¡¢1¸öÏØ£¨ÏÉÓÎÏØ£©¡£ÏÂÉè8¸ö½ÖµÀ¡¢39¸öÕò¡¢7¸öÏ磬¹²54¸öÏç¼¶ÕþÇø¡£ÉèÓÐ91¸öÉçÇø×¡ÃñίԱ»á¡¢882¸ö´åÃñίԱ»á¹²973¸ö£»ÏÂÉè1084¸öסÃñС×é¡¢11031¸ö´åÃñС×é¹²12115¸ö¡£±ðµÄ£¬ÆÎÌïÊÐÉèÁ¢2¸öÖÎÀíÇø£¨äØÖÞÍå±±°¶¾¼Ã¿ª·¢Çø¡¢äØÖÞµº¹ú¼ÒÂÃÓζȼÙÇø£©£¬ÓµÓв¿·ÖÏØ¼¶ÐÐÕþȨÁ¦¡£
2.2.2¾¼Ã¸Å¿ö
2015Ä꣬ȫÊÐÉú²ú×ÜÖµ1655.2ÒÚÔª¡¢ÔöÌí10.5%£»²ÆÎñ×ÜÊÕÈë185.2ÒÚÔª¡¢ÔöÌí5.8%£»µØ·½²ÆÎñÊÕÈë115.7ÒÚÔª¡¢ÔöÌí4.8%£»È«Éç»áÀο¿×ʲúͶ×Ê1765.1ÒÚÔª¡¢ÔöÌí21.5%£»Íâó³ö¿Ú×ܶî31.7ÒÚÃÀÔª¡¢Ï½µ3.6%£»ÏÖʵʹÓÃÍâ×Ê3.8ÒÚÃÀÔª¡¢ÔöÌí10.7%£»Éç»áÏûºÄÆ·ÁãÊÛ×ܶî558.9ÒÚÔª¡¢ÔöÌí12.2%£»×¡ÃñÏûºÄ¼ÛÇ®×ÜˮƽÉÏÕÇ1.5%£»×¡ÃñÈ˾ù¿ÉÖ§ÅäÊÕÈë2.2ÍòÔª¡¢ÔöÌí8.6%£»³ÇÕò¹ÒºÅʧҵÂÊ2.2%£»Éú³Ý×ÔÈ»ÔöÌíÂÊ7.5¡ë£»Äê¶È½ÚÄܼõÅÅʹÃüÖÜÈ«Íê³É¡£Êܾ¼ÃÏÂÐС¢¡°Óª¸ÄÔö¡±¡¢ÆóҵǷ˰¡¢¼ÛÇ®ÒòËØµÈÓ°Ï죬ȫÊÐÉú²ú×ÜÖµ¡¢²ÆÎñ×ÜÊÕÈë¡¢Íâó³ö¿Ú×ܶũ´åסÃñÈ˾ù¿ÉÖ§ÅäÊÕÈëµÈÖ¸±êÓëÔ¤ÆÚÓвî±ð¡£
2.3ÇéÐι¦Ð§Çø»®
2.3.1Ë®ÇéÐι¦Ð§Çø»®
ÏîÄ¿Ëù´¦ÇøÓòÄϲàΪäØÖÞÍ庣Óò£¬Æ¾Ö¤¡¶¸£½¨Ê¡ÈËÃñÕþ¸®¹ØÓÚÓ¡·¢¸£½¨Ê¡½ü°¶º£ÓòÇéÐι¦Ð§Çø»®£¨ÐޱࣩµÄ֪ͨ¡·£¨ÃöÕþ[2011]45ºÅ£©£¬äØÖÞÍåÐãÓì¸ÛÆäÖ÷µ¼¹¦Ð§Îª¿Ú°¶¡¢º½ÔË¡¢¸¨Öú¹¦Ð§ÎªÒ»Ñùƽ³£¹¤ÒµÓÃË®£¬º£Ë®Ë®ÖÊÖÊÁ¿Ö´ÐС¶º£Ë®Ë®Öʱê×¼¡·£¨GB3097-1997£©ÖеÚÈýÀà±ê×¼¡£¼û±í2-1¡£
±í2-1 ¡¶º£Ë®Ë®Öʱê×¼¡·£¨GB3097-1997£©£¨ÕªÂ¼£© µ¥Î»£ºmg/L
|
ÆÀ¼ÛÒò×Ó |
µÚÈýÀà±ê׼Ũ¶ÈÏÞÖµ |
±ê׼ȪԴ |
|
pHÖµ |
6.8¡«8.8£¨ÎÞÁ¿¸Ù£© |
¡¶º£Ë®Ë®Öʱê×¼¡·£¨GB3097-1997£© |
|
»¯Ñ§ÐèÑõÁ¿¡Ü£¨COD£© |
4 | |
|
ÏûÈÚÑõ£¾ |
4 | |
|
»îÐÔÁ×ËáÑΡܣ¨ÒÔP¼Æ£© |
0.03 | |
|
ÎÞ»úµª¡Ü£¨ÒÔN¼Æ£© |
0.40 | |
|
ʯÓÍÀà¡Ü |
0.30 |
2.3.2´óÆøÇéÐι¦Ð§Çø»®
ƾ֤¡¶ÆÎÌïÊеرíË®ÇéÐκÍÇéÐÎ¿ÕÆø¹¦Ð§Çø»®¼Æ»®¡·£¨ÆÎÕþ[1999]79ºÅ£¬1999£©£¬ÆÀ¼ÛÇøÓòÇéÐÎ¿ÕÆøÖÊÁ¿ÍýÏëΪ¶þÀà¹¦Ð§Çø£¬Ö´ÐС¶ÇéÐÎ¿ÕÆøÖÊÁ¿±ê×¼¡·£¨GB3095-2012£©¶þ¼¶±ê×¼£¬¼û±í2-2¡£
±í2-2 ¡¶ÇéÐÎ¿ÕÆøÖÊÁ¿±ê×¼¡·£¨GB3095-2012£©¶þ¼¶±ê×¼
|
ÎÛȾÎïÏîÄ¿ |
ÄêÆ½¾ù |
24Сʱƽ¾ù |
1Сʱƽ¾ù |
µ¥Î» |
|
SO2 |
60 |
150 |
500 |
µg/m3 |
|
NO2 |
40 |
80 |
200 | |
|
NOx |
50 |
100 |
250 | |
|
TSP |
200 |
300 |
¡ª | |
|
PM10 |
70 |
150 |
¡ª |
2.3.3ÉùÇéÐι¦Ð§Çø»®
ÐãÓìÃÅÕ¾ËùÔÚÇøÓòÊôÓÚ3ÀàÉùÇéÐι¦Ð§Çø£¬ÇøÓòÉùÇéÐÎÖ´ÐС¶ÉùÇéÐÎÖÊÁ¿±ê×¼¡·£¨GB3096-2008£©3Àà±ê×¼£¬ÆäÖÐÁÙÇßá½Â·£¨×ÝÒ»Ïߣ©õè¾¶¡¢LNGÎüÊÕÕ¾½ø¸Ûõè¾¶Ò»²àÖ´ÐС¶ÉùÇéÐÎÖÊÁ¿±ê×¼¡·£¨GB3096-2008£©ÖÐ4aÀà±ê×¼¡£ÏîÄ¿¹ÜµÀÑØÏßÃô¸Ðµã¾ùÖ´ÐС¶ÉùÇéÐÎÖÊÁ¿±ê×¼¡·£¨GB3096-2008£©2Àà¹¦Ð§ÇøÏÞÖµ±ê×¼£¬¹ÜÏß;¾¶µÄ½»Í¨¸ÉÏßÁ½²àÒ»¶¨¾àÀë¹æÄ£ÄÚÖ´ÐÐ4aÀàÇø±ê×¼¡£
±í2-3 ÉùÇéÐÎÖÊÁ¿±ê×¼ µ¥Î»£ºdB(A)
|
ÉùÇéÐι¦Ð§ÇøÖÖ±ð |
Öç¼ä |
Ò¹¼ä |
|
2Àà |
60 |
50 |
|
3Àà |
65 |
55 |
|
4aÀà |
70 |
55 |
2.4ÇéÐÎÖÊÁ¿ÏÖ×´
2.4.1Ë®ÇéÐÎÖÊÁ¿ÏÖ×´
ÏîÄ¿ËùÔÚÇøÓòµÄÖ÷ÒªµØ±íˮϵäØÖÞÍ壬ƾ֤¡¶ÆÎÌïÊÐÇéÐÎÖÊÁ¿±¨¸æÊé(2014Äê¶È)¡·¼à²âÊý¾Ý¾ÙÐÐÆÊÎö£¬Êý¾Ý½Ú¼ÈçÏ£º
±í2-4 Ë®ÇéÐÎÖÊÁ¿ÏÖ×´¼à²âЧ¹û µ¥Î»£ºmg/L

ÓÉÒÔÉϼà²âÊý¾Ý¿ÉÖªÇøÓòË®ÇéÐÎÖÊÁ¿Öª×ã¡¶º£Ë®Ë®Öʱê×¼¡·£¨GB3097-1997£©ÖеڶþÀà±ê×¼¡£
2.4.2´óÆøÇéÐÎÖÊÁ¿ÏÖ×´
±¾ÏîÄ¿ËùÔÚÇøÓòµÄÇéÐÎÖÊÁ¿ÏÖ×´£¬ÒýÓá¶ÆÎÌïäØÖÞÍå(ʯÃŰÄ)¹¤ÒµÔ°×ÜÌåÍýÏë(2014-2030)ÇéÐÎÓ°Ï챨¸æÊé¡·2014Äê8Ô¼à²âÊý¾ÝÖÐ4#µãλ¶«Çߴ岿·ÖÊý¾Ý¾ÙÐзÖÎö£¬¸ÃµãλλÓÚÐãÓìÃÅÕ¾¶«±±²à1.325 km´¦£¬¼à²âЧ¹ûÏê¼û±í2-5¡£
±í2-5 ÇéÐÎ¿ÕÆøÖÊÁ¿ÏÖ×´¼à²âЧ¹û
|
¼à²âµãλ |
¼à²â ÏîÄ¿ |
ȡֵ |
Ũ¶È¹æÄ££¨mg/m3£© |
ÆÀ¼Û±ê×¼£¨mg/m3£© |
³¬±êÂÊ£¨%£© |
µ¥Òò×Ó±ê×¼±ê×¼Ö¸Êý |
|
¶«Çß´å |
SO2 |
Сʱ¾ùÖµ |
δ¼ì³ö~0.018 |
0.5 |
0 |
0.007~0.018 |
|
ÈÕ¾ùÖµ |
0.005~0.020 |
0.15 |
0 |
0.033~0.133 | ||
|
NO2 |
Сʱ¾ùÖµ |
0.007~0.030 |
0.2 |
0 |
0.035~0.150 | |
|
ÈÕ¾ùÖµ |
0.009~0.020 |
0.08 |
0 |
0.113~0.250 | ||
|
PM10 |
ÈÕ¾ùÖµ |
0.022~0.068 |
0.15 |
0 |
0.147~0.453 |
Óɼà²âЧ¹û¿ÉÖª£¬ÆÀ¼ÛÇøÓòÄÚSO2 ¡¢NO2 ¡¢PM10 ¾ùÇкϡ¶ÇéÐÎ¿ÕÆøÖÊÁ¿±ê×¼¡·£¨GB3095-2012£©£¬ÆÀ¼ÛÇøÓòÇéÐÎ¿ÕÆøÖÊÁ¿×ÜÌå½ÏºÃ¡£
2.4.3ÉùÇéÐÎÖÊÁ¿ÏÖ×´
ƾ֤¡¶ÆÎÌïÊÐÇéÐÎÖÊÁ¿±¨¸æÊ飨2015Äê¶È£©¡·£¨ÆÎÌïÊÐÇéÐα£»¤¾Ö£¬2016Äê4Ô£©£¬¹¦Ð§ÇøÔëÉùÖç¼ä´ï±êÂÊΪ100%£¬Ò¹¼ä´ï±êÂÊΪ81.2%¡£ÓëÉÏÄêÏà±È£¬¹¦Ð§ÇøÔëÉùÖç¼ä´ï±êÂʼá³ÖÎȹ̣¬Ò¹¼ä´ï±êÂÊÓÐËùϽµ¡£1Àà¹¦Ð§ÇøÖç¼äÔëÉùÎÛȾˮƽ¼á³ÖÎȹ̣¬2Àà¹¦Ð§ÇøÖç¼ä¡¢Ò¹¼äÔëÉùÎÛȾˮƽÂÔÓмõÇᣬÆäÓà¸÷¹¦Ð§ÇøÔëÉùÎÛȾˮƽÂÔÓмÓÖØ¡£
õè¾¶½»Í¨ÔëÉùÖç¼äƽ¾ùµÈЧAÉù¼¶Îª67.7·Ö±´£¬Ç¿µ÷Æ·¼¶Îª¡°Ò»¼¶¡±£¬ÊôÓÚ¡°ºÃ¡±Ë®Æ½¡£ÓëÉÏÄêͬÆÚÏà±ÈϽµÁË0.3·Ö±´£¬»ù±¾¼á³ÖÎȹ̣¬ÇкϽ»Í¨¸ÉÏßÔëÉù±ê×¼ÒªÇó¡£
ÇøÓòÇéÐÎÔëÉùÖç¼äƽ¾ùÆ·¼¶AÉù¼¶Îª53.7·Ö±´£¬×ÜÌ寷¼¶Ë®Æ½µÖ´ï¶þ¼¶£¬ÆÀ¼ÛΪ¡°½ÏºÃ¡±£¬ÓëÉÏÄêͬÆÚÏà±È£¬Ï½µÁË0.2·Ö±´£¬ÔëÉùÎÛȾˮƽ»ù±¾¼á³ÖÎȹ̣¬Ö÷ÒªÉùÔ´ÊÇÉç»áÉúÑÄÔëÉù¡£
ƾ֤ÏÖ³¡¿±²é£¬ÐãÓìÃÅÕ¾ÖܱßÖ÷ҪΪ¹¤ÒµÓõأ¬ÉùÇéÐÎÖÊÁ¿¿ÉÇкϡ¶ÉùÇéÐÎÖÊÁ¿±ê×¼¡·£¨GB3096-2008£©ÖÐ3Àà±ê×¼£¬ÁÙÇßá½Â·£¨×ÝÒ»Ïߣ©õè¾¶¡¢LNGÎüÊÕÕ¾½ø¸Ûõè¾¶Ò»²àÖ´ÐС¶ÉùÇéÐÎÖÊÁ¿±ê×¼¡·£¨GB3096-2008£©ÖÐ4aÀà±ê×¼¡£ÆäÓà·óÉè¹ÜÏßÁ½²àÃô¸ÐµãÖ´ÐС¶ÉùÇéÐÎÖÊÁ¿±ê×¼¡·£¨GB3096-2008£©ÖÐ2Àà±ê×¼¡£
2.5ÎÛȾÎïÅŷűê×¼
2.5.1 Ë®ÎÛȾÎïÅŷűê×¼
Ê©¹¤ÆÚ£ºÊ©¹¤ÆÚ·ÏˮΪʩ¹¤Ö°Ô±µÄÉúÑÄ·ÏË®ºÍÊ©¹¤Àú³Ì±¬·¢µÄÉú²ú·ÏË®£¬ÉúÑÄ·ÏË®¾×¡Ãñµã»¯·à³Ø´¦Öóͷ£ÓÃÓÚÅ©µØÊ©·Ê£¬Éú²ú·ÏË®¾³Áµí´¦Öóͷ£ºó»ØÓÃÓÚÉú²ú²»¹ýÅÅ¡£
ÔËÓªÆÚ£ºÎÛˮȪԴÖ÷ÒªÊÇÕ¾³¡ÊÂÇéÖ°Ô±ÉúÑÄÎÛË®¡£ÉúÑÄ·ÏË®¾»¯·à³Ø´¦Öóͷ£ºóÅÅ·Å£¬Ë®ÖÊÖ´ÐС¶ÎÛË®×ÛºÏÅŷűê×¼¡·£¨GB8978-1996£©±í 4ÖÐÈý¼¶±ê×¼£¬°±µª¡¢×ÜÁײÎÕÕÖ´ÐС¶ÎÛË®ÅÅÈë³ÇÕòÏÂË®µÀË®Öʱê×¼¡·£¨CJ343-2010£©±í1µÄBÆ·¼¶±ê×¼¡£
2.5.2 ´óÆøÎÛȾÎïÅŷűê×¼
Ê©¹¤ÆÚ£ºÊ©¹¤ÆÚ·ÏÆøÅÅ·ÅÖ´ÐС¶´óÆøÎÛȾÎï×ÛºÏÅŷűê×¼¡·£¨GB16297-1996£©±í2ÎÞ×éÖ¯ÅÅ·Å¼à¿ØÅ¨¶ÈÏÞÖµ£¬¼û±í2-6¡£
±í2-6 ¡¶´óÆøÎÛȾÎï×ÛºÏÅŷűê×¼¡·£¨GB16297-1996£©£¨ÕªÂ¼£©
|
ÎÛȾÎï |
×î¸ßÔÊÐíÅÅ·ÅŨ¶È£¨mg/m3£© |
ÎÞ×éÖ¯ÅÅ·Å¼à¿ØÅ¨¶ÈÏÞÖµ | |
|
¼à¿Øµã |
Ũ¶È£¨mg/m3£© | ||
|
¿ÅÁ£Îï |
120 |
ÖܽçÍâŨ¶È×î¸ßµã |
1.0 |
2.5.3 ÔëÉùÎÛȾÅŷűê×¼
Ê©¹¤ÆÚ£ºÔëÉùÖ´ÐС¶ÐÞ½¨Ê©¹¤³§½çÇéÐÎÔëÉùÅŷűê×¼¡·£¨GB12523-2011£©±í1ÖеÄÅÅ·ÅÏÞÖÆ£¨Öç¼ä¡Ü70dB(A)£¬Ò¹¼ä¡Ü55dB(A)£»
ÔËÓªÆÚ£ºÕ¾³¡ÖÜΧִÐС¶¹¤ÒµÆóÒµ³§½çÇéÐÎÔëÉùÅŷűê×¼¡·(GB12348-2008) ÖеÄ3Àà±ê×¼£¬¼´Öç¼ä¡Ü65dB£¨A£©¡¢Ò¹¼ä¡Ü55dB£¨A£©£¬ÁÙÇßá½Â·£¨×ÝÒ»Ïߣ©õè¾¶¡¢LNGÎüÊÕÕ¾½ø¸Ûõè¾¶Ò»²àÖ´ÐÐ4aÀà±ê×¼£¨Öç¼ä70dB£¬Ò¹¼ä55dB£©¡£
2.5.4 ¹ÌÌå·ÏÎï
Ê©¹¤ÆÚ£º¹Ì·ÏȪԴÓÚÊ©¹¤Ö°Ô±µÄÉúÑÄÀ¬»øºÍÐÞ½¨À¬»ø£¬ÉúÑÄÀ¬»ø½»ÓÉÍâµØ»·ÎÀ²¿·ÖͳһÊÕÔË´¦Öóͷ££»ÐÞ½¨À¬»øÓ¦¼¯Öжѷţ¬Í³Ò»ÍøÂçºóÓÉÊÐÕþ»·ÎÀ²¿·ÖÇåÔËÖÁÊÜÄɳ¡¡£
ÔËÓªÆÚ£º±¾ÏîÄ¿¹¤ÒÕÁ÷³Ì¼òÆÓÇÒÔÚÃܱÕϵͳÖоÙÐУ¬Ã»ÓÐÉú²ú¹Ì·ÏµÄ±¬·¢£»Ö÷Òª¹Ì·ÏΪÉúÑÄÀ¬»ø£¬ÉúÑÄÀ¬»ø¼¯ÖÐÍøÂ磬Öü´æ´¦Öóͷ£Æ¾Ö¤¡¶¶¼»áÇéÐÎÎÀÉúÉèÊ©ÍýÏë¹æ·¶¡·£¨GB50337-2003£©ÖеÄÒªÇó¾ÙÐÐ×ÛºÏʹÓúʹ¦Öóͷ£¡£
Èý¡¢Ö÷ÒªÇéÐÎÎÊÌâ¼°ÇéÐα£»¤Ä¿µÄ
3.1Ö÷ÒªÇéÐÎÎÊÌâ
±¾¹¤³Ì»·ÆÀʱ¶Î°üÀ¨Ê©¹¤ÆÚ¡¢ÔËÓªÆÚ2¸ö½×¶Î¡£
£¨1£©Ê©¹¤ÆÚÖ÷ÒªÇéÐÎÎÊÌâ
¢ÙÊ©¹¤»úеÔËת±¬·¢µÄÔëÉù¡¢ÔËÊä³µÁ¾µÄÔëÉù¼°ÆäËûÊ©¹¤ÔëÉùÔì³ÉµÄÉùÇéÐÎÎÛȾ¡£
¢ÚÊ©¹¤Ô°µØÆ½Õû¡¢ÔËÊä³µÁ¾ÑØÍ¾±¬·¢µÄÑï³¾Ôì³ÉµÄ´óÆøÇéÐÎÎÛȾ£»È¼ÓÍ»úеװ±¸ºÍ³µÁ¾±¬·¢µÄ̼Ñõ»¯Îï¡¢µªÑõ»¯ÎïÔì³ÉµÄ´óÆøÇéÐÎÎÛȾ¡£
¢ÛÊ©¹¤·ÏË®¼°»úеװ±¸µÄ·ÏÓÍÅÅ·ÅÔì³ÉµÄË®ÇéÐÎÎÛȾ¡£
¢ÜÊ©¹¤Ê±´ú·ÅÆúÎï¿ÉÄÜÔì³ÉÍÁÈÀºÍË®ÇéÐÎÎÛȾ¡£
£¨2£©ÓªÔËÆÚÖ÷ÒªÇéÐÎÎÊÌâ
¢Ù·ÏÆøÅÅ·ÅÔì³ÉµÄ´óÆøÇéÐÎÎÛȾ¡£
¢ÚÉúÑÄÎÛË®¿ÉÄÜÔì³ÉµÄË®ÇéÐÎÎÛȾ¡£
¢Û¶¯Á¦×°±¸ÔËתÔëÉù±¬·¢µÄÉùÇéÐÎÎÛȾ¡£
¢ÜÉúÑÄÀ¬»ø±¬·¢µÄÎÛȾÎÊÌâ¡£
¢ÝÏîÄ¿ÔËÓªÆÚ±£´æµÄÇéÐÎΣº¦ÎÊÌâ¡£
3.2Ö÷ÒªÇéÐα£»¤Ä¿µÄ
ƾ֤ÏÖ³¡Ì¤¿±£¬ÏîÄ¿¹ÜµÀÑØÏßÖ÷ҪΪ¶¼»á½¨³ÉÇø¡¢×¡Ãñµã£¬Ö÷ÒªÇéÐα£»¤Ä¿µÄÈçÏ£º
±í3-1 Ïß·¹¤³ÌÖ÷ÒªÇéÐα£»¤Ä¿µÄ±í




3-2 Õ¾³¡¹¤³ÌÖ÷ÒªÇéÐα£»¤Ä¿µÄÒ»ÀÀ±í
|
ÖÖ±ð |
±£»¤Ä¿µÄ |
¾àÀë(m) |
·½Î» |
±£»¤¹æÄ£ |
±£»¤¼¶±ð£¨Ö´Ðбê×¼£© |
|
´óÆø ÇéÐÎ |
ÐãÓì´åסÃñµã1 |
240 |
Î÷Äϲà |
Ô¼20ÈË |
¡¶ÇéÐÎ¿ÕÆøÖÊÁ¿±ê×¼¡·£¨GB3095-2012£©ÖеĶþ¼¶±ê×¼ |
|
ÐãÓì´åסÃñµã2 |
460 |
Î÷Äϲà |
Ô¼35ÈË | ||
|
Ë®ÇéÐÎ |
700 |
Äϲà |
- |
¡¶º£Ë®Ë®Öʱê×¼¡·£¨GB3097-1997£©ÖеÚÈýÀà±ê×¼ |
ËÄ¡¢¹¤³ÌÆÊÎö
4.1ÏîÄ¿¸Å¿ö
4.1.1 ÏîÄ¿»ù±¾ÇéÐÎ
¢ÙÏîÄ¿Ãû³Æ£ºÐãÓìÃÅÕ¾¼°óËʯ¡¢Ê¯ÃŰġ¢Áé´¨ÇøÓò¡¢±±°¶¼°ÅäÌ׸ßÖÐѹµ÷ѹվµÈÈ¼Æø¹¤³Ì
¢Ú½¨É赥λ£ºZ6×ðÁú¿Ê±
¢Û½¨ÉèÐÔ×Ó£ºÐ½¨
¢ÜÖ°¹¤¶¨Ô±£ºÐãÓìÃÅÕ¾¶¨Ô±8ÈË
¢Ý½¨ÉèËùÔÚ£ºÐãÓìÃÅÕ¾£¨ÓëÐãÓì¸ßÖÐѹµ÷ѹվºÏ½¨£©Î»ÓÚÐãÓìÇøÊ¯ÃŰÄLNG¹¤ÒµÔ°±¸Óõأ»óËʯ¡¢Ê¯ÃŰġ¢Áé´¨ÇøÓò¡¢±±°¶¼°ÅäÌ׸ßÖÐѹµ÷ѹվµÈÈ¼Æø¹¤³ÌÖ÷Òª·ÖÔÚÆÎÌïÊÐÐãÓìÇø¡¢³ÇÏáÇø¡¢ÏÉÓÎÏØ¡¢±±°¶¾¼Ã¿ª·¢Çø¡£
¹æÄ££ºÐãÓìÃÅÕ¾ÍýÏëÕ¼µØ6668.13m2£¨Ô¼10.0Ķ£©£¬2017ÄêÊ䯸ÄÜÁ¦µÖ´ï35000Íòm3/Ä꣬2030ÄêÊ䯸ÄÜÁ¦´ï59908Íòm3/Äê¡£óËʯ¡¢Ê¯ÃŰġ¢Áé´¨ÇøÓò¡¢±±°¶¼°ÅäÌ׸ßÖÐѹµ÷ѹվµÈÈ¼Æø¹¤³Ì£¬ÆäÖиßѹ¹ÜÏß46.5km£¬ÖÐѹ¹ÜÏß455.5km£¨ÆäÖÐóËÊ¯ÇøÓòÖÐѹ¹ÜÏß71.1km£¬°üÀ¨ÒÑ·óÉèÍê³ÉµÄ36km£»Âè׿³ÇÇøÓòÖÐѹ¹ÜÏß32.8km£¬ÖÒÃÅ·ÖÇøÖÐѹ¹ÜÏß125.5km£©¡£±¾ÏîĿн¨µÄÐãÓìÃÅÕ¾¼°óËʯ¡¢Ê¯ÃŰġ¢Áé´¨ÇøÓò¡¢±±°¶¼°ÅäÌ׸ßÖÐѹµ÷ѹվµÈÈ¼Æø¹¤³ÌÎüÊÕÀ´×Ô¸£ÖÝÖÁÕÄÖݵÄÊ䯸¸ÉÏߵĸßѹ³¤Êä×ÔÈ»Æø¡£
4.1.2 ½¨ÉèÄÚÈÝ
ÏîÄ¿Ö÷Òª×é³É¼°½¨ÉèÄÚÈÝÏê¼û±í4-1£º
±í4-1 ½¨ÉèÏîÄ¿×é³ÉÒ»ÀÀ±í
|
ÏîÄ¿Ãû³Æ |
½¨ÉèÄÚÈݹæÄ£ | |||
|
Ïß·¹¤³Ì |
¹ÜÏß¹¤³Ì |
¸ßѹ¹ÜÏß |
½üÆÚ¸ßѹÊ䯸¹ÜµÀÔ¼32¹«ÀÖÐÆÚ¸ßѹÊ䯸¹ÜµÀÔ¼14.5¹«Àï | |
|
ÖÐѹ¹ÜÏß |
ʯÃŰġ¢Áé´¨ÇøÓò×ÜÖÐѹ¹ÜÏßÔ¼226¹«Àï¡¢óËÊ¯ÇøÓòÖÐѹ¹ÜÏß71km£¨ÒÑ·óÉèÍê³É36km£©¡¢Âè׿³ÇÇøÓòÖÐѹ¹ÜÏß32.8km¡¢ÖÒÃÅ·ÖÇøÖÐѹ¹ÜÏß125.5km | |||
|
´©Ô½¹¤³Ì |
Ë®Ìå |
´©Ô½ÖÐСÐͺÓÁ÷1 ´Î£¬³¤10m£¬½ÓÄɶ¨Ïò×ê´©Ô½·½·¨ | ||
|
¹«Â· |
¶¨Ïò×ê´©Ô½¹«Â·10 ´Î£¬×Ü´©Ô½³¤¶È100m£»½ÓÄɶ¥¸Ö½î»ìÄýÍÁÌ×¹ÜÒªÁì | |||
|
Õ¾³¡ ¹¤³Ì |
ÐãÓìÃÅÕ¾ |
ÐãÓìÃÅÕ¾ÍýÏëÕ¼µØ6668.13 m2£¬Õ¾Äڽṹ×ÛºÏÂ¥¡¢Åäµç·¿¡¢ÃÅÎÀ¡¢µ÷Ñ¹Çø¡¢¼¯ÖзÅÉ¢¹ÜµÈ | ||
|
ÐãÓì¸ßÖÐѹ µ÷ѹվ |
ÓëÐãÓìÃÅÕ¾ºÏ½¨ | |||
|
¸¨Öú ¹¤³Ì |
·À¸¯¹¤³Ì |
Íâ·À¸¯²ã½ÓÄÉÈý²ãPE ·À¸¯£¬ÒÔÐãÓìÃÅվΪÆðµãµÄ¸ßѹÊ䯸¹ÜÍøÒõ¼«±£»¤Õ¾½¨ÓڳǸ۴óµÀºÍ¶«óË´óµÀ½»Ö¯¿ÚÖÜΧ£¨¾àÀëÐãÓìÃÅÕ¾14¹«Àï´¦£© | ||
|
µØÃæ±êʶ |
ÐÞ½¨¸ôÉù¡¢ÖÎÀíÊ䯸¹ÜµÀÑØÏßÉèÖñê¼Ç×®¡¢×ª½Ç×®¡¢½»Ö¯×®¡¢¾¯Ê¾×®ºÍ¾¯Ê¾ÅƵȵØÉϱê¼Ç | |||
|
×Ô¶¯¿ØÖÆ |
±¾¹¤³Ìн¨µÄÐãÓìÃÅÕ¾¾ùÉèÖÃSCADA ϵͳµÄÕ¾¿ØÏµÍ³Õ¾¿ØÖÆÏµÍ³¡£ Ö÷ÒªÓÉÅÌËã»úÍøÂçϵͳ¡¢¿É±à³ÌÂß¼¿ØÖÆÆ÷£¨PLC£©¡¢²Ù×÷Ô±ÊÂÇéÕ¾¼° ¾ÙÐÐÊý¾Ý´«ÊäµÄͨѶ½Ó¿Ú×°±¸µÈ×é³É | |||
|
¹«Óù¤³Ì |
¹©Ë® |
´ÓÊÐÕþ¹ÜÏßÒý½ÓÒ»¸ù DN80 µÄ¸øË®¹Ü£¬ÊÒÄÚÍâ¸øË®¹ÜÏß¾ù½ÓÄÉ PP-R ¸øË®ËÜÁϹܣ¬ÈÈÈÛÅþÁ¬ | ||
|
¹©µç |
Õ¾³¡Öܱ߾ùÓпÉÒÀÍÐÊÐÕþµçÍø¼°Õ¾³¡µçÍø£¬ÓÉÓÚ¸ººÉ½ÏС£¬Ë¼Á¿½ÓÄÉרÓÃÇãÔþÏß·µÄÄѶȣ¬Éè¼Æ½ÓÄɹ«Íø¡°T¡±½Ó£¬²¢Éèʹʱ£°²µçÔ´£¨×ÔÈ»Æø·¢µç»ú×飩 | |||
|
ÅÅË® |
Õ¾ÄÚÉèÖÃÅÅË®¹µ£¬½«ÓêË®ÅÅ·ÅÖÁÖÜΧºÓÇþ¡£ÊÒÄÚÅÅË®¹ÜÏß½ÓÄÉÐÞ½¨ÓÃÓ²¾ÛÂÈÒÒÏ©ÅÅË®ËÜÁϹܣ¬³Ð²åÕ³½Ó£»ÊÒÍâÅÅË®¹ÜÏß½ÓÄÉÓ²¾ÛÂÈÒÒϩ˫±Ú²¨Îƹܣ¨S2 ¼¶£©£¬U ÐͽºÈ¦³Ð²åÅþÁ¬¡£ ÊÒÄÚÍâÅÅË®¹ÜÏß¾ùÖ±½ÓÂñµØ·óÉè | |||
|
»·±£¹¤³Ì |
¹Ì·Ï |
ÉúÑÄÀ¬»ø¼¯ÖÐÍøÂ磬ÓÉ»·ÎÀ²¿·ÖÍøÂçºóͳһ´¦Öóͷ£ | ||
|
ÂÌ»¯ |
¶Ô°ì¹«Çø¿ÉÍŽáÍâµØµÄ×ÔÈ»Ìõ¼þÑ¡ÔñÊʺϵÄÊ÷ÖÖ¾ÙÐÐÖØµãÂÌ»¯£»ÔÚÕ¾³¡¼°õè¾¶±ßÖ²Ê÷ÂÌ»¯£¬ÖÖ»¨ÖÖ²Ý | |||
|
·ÏË® |
Õ¾ÄÚÉúÑÄÎÛˮͨ¹ý»¯·à³Ø´¦Öóͷ£ºó£¬½ÓÊÜÅÅÈëÍûɽ·ÊÐÕþÎÛË®¹ÜÍø | |||
ÐãÓìÃÅÕ¾×é³ÉÇéÐΣ¬ÏêϸÈç±í4-2£º
±í4-2 ÐãÓìÃÅÕ¾×é³ÉÇéÐÎÒ»ÀÀ±í
|
ÐòºÅ |
ÏîÄ¿ |
Õ¼µØÃæ»ý |
ÐÞ½¨Ãæ»ý |
²ãÊý |
|
1 |
µ÷Ñ¹Çø |
896 |
/ |
1 |
|
2 |
×ÛºÏÂ¥ |
480 |
960 |
2 |
|
3 |
Åäµç·¿ |
96 |
96 |
1 |
|
4 |
ÃÅÎÀ |
24 |
24 |
1 |
|
|
ºÏ¼Æ |
1496 |
1080 |
/ |
¸ÃÏîÄ¿´ý½¨Ïß·Ö÷Òª¹¤³ÌÁ¿£¬ÏêϸÈçÏÂ±í£º
±í4-3 Ïß·Ö÷Òª¹¤³ÌÁ¿Ò»ÀÀ±í
|
ÐòºÅ |
ÏîÄ¿ |
µ¥Î» |
ÊýÄ¿ |
±¸×¢ |
|
Ò» |
Ïß·³¤¶È |
km |
½üÆÚ¸ßѹ32km£¬ÖÐÆÚ¸ßѹ14.5km£¬ÖÐѹ455.5km | |
|
¶þ |
¹ÜµÀ×麸 |
|
|
|
|
1 |
¦µ508¡Á10 L360¸Ö¹Ü |
km |
46.5 |
|
|
2 |
De110¡¢De160¡¢De200¡¢ De300 PE¹ÜµÀ |
km |
419.5 |
|
|
Èý |
Íä¹Ü |
|
|
|
|
1 |
ÀäÍäÍä¹Ü |
¸ö |
50 |
|
|
2 |
ÈÈìÐÍä¹Ü |
¸ö |
30 |
|
|
Èý |
¹ÜµÀ·À¸¯ |
|
|
|
|
1 |
¦µ508¡Á10 Èý²ã PE ͨË×¼¶·À¸¯ |
m2 |
222520 |
|
|
2 |
Íä¹Ü·À¸¯ |
m2 |
400 |
|
|
3 |
Èý²ã½á¹¹ÈÈËõ¶ÌÌ×£¨´ø£©²¹¿Ú |
¿Ú |
160 |
|
|
ËÄ |
´©Ô½¹¤³Ì |
|
|
|
|
1 |
´©Ô½ÖÐСÐͺÓÁ÷ |
m/´Î |
10/1 |
¶¨Ïò×ê |
|
2 |
´©Ô½´óÐͺÓÁ÷ |
m/´Î |
0/0 |
¶¨Ïò×ê |
|
3 |
¹«Â·´©Ô½ |
m/´Î |
100/10 |
¶¥¸Ö½î»ìÄýÍÁÌ×¹Ü |
|
4 |
Ìú·´©Ô½ |
m/´Î |
0/0 |
¶¥¸Ö½î»ìÄýÍÁÌ×¹Ü |
|
5 |
¶þ¼¶ÒÔϹ«Â· |
m/´¦ |
°´ÏêϸÇéÐÎ |
|
|
6 |
´©Ô½µØÏ¹⣨µç£©À¡¢¹ÜµÀ |
´¦ |
°´ÏêϸÇéÐÎ |
|
|
Îå |
Ë®¹¤±£»¤ |
|
|
|
|
1 |
»ìÄýÍÁÑ¹ÖØ¿é |
m3 |
4870 |
|
|
2 |
½¬Æöʯ |
m3 |
6800 |
|
|
Áù |
ÍÁ·½ |
|
|
|
|
1 |
ÍÚÍÁ·½ |
Íòm3 |
52.555 |
|
|
Æß |
Ïß·Á¥Êô¹¤³Ì |
|
|
|
|
1 |
±ê¼Ç×® |
¸ö |
400 |
|
|
2 |
¾¯Ê¾ÅÆ |
¸ö |
200 |
|
|
3 |
½Ø¶Ï·§ÊÒ |
×ù |
135 |
|
|
°Ë |
Õ÷µØ |
|
|
|
|
1 |
ÔÝʱÕ÷µØ£¨Å©Ìï¡¢Áֵأ© |
m2 |
40000 |
|
|
2 |
ÔÝʱÕ÷µØ£¨ÂÌ»¯´ø£© |
m2 |
53000 |
ÆäÖÐÖÖÓÐÖ²±»¶Î40000 m2£¨Åâ ³¥Ãæ»ý£© |
|
3 |
ÓÀÊÀÕ÷µØ |
m2 |
360 |
°üÀ¨½Ø¶Ï·§ÊÒ¡¢±ê¼Ç×®¡¢¾¯Ê¾ÅÆ |
|
4 |
Ê©¹¤±ãµÀ |
km |
12 |
|
|
¾Å |
²ðǨ |
|
|
|
|
1 |
ºâÓî |
m2 |
0 |
|
|
Ê® |
¹Ü²Ä |
|
|
|
|
1 |
¦µ508¡Á10 L360¸Ö¹Ü |
t |
5720 |
|
|
2 |
De200 PE¹ÜµÀ |
t |
1318 |
|
|
3 |
De300 PE¹ÜµÀ |
t |
1667 |
|
4.1.4 Õ¾³¡¹¤³Ì
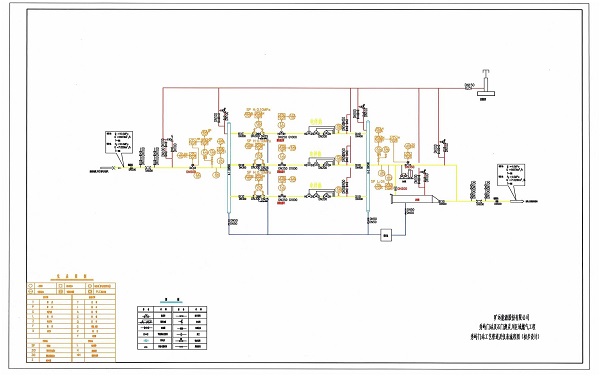
±¾¹¤³Ìƾ֤ÍýÏ룬¹²ÉèÖÃÐãÓìÃÅÕ¾1×ù£¬ÐãÓì¸ßÖÐѹµ÷ѹվ1×ù¡£ÐãÓìÃÅվλÓÚÐãÓìÇø¶«×¯ÕòÐãÄÏ´óµÀÎ÷Ä϶ˣ¬ÍýÏëÕ¼µØ6668.13m2£¨Ô¼10.0Ķ£©£¬Õ¾Äڽṹ×ÛºÏÂ¥¡¢Åäµç·¿¡¢ÃÅÎÀ¡¢µ÷Ñ¹Çø¡¢¼¯ÖзÅÉ¢¹ÜµÈ£»Ïê¼û¸½Í¼4¡£ÐãÓìÃÅÕ¾Êä³öÉè¼ÆÑ¹Á¦Æ¾Ö¤4.0MPa˼Á¿£¬½øÕ¾Éè¼ÆÑ¹Á¦Æ¾Ö¤ 10.0Mpa£¬ÎüÊÕÕÄÖÝÖÁ¸£ÖݸßѹÊ䯸¸ÉÏߣ¨ÐãÓì¸ÛLNGÎüÊÕվΪ³õÊ¼ÆøÔ´£©£¬×î´ó½øÕ¾ÓîÁ¿Æ¾Ö¤59908Nm3/a Éè¼Æ£¬ÔËËÍ×ÔÈ»ÆøÖÁ·ãͤ¿ª·¢Çø¼°ÅþÁ¬ÓÉׯ±ßÃÅÕ¾ÖÁº¶«µ÷ѹվµÄÖÐÆÚ¸ßѹÊ䯸¹ÜÏß¡£ÐãÓì¸ßÖÐѹµ÷ѹվÓëÐãÓìÃÅÕ¾ºÏ½¨£¬Æä¹¤ÒչܵÀ¼°ÒDZíÁ÷³Ì¼û¸½Í¼5Ó븽ͼ6¡£
½øÕ¾×ÔÈ»Æø·ÖÈý·£¨Á½ÓÃÒ»±¸£¬½¨³Éºó¶ÌÆÚÄÚʹÓÃÒ»Æð£©¾Óɳý³¾¡¢¼ÆÁ¿¡¢µ÷ѹÖÁ 4.0MPaºó£¬ÔËËÍÖÁÏÂÓÎÕ¾³¡£¨ÐãÓì¸ßÖÐѹµ÷ѹվ¡¢Áé´¨µ÷ѹվ£©¡£
±¾ÏîĿվ³¡ÉèÖü°¹¦Ð§¼û±í4-3£º
±í4-3 ¸ßѹ¸ÉÏßÊ䯸վ³¡ÉèÖü°Æä¹¦Ð§
|
Õ¾³¡Ãû³Æ |
λÖà |
¹¦Ð§ |
|
ÐãÓìÃÅÕ¾ |
ÐãÓìÇøLNG¹¤ÒµÔ°±¸Óõأ¨ÐãÓìÇø¶«×¯ÕòÐãÄÏ´óµÀÎ÷Ä϶ˣ© |
£¨1£©ÎüÊÕ¸ÉÏßÀ´Æø£¬¾³ý³¾¡¢µ÷ѹ¡¢¼ÆÁ¿ºóÊäÍùÏÂÓÎÕ¾³¡£» £¨2£©³¬Ñ¹×Ô¶¯½Ø¶Ï£» £¨3£©Ê¹Ê״̬¡¢Î¬ÐÞʱ´úµÈ·Å¿ÕºÍÅÅÎÛ£» £¨4£©Ö÷¸É¹ÜÏßʹʽôÆÈÇжϡ£ |
|
ÐãÓì¸ßÖÐѹµ÷ѹվ |
ÓëÐãÓìÃÅÕ¾ºÏ½¨ |
£¨1£©ÎüÊÕÉÏÓÎ 4.0MPaÊäÀ´×ÔÈ»Æø¼°Çå¹ÜÆ÷ÎüÊÕ×°Öã» £¨2£©¹ýÂË¡¢¼ÆÁ¿µ÷ѹÖÁ¡Ü0.4MPa£¬ÏòʯÃŰÄÁé´¨ÇøÓò¹©Æø£» £¨3£©Ê¹Ê״̬¡¢Î¬ÐÞʱ´úµÈ·Å¿ÕºÍÅÅÎÛ£» |
±¾¹¤³ÌÃÅÕ¾Ö÷Ҫװ±¸°üÀ¨£º×ÔÈ»ÆøÊèÉ¢³ý³¾×°±¸¡¢Çå¹Ü×°ÖúÍÖÖÖÖ·§ÃÅÈô¸É¡£Õ¾³¡Ö÷Òª¹¤ÒÕ×°±¸ÉèÖüû±í4-4¡£
±í4-4 Ö÷Òª¹¤ÒÕ×°±¸ÉèÖÃÒ»ÀÀ±í
|
ÐòºÅ |
ÏîÄ¿ |
µ¥Î» |
ÊýÄ¿ |
±¸×¢ |
|
Ò» |
ÐãÓìÃÅÕ¾ |
|
|
|
|
1 |
Çå¹ÜÆ÷·¢ËÍͲ DN500 |
¾ß |
1 |
·Ç±ê×°±¸£¬PN64,DN500 |
|
2 |
µ÷ѹÆ÷ PN100 |
̨ |
3 |
|
|
3 |
·§ÃÅ |
¸ö |
3 |
DN500 |
|
·§ÃÅ |
¸ö |
11 |
´óÓÚ DN400 ¿Ú¾¶ | |
|
·§ÃÅ |
¸ö |
21 |
СÓÚ DN400 ¿Ú¾¶ | |
|
4 |
Õ¾ÄÚ×ÔÓÃÆøµ÷ѹÇË |
Ì× |
1 |
|
|
5 |
·Å¿Õ×°Öà |
Ì× |
1 |
|
|
6 |
ÎÔʽÊèÉ¢Æ÷Æ÷ |
¾ß |
2 |
·Ç±ê×°±¸£¬PN100£¬DN800 |
|
7 |
¼ÓÈȯ |
Ì× |
1 |
1500kw |
|
8 |
¸ÖÖÆ¹Ü¼þ |
¸ö |
41 |
DN150~DN500 |
|
¸ÖÖÆ¹Ü¼þ |
¸ö |
26 |
СÓÚ DN150 | |
|
9 |
¾øÔµÌÖÂÛ PN100 |
¸ö |
2 |
|
|
10 |
·ÅÉ¢×Ü¹Ü |
Ì× |
1 |
|
|
11 |
°ì¹«¼°ÒÇ±í¿ØÖÆ·¿ |
×ù |
1 |
Ò»Ñùƽ³£ÖÎÀíÖ°Ô±ÉúÑÄ¡¢ÊÂÇé |
|
12 |
Õ¾·¿ |
×ù |
1 |
Öµ°à |
|
¶þ |
ÐãÓì¸ßÖÐѹµ÷ѹվ |
|
|
|
|
1 |
Çå¹ÜÆ÷ÊÕÇòͲ DN500 |
¾ß |
1 |
·Ç±ê×°±¸£¬PN64,DN500 |
|
2 |
µ÷ѹ¼ÆÁ¿·§×é PN64 |
Ì× |
3 |
|
|
3 |
·§ÃÅ |
¸ö |
12 |
DN500 |
|
·§ÃÅ |
¸ö |
19 |
´óÓÚ DN400 ¿Ú¾¶ | |
|
·§ÃÅ |
¸ö |
18 |
СÓÚ DN400 ¿Ú¾¶ | |
|
4 |
Õ¾ÄÚ×ÔÓÃÆøµ÷ѹÇË |
Ì× |
1 |
|
|
5 |
ÎÔʽÊèÉ¢Æ÷Æ÷ |
¾ß |
2 |
·Ç±ê×°±¸£¬PN40£¬DN800 |
|
6 |
¸ÖÖÆ¹Ü¼þ |
¸ö |
25 |
DN150~DN500 |
|
7 |
¸ÖÖÆ¹Ü¼þ |
¸ö |
30 |
СÓÚ DN150 |
|
8 |
¾øÔµÌÖÂÛ PN64 |
¸ö |
1 |
DN500 |
4.1.6 ¹¤³ÌÕ¼µØ¼°²ðǨ
£¨1£©¹¤³ÌÕ¼µØ
ÐãÓìÃÅÕ¾ÓõØÃæ»ý6668.13m2£¬Æ¾Ö¤ÏÖ³¡Ì¤¿±½¨ÉèÔַΪһ¿éåÐÒ££¬²»Éæ¼°ºâÓî²ðǨ¼°ÒÆÃñ°²¶ÙÎÊÌâ¡£¹ÜÏß¹¤³ÌÉæ¼°ÓõØÎªÔÝʱÓõأ¬½ö½Ø¶Ï·§ÊÒ¡¢±ê¼Ç×®¡¢¾¯Ê¾ÅÆÉèÁ¢Õ¼ÓÃÓÀÊÀÕ÷µØ360m2¡£
ÔÝʱʩ¹¤Õ¼µØ°üÀ¨Ê©ÊÂÇéÒµ´ø¡¢Ê©¹¤±ãµÀµÈ£¬ÐèÔÝʱÕ÷ÓÃÍÁµØÔ¼93000m2¡£¹¤³ÌÓõØÇéÐÎÏê¼û±í4-5¡£
±í4-5 ¹¤³ÌÕ¼µØÒ»ÀÀ±í
|
Ãû³Æ |
ÓõØÏîÄ¿ |
µ¥Î» |
ÊýÄ¿ |
Õ¼µØÐÔ×Ó |
±¸×¢ |
|
Õ¾³¡ ·§ÊÒ |
ÐãÓìÃÅÕ¾ |
hm2 |
0.6668 |
ÓÀÊÀ |
ÐÂÕ÷µØ£¬Ö÷ҪΪåÐÒ£ |
|
½Ø¶Ï·§ÊÒ |
hm2 |
0.0144 |
ÓÀÊÀ |
ÐÂÕ÷µØ£¬Ö÷ҪΪũÌï | |
|
Ïß· |
¹ÜµÀÕ÷µØ |
hm2 |
0.0216 |
ÓÀÊÀ |
Èý×®Õ÷µØ |
|
Ê©¹¤Õ÷µØ |
hm2 |
9.3 |
ÔÝʱ |
Ê©ÊÂÇéÒµ´ø¡¢Ê©¹¤±ãµÀµÈ |
£¨2£©²ðǨ
±¾¹¤³Ì²»É漰סÃñºâÓî²ðǨ¡£
4.1.7 ¹«ÓÃÉèÊ©
4.1.7.1 ͨѶ
ÔÚ±¾¹¤³ÌÖУ¬ÃÅÕ¾¡¢µ÷ѹվÉèÖÃÕ¾ÄÚ¼à¿Ø¡¢Êý¾ÝÊÕÂÞ¼°¿ØÖÆÏµÍ³¡£Æ¾Ö¤×ÔÈ»Æø¹ÜµÀÔËË͹¤ÒÕÌØµã£¬ÒÔ¼°Éú²úÔËÐе¥Î»µÄ×Ô¿ØÏµÍ³ÏÖ×´£¬Îª°ü¹ÜÇå¾²¹©Æø£¬½µµÍʹÊʱ×ÔÈ»ÆøµÄ×ß©£¬±¾¹¤³Ì×Ô¿ØÏµÍ³Éè¼Æ½ÓÄÉSCADAϵͳ£¨Supervisory Control And Data Acquisitionϵͳ£¬¼´Êý¾ÝÊÕÂÞÓë¼àÊÓ¿ØÖÆÏµÍ³£©£¬Íê³ÉÕ¾ÄÚÉú²úÔËÐвÎÊýµÄ¼¯ÖÐÊÕÂÞ¡¢¼àÊÓ¡¢±¨¾¯¼°¿ØÖÆ£¬²¢Í¨¹ý×âÓÃÍâµØÍ¨Ñ¶µçÀ£¬ÏòSCADA¿ØÖÆÖÐÐÄ´«Ëͱ¾Õ¾Éú²úÔËÐÐÊý¾Ý¡£
±¾ÏîÄ¿µÄÖ÷ҪͨѶ¹¤³ÌÁ¿Èç±í4-6£º
±í4-6 ͨѶרҵÖ÷Òª¹¤³ÌÁ¿
|
ÐòºÅ |
Ãû³Æ |
ÊýÄ¿ |
|
1 |
×âÓÃÍâµØ¹âÀ |
2Ìõ |
|
2 |
GPRS µ÷ÖÆ½âµ÷Æ÷ |
2̨ |
|
3 |
ÒÆ¶¯µç»° |
40²¿ |
|
4 |
ÐÐÕþ¡¢µ÷Àíµç»° |
8²¿ |
|
5 |
µ÷Àí³Ì¿Ø½»Á÷»ú |
6ÃÅ |
|
6 |
ÊÓÆµ²Ù×÷̨ |
2Ì× |
|
7 |
ÊÓÆµ·þÎñÆ÷ |
2̨ |
|
8 |
ÍøÂç½»Á÷»ú |
2̨ |
|
9 |
ÉãÏñ»ú |
16Ì× |
|
10 |
×âÍâµØÓÐÏßµçÊÓ |
2Ìõ |
|
11 |
52 ´çÒº¾§µçÊÓ |
4̨ |
|
12 |
¶Ô½²ÃÅÁå |
4Ì× |
|
13 |
ºìÍâ¶ÔÉä |
6Ì× |
|
14 |
PDH ¹â¶Ë»ú |
8¶Ô¶Ë |
4.1.7.2 ¹©Åäµç
±¾¹¤³ÌÕ¾³¡Öܱ߾ùÓнÏΪ±ãµ±µÄÊÐÕþµçÍø¾ÓÉ£¬Ë¼Á¿Õ¾ÄÚÓõ縺ºÉ½ÏС£¬10kV µçÍø¾ùÄÜÖª×㸺ºÉÈÝÁ¿ÒªÇ󣬴˴εçÔ´ÄâÒý×ÔÉÏÊöµØÇøÊÐÕþ 10kVµçÍø£¬ÍâÏßÄÉÈëÊÐÕþͳһ½¨Éè¡£½ÓÄÉ 10kV Ïß·¡°T¡±½ÓÖÁÕ¾Í⣬վÍâÉè¸ËÉϱäµçÕ¾ 1×ù×÷ΪÖ÷¹©µçÔ´£¬Õ¾ÄÚÁíÉè 1 Ì¨È¼Æø·¢µç»ú×é×÷Ϊ±¸Óá£
ÐãÓìÃÅÕ¾ÅÌË㸺ºÉΪ33.5kW£¬ÊÓÔÚ¹¦ÂÊΪ43.6kVA£¬Ë¼Á¿Õ¾ÍâÉè60kVA ¸ËÉϱäµçÕ¾ 1 ×ù×÷ΪÖ÷¹©µçÔ´£¬ÁíÉè 1 ̨ 40kW ·¢µç»ú×é×÷Ϊ±¸Óá£ÆäÖб¸ÓÃÈ¼ÆøµçÕ¾ÈÝÁ¿°´Õ¾ÄÚ¹¤ÒÕÉèÊ©Óõ縺ºÉ˼Á¿¡£
ÐãÓìµ÷ѹվ£¨ÓëÐãÓìÃÅÕ¾ºÏ½¨£©ÅÌË㸺ºÉΪ27.7kW£¬ÊÓÔÚ¹¦ÂÊΪ37.05kVA£¬ÓëÐãÓìÃÅÕ¾¹²ÓÃÖ÷¹©µçÔ´£¬ÁíÉè 1 ̨ 30kW ·¢µç»ú×é×÷Ϊ±¸Óá£
±¾¹¤³Ì¹©µç¹¤³ÌÖ÷Òª¹¤³ÌÁ¿Ïê¼û±í4-7¡£
±í4-7 µçÆøÖ÷Òª¹¤³ÌÁ¿±í
|
Õ¾Ãû |
ÇøÓò |
ÖÊÁÏ¡¢×°±¸ |
ÐͺŠ|
µ¥Î» |
ÊýÄ¿ |
|
ÐãÓìÃÅÕ¾ |
Õ¾Íâ |
10kVÏß· |
LGJ-50 |
km |
0.5 |
|
¸ËÉϱäµçÕ¾ 10/0.4kV±äѹÆ÷ |
S11-M-80/10 10/0.4kV 60kVA |
×ù |
1 | ||
|
Õ¾ÄÚ |
·¢µç»ú×é |
40kW |
̨ |
1 | |
|
µÍѹÅäµç¹ñ |
³éÌëʽ |
Ãæ |
2 | ||
|
ÕÕÃ÷ÅäµçÏä |
VU24B |
Ãæ |
3 | ||
|
·À±¬ÅäµçÏä |
/ |
Ãæ |
1 | ||
|
UPS |
10kVA |
Ì× |
1 | ||
| 10kVÏß· |
LGJ-50 |
km |
1 | ||
|
ÐãÓì¸ßÖÐѹµ÷ѹվ£¨ÓëÐãÓìÃÅÕ¾ºÏ½¨£© |
Õ¾ÄÚ |
·¢µç»ú×é |
30kW |
̨ |
1 |
|
µÍѹÅäµç¹ñ |
³éÌëʽ |
Ãæ |
2 | ||
|
ÕÕÃ÷ÅäµçÏä |
VU24B |
Ãæ |
3 | ||
|
·À±¬ÅäµçÏä |
/ |
Ãæ |
1 | ||
|
UPS |
10kVA |
Ì× |
1 | ||
| 10kVÏß· |
LGJ-50 |
km |
0.5 |
4.1.7.3 ¸øÅÅË®
¢Ù¸øË®
±¾¹¤³ÌÓÃË®Ö÷ҪΪվ³¡ÉúÑÄÓÃË®£¬ÂÌ»¯ÓÃË®£»ÐãÓìÃÅÕ¾ÓÃË®ÓÉÖÜΧµÄÊÐÕþ¹ÜÏß½ÓÈ롣ˮÖÊÇкϹú¼Ò±ê×¼¡¶ÉúÑÄÒûÓÃË®ÎÀÉú±ê×¼¡·£¨GB 5749-2006£©µÄ»®¶¨¡£
¢ÚÅÅË®
Õ¾ÄÚÎÛË®Ö÷ҪΪÉúÑÄÎÛË®£¬Õ¾ÄÚÉúÑÄÎÛˮͨ¹ý»¯·à³Ø´¦Öóͷ£ºó£¬³öˮˮÖʵִÎÛË®×ÛºÏÅŷűê×¼¡·£¨GB8978-1996£©±í 4ÖÐÈý¼¶±ê×¼£¬°±µª¡¢×ÜÁ×Öª×ã¡¶ÎÛË®ÅÅÈë³ÇÕòÏÂË®µÀË®Öʱê×¼¡·£¨CJ343-2010£©±í1µÄBÆ·¼¶±ê×¼£¬Í¨¹ý½ÓÊܽøÈëÍûɽ·ÊÐÕþÎÛË®¹ÜÍø£¬ÓêË®¿ÉÂÌ»¯½½È÷»òÍâÅÅ¡£
4.1.7.4 Ïû·À
ÒÀ¾Ý¡¶Ê¯ÓÍ×ÔÈ»Æø¹¤³ÌÉè¼Æ·À»ð¹æ·¶¡·£¨GB 50183-2004£©»®¶¨£¬ÐãÓìÃÅÕ¾¡¢ÐãÓì¸ßÖÐѹµ÷ѹվΪÎå¼¶Õ¾³¡£¬¿É²»ÉèÏû·À¸øË®ÉèÊ©£¬½öÉèÖÃÒ»¶¨ÃüÄ¿µÄСÐÍÒÆ¶¯Ê½Ãð»ðÆ÷ÒÔɱ¾ø³õÆÚ»ðÔÖºÍСÐÍ»ðÔÖ²¢ÒÀÍÐλÓÚÐãÓìÇøóËʯÕòËÄдåµÄÐãÓìÇø¹«°²Ïû·À´ó¶Ó¾ÙÐÐÏû·ÀÊØÎÀ¡£
ÒÀ¾Ý¡¶ÐÞ½¨Ãð»ðÆ÷ÉèÖÃÉè¼Æ¹æ·¶¡·£¨GB50140-2005£©»®¶¨£¬±¾¹¤³Ì¸÷վΪÖÐΣÏÕ¼¶£¬»ðÔÖÀàÐÍΪ A¡¢C¡¢E Àà¡£Õ¾ÇøÄÚÖ÷ÒªÉèÖÃËùÔÚΪ¹¤ÒÕ¼ÆÁ¿Çø¡¢×°ÖÃÇø¡¢¸¨ÖúÉú²úÇøÒÔ¼°ÉúÑÄÇøµÈ£¬ÉèÖÃËùÔÚ¼°ÊýÄ¿¼û±í4-8¡£
±í4-8 Õ¾ÄÚÃð»ðÆ÷ÉèÖÃÒ»ÀÀ±í
|
Õ¾Ãû |
ÉèÖó¡ºÏ |
¹æ¸ñ¼°ÐͺŠ|
ÊýÄ¿ |
|
ÐãÓìÃÅÕ¾ |
¹¤ÒÕÇø |
4 ¾ß | |
|
MFT/ABC20 |
2 ¾ß | ||
|
Åäµç·¿ |
MF/ABC4 |
6 ¾ß | |
|
×ÛºÏÂ¥ |
MF/ABC4 |
20 ¾ß | |
|
ÐãÓì¸ßÖÐѹµ÷ѹվ |
¹¤ÒÕÇø |
MF/ABC8 |
4 ¾ß |
|
MFT/ABC20 |
2¾ß |
4.1.8 ÀͶ¯¶¨Ô±¼°ÊÂÇéÖÆ¶È
Ö°Ô±ÌåÀýֻ˼Á¿Õ¾³¡ÊÂÇéÖ°Ô±¡£ÉϰàʵÑéÈý°àÁ½µ¹ÖÆ£¬ÌìÌìÊÂÇé8Сʱ£¬ÕûÄêËêÇé365Ì죬²¢Æ¾Ö¤¡¶ÀͶ¯·¨¡·»®¶¨µÄÀͶ¯Ê±¼äÀ´ÉèÖÃÖ°Ô±¡£×ÛºÏÅÌË㣬±¾ÏîĿְԱÌåÀýΪ8ÈË£¬ÆäÖÐÓÐ4ÈËΪֵ°àÖ°Ô±£¬ÆÜÉíÔÚÕ¾³¡ÄÚ¡£
4.1.9 ¹¤³ÌͶ×ʼ°Ö÷ÒªÊÖÒÕ¾¼ÃÖ¸±ê
±¾¹¤³ÌͶ×ʹÀËã×ܶîΪ19853.56 ÍòÔª£¬Ö÷Òª¾¼ÃÊÖÒÕÖ¸±êÏê¼û±í4-9¡£
±í4-9 Ö÷ÒªÊÖÒÕ¾¼ÃÖ¸±ê
|
ÐòºÅ |
ÏîÄ¿Ãû³Æ |
µ¥Î» |
Ò»¡¢¸ßѹÊäÆøÏµÍ³ |
¶þ¡¢ÖÐѹϵͳ¹ÜÏß |
С¼Æ | |
|
ÐãÓìÃÅÕ¾Óë¸ßÖÐѹµ÷ѹվºÏ½¨Õ¾ |
¸ßѹϵͳ¹ÜÏߣ¨º¬½üÆÚºÍÖÐÆÚ¸ßѹ¹ÜµÀ£© | |||||
|
Ò» |
½¨ÉèͶ×Ê |
ÍòÔª |
3901.15 |
4155.82 |
10806.06 |
|
|
¹¤³ÌÓÃ¶È |
ÍòÔª |
2176.27 |
3409.36 |
9284.09 |
14869.72 | |
|
1.1 |
ÐÞ½¨¹¤³Ì·Ñ |
ÍòÔª |
1709.68 |
1022.81 |
2785.23 |
5517.72 |
|
1.2 |
×°±¸¼°¹¤Óþ߹ºÖÃ·Ñ |
ÍòÔª |
373.27 |
954.62 |
2599.54 |
3927.44 |
|
1.3 |
×°Öù¤³Ì·Ñ |
ÍòÔª |
373.27 |
1431.93 |
3899.32 |
5424.56 |
|
2 |
¹¤³Ì½¨ÉèÆäËûÓÃ¶È |
ÍòÔª |
1539.12 |
548.57 |
1007.40 |
3095.09 |
|
2.1 |
½¨ÉèÓõطѣ¨ÍÁµØ¹ºÖ÷ѣ© |
ÍòÔª |
1219.75 |
0 |
0 |
1219.75 |
|
2.2 |
½¨É赥λÖÎÀí·Ñ |
ÍòÔª |
37.86 |
65.02 |
120.53 |
223.41 |
|
2.3 |
Éè¼Æ·Ñ |
ÍòÔª |
47.32 |
81.27 |
149.81 |
278.40 |
|
2.4 |
¼àÀí·Ñ |
ÍòÔª |
25.24 |
43.34 |
79.89 |
148.47 |
|
2.5 |
ÀͶ¯Çå¾²ÎÀÉú·Ñ |
ÍòÔª |
20.81 |
35.76 |
65.91 |
122.48 |
|
2.6 |
ÇéÐα£»¤·Ñ |
ÍòÔª |
109.62 |
188.26 |
344.43 |
642.31 |
|
2.7 |
Éú²ú×¼±¸¼°¿ª°ì·Ñ |
ÍòÔª |
39.74 |
68.27 |
124.91 |
232.92 |
|
2.8 |
ÍŽáÊÔÔËת·Ñ |
ÍòÔª |
23.65 |
40.64 |
74.34 |
138.63 |
|
2.9 |
ÆäËû |
ÍòÔª |
15.13 |
26.01 |
47.58 |
88.72 |
|
3 |
×¼±¸·Ñ |
ÍòÔª |
185.76 |
197.89 |
514.57 |
898.22 |
|
3.1 |
»ù±¾×¼±¸·Ñ |
ÍòÔª |
185.76 |
197.89 |
514.57 |
898.22 |
|
3.2 |
ÕǼÛ×¼±¸·Ñ |
ÍòÔª |
|
|
|
0 |
|
¶þ |
½¨ÉèÆÚ´û¿îÀûÏ¢ |
ÍòÔª |
|
|
|
790.53 |
|
Èý |
ÆÌµ×Á÷¶¯×ʽð |
ÍòÔª |
|
|
|
200.00 |
|
ËÄ |
ÏîÄ¿×ÜͶ×Ê £¨Ò»+¶þ+Èý£© |
ÍòÔª |
|
|
|
|
4.1.10 ÏîÄ¿×ÜÆ½Ãæ½á¹¹
ÊúÏòÉè¼ÆÆ¾Ö¤Õ¾ÍâÊÐÕþÉèÊ©µÄÇéÐΣ¬Õ¾³¡ÊúÏò°´Æ½ÆÂʽÉè¼Æ£¬Ô°µØ×îСÆÂ¶È°´ 0.3¡«0.5%˼Á¿¡£Õ¾Äڽṹ×ÛºÏÂ¥¡¢Åäµç·¿¡¢ÃÅÎÀ¡¢µ÷Ñ¹Çø¡¢¼¯ÖзÅÉ¢¹ÜµÈ£»Ïê¼û¸½Í¼4¡£
4.2 ¹¤ÒÕÁ÷³ÌÓë²úÎÛ»·½Ú
4.2.1 Ê©¹¤ÆÚ¹¤ÒÕÁ÷³Ì
Ä⽨¹ÜµÀ¹¤³ÌÊ©¹¤·ÖΪÏß·ʩ¹¤ºÍÕ¾³¡Ê©¹¤¡£
Ïß·¹¤³Ì£ºÊ©¹¤Àú³ÌÒÀ´Î°üÀ¨×÷Òµ´øÕûÀí¡¢Ê©¹¤±ãµÀÐÞÖþ¡¢¹Ü¹µ¿ªÍÚ¡¢´©Ô½¹¤³Ì¡¢¹ÜµÀº¸½Ó·À¸¯¡¢Ï¹ÜÈë¹µ£¬È»ºó¹ÜµÀ¾ÙÐÐÊÔѹ¡¢Çåɨ¸²ÍÁ»ØÌÕûÀí×÷ÒµÏÖ³¡£¬»Ö¸´µØÃ²¡£Ïß·¹¤³ÌÖ÷Ҫʩ¹¤Á÷³Ì¼òͼ¼°²úÎÛ½Úµã¼ûͼ4-1£º

½¨É蹤ÒÕÕ¾³¡Ê±£¬Ê×ÏÈÕûÀíÔ°µØ£¬È»ºó×°Öù¤ÒÕ×°Ö㬽¨ÉèÏìÓ¦µÄ¸¨ÖúÉèÊ©£¬²¢¶Ô¹ÜµÀÊÔѹ¡¢Çåɨ¸²ÍÁ»ØÌîÕûÀí×÷ÒµÏÖ³¡£¬»Ö¸´µØÃ²£¬¶ÔÕ¾³¡¾ÙÐÐÂÌ»¯¡£Õ¾³¡¹¤³ÌÖ÷Ҫʩ¹¤Á÷³Ì¼òͼ¼°²úÎÛ½Úµã¼ûͼ4-2£º

ͼ4-2 Õ¾³¡Ê©¹¤ÆÚ¹¤ÒÕÁ÷³Ì¼°²úÎÛʾÒâͼ
4.2.2 ÓªÔËÆÚ¹¤ÒÕÁ÷³Ì
±¾¹¤³ÌÊ䯸¹ÜµÀÔËË͵ĽéÖÊΪ×ÔÈ»Æø£¬Òò¶øÖ÷ÒªµÄÎÛȾԴΪʹÊ״̬·Å¿ÕµÄ×ÔÈ»Æø¡£ÃÅÕ¾¹¤ÒÕÁ÷³Ì¼òͼ¼°²úÎÛ»·½ÚʾÒâͼ¼ûͼ4-3£º
4.2.3 ÏîĿˮƽºâ
Ë®Á¿Æ½ºâÆÊÎöÈçͼ4-4£º£¨µ¥Î»£ºt/a£¬°´ÅÅÎÛϵÊý0.8¼Æ£©

ͼ4-4 ÏîÄ¿ÓÃˮƽºâͼ
4.3 Ê©¹¤ÆÚÎÛȾԴ¼°ÎÛȾÎﱬ·¢ÇéÐÎ
Ê©¹¤ÆÚµÄÇéÐÎÎÛȾÒòËØ»òÓ°ÏìÒòËØÖ÷ÒªÊÇÊ©¹¤´øÕûÀí¡¢ÐÞÖþÊ©¹¤±ãµÀ¡¢Ê©¹¤»úе¡¢³µÁ¾ºÍÖ°Ô±õåõïµÈÔ˶¯¶ÔÍÁÈÀµÄÈŶ¯ºÍÆÆËð¡£¹¤³ÌÔÝʱºÍÓÀÊÀÕ¼µØ¶ÔÍÁµØÊ¹ÓÃÀàÐÍÒÔ¼°¶ÔũҵÉú²ú±¬·¢Ò»¶¨Ó°Ï죻±¾¹¤³ÌǰÆÚ´¦Öóͷ£ÊÂÇé½ÏÁ¿ÇáËÉ£¬Ô°µØÕûƽ¼´¿ÉÊ©¹¤£¬¶ÔÍÁÈÀºÍÖ²ÎïÏÕЩûÓÐÆÆË𣬵«Ê©¹¤Ê±´ú±¬·¢ÁË·ÏÆø¡¢·ÏË®¡¢¹ÌÌå·ÅÆúÎïÒÔ¼°ÔëÉùµÈÎÛȾ¡£
4.3.1 Éú̬ÇéÐÎ
ÐãÓìÃÅÕ¾½¨ÓÚLNG¹¤ÒµÔ°±¸Óõأ¬Ô°ÄÚÖ²±»½ÏÉÙ£¬ÖÜΧÏêϸÇéÐμû¸½Í¼3¡£±¾Õ¾³¡µÄ½¨Éè¶ÔÖÜΧµÄÍÁÈÀ¡¢Ö²±»µÈÉú̬ÇéÐÎÓ°Ïì½ÏС¡£
Ïß·¹¤³ÌÑØÏß;¾¶Å©Ìï¡¢¶¼»á½¨³ÉÇø¡¢×¡ÃñµãµÈ£¬¹¤³ÌÊ©¹¤Ê±ÍÚ·½¡¢Ìî·½¾ù»áÔì³ÉË®ÍÁÁ÷ʧ¡£Ê©¹¤Àú³ÌÖеĿªÍÚ¡¢Ìî·½£¬¶¼»áʹÍÁÈÀÆÊÃæÔâµ½ÆÆËð£¬ÌîÂñʱ²»¿ÉÍêÈ«»Ö»Ø¸´×´£¬Ê¹ÍÁÈÀÕý³£·¢ÓýÊܵ½Ó°Ï죬ÁíÍâÊ©¹¤ÖжÔ×÷Òµ´øµÄƽÕû¡¢³µÁ¾»úеְԱõåõïÒ²¶Ô¹ÜµÀÖÜΧµÄµØ±íÖ²±»ºÍÅ©ÌïÍÁÈÀ½á¹¹±¬·¢ÆÆË𣬴Ӷø¶ÔÇéÐνṹҲ±¬·¢²»Á¼Ó°Ïì¡£
4.3.2 Éú²ú·ÏË®
Ê©¹¤Ê±´úµÄÉú²ú·ÏË®Ö÷ÒªÊÇ»úеװ±¸³åÏ´º¬ÓÍ·ÏË®¡¢¹ÜµÀÊÔѹ·ÏË®¡£
Ê©ÊÂÇéÒµÀú³ÌÖгåÏ´¡¢½þÅÝÒçÁ÷µÈÐγɵÄÊ©¹¤ÎÛË®¡£Ê©¹¤·ÏË®Á¿ÓëÊ©¹¤×°±¸µÄÊýÄ¿¡¢¹¤³ÌÁ¿ÓÐÖ±½Ó¹ØÏµ¡£Àà±ÈͬÀàÐÍÏîÄ¿µÄÊ©¹¤Ô°µØ£¬Ê©¹¤×°±¸¼°³µÁ¾µÄ³åÏ´ÓÃˮԼ8m3/d£¬±¬·¢µÄ·ÏË®Á¿°´80%¼Æ£¬Îª6.4m3/d£¬ÆäÖк¬ÓÐʯÓÍÀàÎÛȾÎïºÍ´ó×ÚÐü¸¡ÎSSԼΪ1000¡«6000mg/L£¬Ê¯ÓÍÀàԼΪ15mg/L¡£Õâ¹É·ÏË®¿É¾³Áµí³ØÐõÄý¡¢³Áµí´¦Öóͷ£ºóÓÃÓÚÊ©¹¤Ô°µØ¼°õè¾¶µÄÈ÷Ë®£¬²»¹ýÅÅ¡£
¹ÜµÀÆÌÉèÍê³ÉºóÐèÒª½ÓÄÉÇå½àË®×÷Ϊ½éÖʾÙÐйܵÀÊÔѹ£¬¹ÜµÀÊÔѹһÑùƽ³£¾ÙÐзֶÎÊÔѹ£¬ÓÃË®Á¿ÓëÊ©¹¤¹ÜµÀµÄ³¤¶È¡¢¹Ü¾¶µÈÓйأ¬Ò»Ñùƽ³£Æ¾Ö¤²»´óÓÚ30kmÒ»¶Î·Ö¶ÎÊÔѹ¡£
±¾¹¤³Ì¹Ü¾¶²î±ð½Ï´ó£¬¹Ü¾¶DN500¸ßѹ¹ÜµÀ£¬Ã¿¹«ÀïÔ¼ÓÃË®196.3m3£¬¹Ü¾¶DN300ÖÐѹ¹ÜµÀ£¬Ã¿¹«ÀïÔ¼ÓÃË®70.7m3£¬¹Ü¾¶DN200ÖÐѹ¹ÜµÀ£¬Ã¿¹«ÀïÔ¼ÓÃË®31.4m3¡£±¾¹¤³Ì´ý½¨Ê䯸¹ÜµÀ³¤466km£¬°´±ÈÀýÅÌË㣬±¾¹¤³ÌÊÔѹˮÁ¿Ô¼Îª944.4m3¡£ÊÔѹÓÃˮһÑùƽ³£Îª×ÔÀ´Ë®£¬ÒòËùÓùܵÀ¾ùΪйܣ¬·ÏË®ÖÐSS Ũ¶ÈµÍÓÚ100mg/L¡£ÊÔѹºóÅÅˮˮÖʳýSS ÓÐËùÔöÌíÍ⣬ÆäËû»ù±¾ÉÏ䱬·¢×ª±ä£¬¾³Áµíºó¿ÉÅÅÈëÖÜΧ¹µÇþ¶ÔÅ©Ìï¾ÙÐн½¹à£¬²»»á¶ÔµØ±íË®ÌåË®ÖÊÔì³ÉÎÛȾ¡£
4.3.3 ÉúÑÄ·ÏË®
Ê©¹¤Ê±´úÊ©¹¤Ö°Ô±±¬·¢Ò»¶¨Á¿ÉúÑÄ·ÏË®£¬ÏîÄ¿·óÉè²»Éæ¼°Ê©¹¤ÓªµØ£¬ÉúÑÄ·ÏË®ÒÀÍÐÖܱßסÃñµãÏÖÓÐÉúÑÄ·ÏË®´¦Öóͷ£ÉèÊ©¡£×ÔÈ»Æø¹ÜµÀ·óÉèÒ»Ñùƽ³£·Ö±ê¶Î¾ÙÐУ¬×îΪ¼¯Öбê¶ÎµÄÊ©¹¤Ö°Ô±Ô¼Îª40 ÈË£¬°´Ã¿ÈËÌìÌìÓÃË®¶¨¶î50L¼Æ£¬ÓÃË®Á¿2m3/d£¬ÉúÑÄÓÃË®ÅÅ·ÅϵÊýΪ0.8£¬ÔòÉúÑÄÎÛË®ÅÅ·ÅÁ¿Îª1.6m3/d£¬Ö÷ÒªÎÛȾÎïΪSS¡¢COD¡¢BOD5¡¢NH3-N¡¢¶¯Ö²ÎïÓÍ¡¢×ÜÁס£Àà±È×ÊÁÏ¿ÉÖª£¬ÎÛË®ÖÐÖ÷ÒªÎÛȾÎïŨ¶ÈΪSS220mg/L¡¢COD421mg/L¡¢BOD5177mg/L¡¢°±µª45mg/L¡¢¶¯Ö²ÎïÓÍ8mg/L¡¢×ÜÁ×5mg/L¡£¾ÅÌË㣬SS±¬·¢Á¿0.352kg/d£»COD±¬·¢Á¿0.6736kg/d£»BOD5±¬·¢Á¿0.2832kg/d £»NH3-N±¬·¢Á¿0.072kg/d£»¶¯Ö²ÎïÓÍ ±¬·¢Á¿0.0128kg/d£»×ÜÁ×±¬·¢Á¿0.008kg/d¡£
4.3.4 Ê©¹¤·ÏÆø
Ê©¹¤·ÏÆøÈªÔ´ÓÚÊ©¹¤Ñï³¾£»Ê©¹¤»úе£¨²ñÓÍ»ú£©ÅŷŵÄÑÌÆø£»Õ¾³¡×°ÐÞ·ÏÆø¡£
Ê©¹¤Ñï³¾ÊDZ¾ÏîĿʩ¹¤Ê±±¬·¢µÄÖ÷Òª´óÆøÎÛȾÎÑï³¾ÅÅ·Å·½·¨Ö÷ҪΪÎÞ×éÖ¯¼äЪÐÔÅÅ·Å£¬Æä±¬·¢Á¿ÊÜ·çÏò¡¢·çËÙºÍ¿ÕÆøÊª¶ÈµÈÆøÏóÌõ¼þµÄÓ°Ï죬Ö÷ҪȪԴÓÚ£ºaÔ°µØÆ½Õû¡¢ÍÁʯ·½ÇåÍÚÀú³ÌµÄµØÃæÑï³¾£»bÐÞ½¨ÎïÁ϶ѷš¢×°Ð¶Àú³Ì±¬·¢µÄÑï³¾£»cÐÞ½¨ÖÊÁÏÔËÊäÀú³Ì±¬·¢µÄÑï³¾¡£
Ê©¹¤»úе£¨²ñÓÍ»ú£©ÅŷŵÄÑÌÆø£ºÖ÷ÒªÊDzñÓÍȼÉÕÅŷŵÄÎ²Æø£¬ÔÚ±¾¹¤³Ì¶¨Ïò×êºÍ¶¥¹Ü´©Ô½µÈ´óÐÍ»úеʩ¹¤ÖУ¬ÓÉÓÚʹÓòñÓÍ»úµÈ×°±¸£¬½«±¬·¢SO2¡¢NO2 µÈÎÛȾÎï¡£ÓÉÓÚ·ÏÓîÁ¿½ÏС£¬ÇÒÊ©¹¤µãÀëÃô¸Ðµã½ÏÔ¶£¬ÓÐÀûÓÚ¿ÕÆøµÄÀ©É¢£¬Í¬Ê±·ÏÆøÎÛȾԴ¾ßÓмäЪÐÔºÍÁ÷¶¯ÐÔ£¬Òò´Ë¶ÔÊ©¹¤ÇøÓòµÄÇéÐÎ¿ÕÆøÖÊÁ¿µÄÓ°Ïì½ÏС¡£
ÏîĿվ³¡½¨ÉèÍê³ÉºóÐè¾ÙÐÐÄÚ²¿×°ÐÞ£¬Ê©¹¤Àú³ÌÖб¬·¢µÄ·ÏÆøÖ÷ÒªÓÐÓÍÆá¡¢Í¿ÁÏ·ÏÆøºÍ×°ÐÞ·Û³¾£¬ÓÍÆáµÄÓлúÈܼÁÖ÷Òª³É·ÝÓж¡´¼¡¢±ûͪ¡¢Èý±½µÈµÈ£¬»Ó·¢Ê±¼äÖ÷Òª¼¯ÖÐÔÚ×°ÐÞ½×¶ÎÒ»¸öÔÂÒÔÄÚ¡£
4.3.5 Ê©¹¤ÔëÉù
±¾¹¤³ÌʹÓõĻúеÖ÷ÒªÓÐÍÚ¾ò»ú¡¢ÍÆÍÁ»ú¡¢ÂÖÊ½×°ÔØ»ú¡¢¿¨³µ¡¢Òƶ¯Ê½µõ³µµÈ¡£Ê©¹¤ÆÚÔëÉùÖ÷ÒªÊÇÊ©¹¤ÏÖ³¡µÄÖÖÖÖ»úеװ±¸×÷ÒµÔëÉù¡£
±í4-11 µ¥Ì¨×°±¸5m´¦ÔëÉùÇ¿¶È±í
|
ÐòºÅ |
»úеÃû³Æ |
¾àÀ루m£© |
ÔëÉùÖµdB |
|
1 |
×°ÔØ»ú |
90 | |
|
2 |
¶ÑÍÁ»ú |
5 |
86 |
|
3 |
ÍÚ¾ò»ú |
5 |
84 |
|
4 |
¿¨³µ |
5 |
89 |
|
5 |
ÒÆ¶¯Ê½µõ³µ |
5 |
86 |
4.3.6 ¹ÌÌå·ÅÆúÎï
Ê©¹¤Ö°Ô±µÄÉúÑÄÀ¬»øºÍ½¨ÉèÀú³Ì±¬·¢µÄÐÞ½¨À¬»øµÈ¡£
ÐÞ½¨À¬»ø£º±¾ÏîĿʩ¹¤Àú³Ì±¬·¢µÄÐÞ½¨À¬»øµÄ³É·ÝÖ÷ÒªÊÇһЩËéɰʯ¡¢×©¡¢»ìÄýÍÁµÈ¡£ÏîÄ¿×ÜÐÞ½¨Ãæ»ýΪ1080m2£¬°´Ã¿Æ½·½Ã×Ëù±¬·¢µÄÐÞ½¨À¬»øÎª2kgÅÌË㣬ÔòÊ©¹¤ÆÚ¹²±¬·¢ÐÞ½¨À¬»øÔ¼Îª2.16t¡£Ïß·¹¤³ÌÊ©¹¤Ê±´ú±¬·¢ÍÁ·½Á¿Ô¼52.555Íòm3£¬¾ÝÒµÖ÷µ¥Î»ÏÈÈÝ£¬¸Ã²¿·ÖÍÁ·½»áËæ¹Ü»ØÌÍÁ·½Äܾ͵ØÌ¯Æ½ÔÚ¹ÜÏßÕ¼µØ¹æÄ£ÄÚ£¬ÍÁʯ·½µ÷ÅäºÏÀí£¬Äܹ»»ù±¾×öµ½¹¤³ÌÄÚ²¿µÄÍÚÌîÆ½ºâ¡£¹¤³ÌÊ©¹¤²»±£´æÆúÍÁ¡£
ÉúÑÄÀ¬»ø£ºÊ©¹¤ÆÚÉúÑÄÀ¬»øÒÔÓлúÀà·ÏÎïΪÖ÷£¬ÆäÒòËØÎªÒ×À¹Þ¡¢¿óȪˮƿ¡¢ËÜÁÏ´ü¡¢Ò»´ÎÐÔ·¹ºÐ¡¢Ê£ÓàʳÎïµÈ¡£Ê©¹¤Àú³ÌÖÐá¯ÁëÆÚÊ©¹¤Ö°Ô±Ô¼40ÈË£¬ÉúÑÄÀ¬»ø±¬·¢Á¿Îª0.5kg/ÈË¡¤d£¬ÔòÊ©¹¤Ö°Ô±±¬·¢µÄÉúÑĹÌÌåÀ¬»øÁ¿Îª20kg/d¡£
4.4 ÔËÓªÆÚÎÛȾԴ¼°ÎÛȾÎﱬ·¢ÇéÐÎ
±¾¹¤³ÌÔËË͵ĽéÖÊΪ×ÔÈ»Æø£¬Òò¶øÉú²úÀú³ÌÎÛȾԴΪʹÊ״̬·Å¿ÕµÄ×ÔÈ»Æø¡£Ö÷ÒªÎÛȾԴºÍÎÛȾÎïÈçÏ£º
4.4.1 ´óÆøÎÛȾÎï
ÏîÄ¿ÔÚÕý³£¹¤¿öÏ£¬ÎÞ·ÏÆøÍâÅÅ¡£·ÇÕý³£¹¤¿öʱ±¬·¢µÄ·ÏÆøÖ÷ÒªÊÇʹÊ״̬ºÍÄ¥Á·Ê±ÅŷŵÄÉÙÁ¿×ÔÈ»ÆøÒÔ¼°¼Ó³ôϵͳ±¬·¢µÄ³ôÆø¡£
·ÇÕý³£¹¤¿öʱ£¬ÏµÍ³³¬Ñ¹ºÍÕ¾³¡Ä¥Á·Ê±×ÔÈ»Æø¾·Å¿Õ¹ÜÅÅÈë´óÆø¡£±¾ÏîÄ¿·ÅÉ¢ÅŷŵÄ×ÔÈ»ÆøÐγɵķǼ×Íé×ÜÌþŨ¶ÈÔöÖµ½ÏС£¬ÇÐºÏÆÀ¼Û±ê×¼µÄÒªÇ󣬶ÔÃô¸ÐµãµÄÓ°ÏìÒ²½ÏС£¬Öª×ãÆÀ¼Û±ê×¼µÄÒªÇ󣬶ÔÖÜΧ´óÆøÇéÐÎÓ°Ïì½ÏС¡£
4-12 ·ÏÆøÖ÷ÒªÎÛȾÎï¼°ÎÛȾԴ
|
·ÏÆøÎÛȾԴ |
ÅÅ·ÅÁ¿ |
Ö÷ÒªÎÛȾÎï |
±¸×¢ |
|
Çå¹Ü×÷Òµ ÊèÉ¢Æ÷Ä¥Á· |
¼¸Á¢·½Ã×ÖÁ¼¸Ê®Á¢·½Ã××ÔÈ»Æø |
·Ç¼×Íé×ÜÌþ |
±¾¹¤³Ì¹ÀËãÒ»´ÎÇå¹ÜÅÅ·Å50m³£¬1~3´Î/a |
|
³¬Ñ¹ÅÅ·Å |
¡Ü1.2Íòm³/h×ÔÈ»Æø |
·Ç¼×Íé×ÜÌþ |
1~2´Î/a£¬2~5min/´Î |
ÐãÓìÃÅÕ¾¼Ó³ô×°ÖýÓÄɵç´ÅÇý¶¯µÄ¸ôĤʽÖùÈû¼ÆÁ¿±Ã£¬ÄܺܺõıÜÃâ¼Ó³ô¼Á×ß©£¬²¢ÇÒÏîÄ¿ËùÑ¡Óõļӳô¼ÁËÄÇâàç·Ô¾ßÓп¹Ñõ»¯ÐÔÇ¿¡¢»¯Ñ§ÐÔ×ÓÎȹ̡¢ÆøÏ¢´æÁô³¤ÆÚ¡¢È¼ÉÕºóÎÞ²ÐÁôÎï¡¢²»ÎÛȾÇéÐΡ¢Ìí¼ÓÁ¿ÉÙ¡¢ÇÖÊ´ÐÔСµÄÌØµã¡£×ÔÈ»Æøµ÷ѹ¼ÆÁ¿ºó¾ÙÐмӳô´¦Öóͷ££¬Òò´Ë£¬ÅŷŵÄ×ÔÈ»Æø»¹¿ÉÄÜÒýÆð¶ñ³ôÎÊÌâ¡£Õý³£¹¤¿öÏ£¬¼Ó³ôϵͳΪȫÏ߹رգ¬²»»áÓгôÆøÅÅ·Å£¬ÔÚ·ÇÕý³£¹¤¿öÈçÄ¥Á·Ê±ÅŷŵÄ×ÔÈ»Æø»áÓÐ΢Á¿³ôÆøÅÅ·Å¡£
4.4.2 Ë®ÎÛȾÎï
Ë®ÎÛȾÖ÷ÒªÀ´Ô±¹¤ÉúÑÄÎÛË®¡£
Õ¾³¡ÊÂÇéÖ°Ô±ÉÙ£¬ËùÓÐÖ°Ô±×ÜÊýΪ8ÈË£¬ÆäÖÐ4ÈËÖµ°àסÔÚÕ¾³¡ÄÚ¡£ÄÇô4ÈËδÆÜÉíÔÚÕ¾³¡ÄÚµÄÔ±¹¤ÉúÑÄÓÃË®Á¿°´50L/ÈË¡¤d£¬ÎÛË®ÅÅ·ÅÁ¿°´ÓÃË®Á¿µÄ80%ÅÌË㣬4ÈËÆÜÉíÔÚÕ¾³¡ÄÚµÄÔ±¹¤ÉúÑÄÓÃË®Á¿°´150L/ÈË¡¤d£¬ÎÛË®ÅÅ·ÅÁ¿°´ÓÃË®Á¿µÄ80%ÅÌË㣬ÔòÊÂÇéÖ°Ô±ÓÃË®Á¿Îª0.8m3/d£¬·ÏË®Á¿Îª0.64m3/d¡£
Ô°µØ×ÜÓõØÃæ»ý6668.13m2£¬ÂÌ»¯ÂÊ53.91%£¬ÂÌ»¯Ãæ»ýԼΪ3594.02m2£¬Ã¿Æ½·½Ã×ÓÃË®2L£¬Ã¿ÔÂÈ÷Ë®4´Î£¬¿ÉÒÔÅÌËã³öÿÄêÂÌ»¯ÓÃˮԼΪ345.03m3¡£
δԤ¼ûÓÃË®£º¸Ã²¿·ÖÓÃË®Á¿ÎªÒÔÉÏÓÃË®Á¿µÄ10%£¬ÓÃË®Á¿Îª0.8m3/d£¬·ÏË®ÅÅ·ÅÁ¿Îª0.64m3/d¡£
±¾ÏîÄ¿¹¤ÒÕ×°ÖüòÆÓ£¬ÇÒÉú²úÀú³ÌÎÞÉú²ú·ÏË®¡£Õ¾³¡ÔËÓªÆÚ·ÏˮΪÉúÑÄ·ÏË®£¬ÏîÄ¿ÎÛË®ÖÐË®Öʼ°Ô´Ç¿ÅÅ·ÅÇéÐμû±í4-13¡£
±í4-13 ÔËÓªÆÚÎÛˮˮÖʼ°ÎÛȾÎïÔ´Ç¿ÇéÐαí
|
·ÏË®ÀàÐÍ |
ÎÛË® ÅÅ·ÅÁ¿ |
ÎÛȾÎï |
CODcr |
BOD5 |
SS |
NH3-N |
¶¯Ö² ÎïÓÍ |
×ÜÁ× |
|
ÉúÑÄ·ÏË® |
466.85t/a |
Õ¹Íû±¬·¢Å¨¶È£¨mg/L£© |
421 |
220 |
177 |
45 |
8 |
5 |
|
Õ¹Íû±¬·¢Á¿£¨t/a£© |
0.1965 |
0.0826 |
0.1027 |
0.0210 |
0.0037 |
0.0023 | ||
|
»¯·à³Ø³ö¿Ú |
466.85t/a |
Õ¹Íû±¬·¢Å¨¶È£¨mg/L£© |
243.84 |
118.94 |
32.64 |
44.16 |
0.16 |
5 |
|
Õ¹Íû±¬·¢Á¿£¨t/a£© |
0.1179 |
0.0578 |
0.0719 |
0.0204 |
0.0033 |
0.0023 | ||
|
»¯·à³ØÏ÷¼õÁ¿ |
0.0786 |
0.0248 |
0.0308 |
0.0006 |
0.0005 |
0.0000 | ||
4.4.3 ÔëÉùÎÛȾ
Õ¾³¡¹¤ÒչܵÀÉè¼ÆÖ»¹ÜïÔÌÍäÍ·¡¢ÈýͨµÈ¹Ü¼þ£¬²¢Ë¼Á¿¿ØÖÆÆøÁ÷ËÙÂÊ£¬½µµÍÕ¾³¡ÆøÁ÷ÔëÉù¡£Í¨¹ý½ÓÄɹ¤ÒÕ²½·¥ºó£¬Õ¾³¡ÔëÉùСÓÚ 75 ·Ö±´£¨2m£©¡£
±í4-14 ÏîÄ¿»úеװ±¸ÔëÉùԴǿһÀÀ±í
|
ÐòºÅ |
ÏîÄ¿ |
µ¥Î» |
ÔëÉùÖµ |
±¸×¢ |
|
1 |
µ÷Ñ¹Çø |
dB |
65 |
Ò»Á¬ |
|
2 |
·¢µç»ú×é |
dB |
85 |
¼äЪ |
|
3 |
·ÅÉ¢¹Ü |
dB |
90 |
¼äЪ |
|
4 |
Åäµç·¿ |
dB |
70 |
Ò»Á¬ |
4.4.4 ¹ÌÌåÎÛȾÎï
ÔËÓªÆÚ¹ÌÌå·ÏÎïΪԱ¹¤ÉúÑÄÀ¬»ø£¬°´ÆÚÕûÀí½»ÓÉ»·ÎÀ²¿·ÖÇåÔË´¦Öóͷ££¬²»»á¶ÔÍâµØÇéÐα¬·¢ÏÔ×ÅÓ°Ïì¡£
ÏîĿְ¹¤ÉúÑÄÀ¬»ø°´£º
G=K¡¤N¡¤P¡¤10-3
ÅÌËã¡£
ʽÖУºG¡ªÉúÑÄÀ¬»ø²úÁ¿£¨¶Ö/Ä꣩£»
K¡ªÈ˾ùÅÅ·ÅϵÊý£¨kg/ÈË¡¤Ì죩£»
N¡ªÉú³ÝÊý£¨ÈË£©£»
P¡ªÄêËêÇéÌìÊý¡£
ÏîÄ¿ÄâÆ¸Ö°¹¤8ÈË£¬ÆäÖÐ4ÈËס³§£¬²ÎÕÕÎÒ¹úÉúÑÄÀ¬»øÅÅ·ÅϵÊý£¬×¡³§Ô±¹¤È¡K=1.2kg/ÈË¡¤Ì죬²»×¡³§Ö°¹¤È¡K=0.5 kg /(ÈË¡¤Ìì)£¬ÏîÄ¿ÄêËêÇéÈÕÔ¼365Ì죬ÔòÏîÄ¿ÉúÑÄÀ¬»ø±¬·¢Á¿Ô¼2.482t/a¡£
Î塢ʩ¹¤ÆÚÇéÐÎÓ°ÏìÆÊÎö
ƾ֤ÏîÄ¿ÌØµã£¬ÏîĿʩ¹¤ÆÚÎÛȾԴÖ÷Òª°üÀ¨ÔÚÊ©¹¤ÔëÉù¡¢ÐÞ½¨·ÅÆúÎï¼°Ê©¹¤·ÏË®µÈ¡£ÕâЩ¾ù»á¶ÔÖÜΧÇéÐα¬·¢Ò»¶¨Ó°Ï죬ËäÈ»ÕâЩµ¹ÔËÓ°Ïì»áËæ×ÅÊ©¹¤µÄÍê³É¶ø¿¢Ê£¬µ«ÈÔÐè½ÓÄÉÓÐÓò½·¥£¬Ê¹Æä¶ÔÇéÐεÄÓ°ÏìïÔ̵½×îµÍˮƽ¡£
5.1 ·ÏË®ÇéÐÎÓ°ÏìÆÊÎö¼°ÖÎÀí²½·¥
ƾ֤¹¤³ÌÆÊÎö£¬±¾ÏîĿʩ¹¤ÆÚ·ÏË®Ö÷ÒªÀ´×ÔÊ©¹¤Ö°Ô±ÔÚÊ©ÊÂÇéÒµÖб¬·¢µÄÉúÑÄÎÛË®ºÍÊ©ÊÂÇéÒµÉú²ú·ÏË®¡£
5.1.1 ÉúÑÄÎÛˮӰÏìÆÊÎö
Ê©¹¤ÆÚÊ©¹¤Ö°Ô±ÉúÑÄÎÛË®ÅÅ·ÅÁ¿Îª1.6m3/d£¬Î´¾´¦Öóͷ£µÄÊ©¹¤Ö°Ô±ÉúÑÄÎÛˮһÑùƽ³£ÎªµÍŨ¶ÈÎÛË®¡£Ö÷ÒªÎÛȾÎïŨ¶ÈΪSS220mg/L¡¢COD421mg/L¡¢BOD5177mg/L¡¢°±µª45mg/L¡¢¶¯Ö²ÎïÓÍ8mg/L¡¢×ÜÁ×5mg/L¡£¾ÅÌË㣬SS±¬·¢Á¿0.352kg/d£»COD±¬·¢Á¿0.6736kg/d£»BOD5±¬·¢Á¿0.2832kg/d £»NH3-N±¬·¢Á¿0.072kg/d£»¶¯Ö²ÎïÓͱ¬·¢Á¿0.0128kg/d£»×ÜÁ×±¬·¢Á¿0.008kg/d¡£±¾¹¤³ÌÊ©¹¤²½¶Ó³Ôס¾ùÒÀÍÐÍâµØÃñÕ¬£¬Òò´ËÊ©¹¤ÉúÑÄÎÛË®½ÓÄÉÍâµØ×¡Ãñסլ»¯·à³Ø´¦Öóͷ£ºóÓÃÓÚÊ©·Ê£¬¶ÔµØ±íË®ÇéÐÎÓ°Ïì½ÏС¡£
5.1.2 Ê©¹¤·ÏˮӰÏìÆÊÎö
Ê©¹¤»úеÔËת¡¢Î¬ÐÞ±¬·¢µÄ·ÏË®º¬ÓÐÒ»¶¨Á¿µÄÓͺÍÐü¸¡ÎÓÉÓÚ±¬·¢µÄ·ÏË®Á¿²»´ó£¬¿ÉÉèÖÃÔÝʱ¸ôÓͳء¢³Áµí³Ø£¬ÍøÂçÊ©¹¤ÖÐËùÅŷŵÄÖÖÖÖ·ÏË®£¬·ÏË®¾³Áµí³Ø´¦Öóͷ£ºó£¬ÈÔ¿ÉËùÓÐ×÷Ϊʩ¹¤ÖеÄÖØ¸´ÓÃË®£¬²»¹ýÅÅ¡£
¹ÜµÀÊÔѹ·ÏˮˮÖʼòÆÓ£¬¾³ÁµíºóÅÅÈëÖÜΧ¹µÇþÓÃÓÚÅ©Ìï½½¹à£¬»ù±¾²»»á¶ÔÖܱßË®ÇéÐÎÔì³É²»Á¼Ó°Ïì¡£
5.1.3 ·ÏË®ÖÎÀí²½·¥
ÏîĿʩ¹¤Ê±£¬Ó¦ÊµÑéµÄ²½·¥ÓУº
¢ÙեȡÏòÖÜΧºÓÁ÷Ë®ÌåºÍÏàÁ¬µÄÓйØÖ§Á÷ÅÅ·ÅÎÛË®ºÍÒ»ÇÐÎÛȾÎ½û¾øÔÚºÓÁ÷»òÖ§Á÷ÄÚÏ´åªÊ©¹¤»úе¡¢ÅÅ·ÅÎÛË®£»
¢ÚÊ©¹¤Ô°µØÓ¦±ÜÃâÊ©¹¤·ÏË®ºÍÉúÑÄÀ¬»øÖ±½Ó½øÈë¹µÛÖÓ°ÏìÖÜΧˮÓò£»
¢Û²»ÔÊÐíËæµØ¸øÊ©¹¤»úе¼ÓÓÍ»òÕß´æ·ÅÓÍÆ·´¢¹Þ£»
¢ÜÕ¾³¡Ê©¹¤Ê±×¢ÖØË®ÍÁ¼á³ÖÊÂÇ飬Ïß·¹¤³ÌÊ©¹¤¿¢ÊºóÒª¾¡¿ì»Ö¸´ÊÕÖ§Ô°µØµÄÔò£¬ïÔÌË®ÍÁÁ÷ʧ£»
¢ÝÊÔѹˮÐè¾ÓɳÁµí¹ýÂ˺óÅÅ·Å¡£
±¾ÏîÄ¿µÄ·ÏË®±¬·¢Á¿ÉÙ£¬¾ÓÉÉÏÊö´¦Öóͷ£»ù±¾¶ÔÖÜΧÇéÐÎûÓÐÓ°Ïì¡£
5.2 ·ÏÆøÇéÐÎÓ°ÏìÆÊÎö¼°ÖÎÀí²½·¥
5.2.1 ·ÏÆøÓ°ÏìÆÊÎö
Ê©¹¤Ê±´ú±¬·¢µÄ´óÆøÎÛȾÖ÷ÒªÀ´×ÔÕ¾³¡Æ½Õû¡¢¹ÜÏß¿ªÍÚ¡¢õè¾¶ÔËÊäÒÔ¼°Ê©¹¤ÐÞ½¨ÁϵÄװжµÈÒýÆðµÄÑï³¾£»ÖÖÖÖÊ©¹¤»úе¡¢ÔËÊä³µÁ¾ºÍ·¢µç»úÅŷŵÄÑÌÆø£»Õ¾³¡×°ÐÞÓÃÓÍÆá¡¢·Û³¾¡£
Ê©¹¤±¬·¢µÄÑï³¾Ö÷ÒªÊÇÈý¸ö²¿·Ö£º¹Ü¹µ¼°Õ¾³¡µÄµØÃ濪ÍÚ¡¢ÌîÂñ¡¢ÍÁʯ·½¶Ñ·Å£»³µÁ¾ÔËÊäÀú³Ì±¬·¢µÄõè¾¶Ñï³¾ÒÔ¼°Ê©¹¤ÐÞ½¨ÖÊÁÏװжÀú³ÌÖÐÒýÆðµÄÑï³¾¡£¹ÜµÀ¼°Õ¾³¡µÄµØÃ濪ÍÚ¡¢ÌîÂñ¡¢ÍÁʯ·½¶Ñ·ÅÀú³ÌΪ·Ö¶Î¡¢·Öµã¾ÙÐУ¬Ê©¹¤Ê±¼ä½Ï¶Ì£¬×÷Òµ´øÄÚ±¬·¢µÄÑﳾΪÎÞ×éÖ¯ÃæÔ´ÅÅ·Å£¬ÓÉÓÚÊ©¹¤Àú³ÌΪ·Ö¶Î¾ÙÐУ¬ÇҹܵÀÑØÏßÌìÆøÊªÈó£¬Òò´Ë£¬¹ÜÏßÊ©ÊÂÇéÒµÑï³¾ÊǶÌʱµÄ£¬ÇÒÓ°Ïì²»»áºÜ´ó¡£Æ¾Ö¤ÀàËÆ¹¤³ÌµÄÏÖʵÏÖ³¡¼à²âÊý¾ÝÅú×¢£¬ÔÚ´ó·çÇéÐÎÏÂÊ©¹¤£¬ÏÖ³¡Ï·çÏò1m ´¦ÑﳾŨ¶È¿É´ï3mg/m3 ÒÔÉÏ£¬25m ´¦ÑﳾŨ¶È´ï1.53mg/m3 £¬60m ¹æÄ£ÄÚTSP Ũ¶È¿É´ï±ê¡£Òò´Ë±¾ÏîĿʩ¹¤Ñï³¾¶ÔÖÜΧ´óÆøÇéÐεÄÓ°Ïì½ÏС¡£Ê©¹¤ÆÚͨ¹ýÔÚ×÷ÒµÃæºÍÍÁ¶ÑÊʵ±ÅçË®¡¢»®¶¨ÔËÊä³µÁ¾ÔÚÊ©¹¤ÇøÂ·Ãæ¼õËÙÐÐÊ»¡¢Ó÷«²¼ÕÚÑÚÍÁ¶ÑºÍÐÞ½¨ÖÊÁÏ¡¢´ó·çÌìÆø×èÖ¹×÷Òµ»ò½ÓÄɵ²·çÕ¤À¸½µµÍ·çËٵȲ½·¥ºó£¬¹¤µØÑï³¾¿ÉïÔÌ70%~80%£¬Ê©¹¤Ñï³¾¶ÔÇøÓòÇéÐÎ¿ÕÆøµÄÓ°Ïì»á½øÒ»²½½µµÍ¡£
Ê©¹¤³µÁ¾·ÏÆø±¬·¢Á¿½ÏС¡£Ö»ÒªÔöÇ¿ÖÎÀí£¬Ê©¹¤³µÁ¾·ÏÆø²»»á¶ÔÇøÓò¿ÕÆøÇéÐα¬·¢ÎÛȾ¡£ÔÚ±¾¹¤³Ì´óÐÍ»úеʩ¹¤ÖУ¬ÓÉÓÚʹÓòñÓÍ»úµÈ×°±¸£¬½«±¬·¢SO2¡¢NO2 µÈÎÛȾÎÓÉÓÚ·ÏÓîÁ¿½ÏС£¬ÇÒÊ©¹¤µãÀëÃô¸Ðµã½ÏÔ¶£¬ÓÐÀûÓÚ¿ÕÆøµÄÀ©É¢£¬Í¬Ê±·ÏÆøÎÛȾԴ¾ßÓмäЪÐÔºÍÁ÷¶¯ÐÔ£¬Òò´Ë¶ÔÊ©¹¤ÇøÓòµÄÇéÐÎ¿ÕÆøÖÊÁ¿µÄÓ°Ïì½ÏС¡£
ÏîĿվ³¡½¨ÉèÍê³ÉºóÐè¾ÙÐÐÄÚ²¿×°ÐÞ£¬Ê©¹¤Àú³ÌÖб¬·¢µÄ·ÏÆøÖ÷ÒªÓÐÓÍÆá¡¢Í¿ÁÏ·ÏÆøºÍ×°ÐÞ·Û³¾£¬ÓÍÆáµÄÓлúÈܼÁÖ÷Òª³É·ÝÓж¡´¼¡¢±ûͪ¡¢Èý±½µÈµÈ£¬»Ó·¢Ê±¼äÖ÷Òª¼¯ÖÐÔÚ×°ÐÞ½×¶ÎÒ»¸öÔÂÒÔÄÚ¡£Í¿ÁϵÄ×é³ÉÒ»Ñùƽ³£°üÀ¨ÑÕÁÏ¡¢Öú¼ÁºÍÈܼÁ¡£Í¿ÁÏʹÓÃºó£¬ÆäÖеÄÈܼÁ½«ËùÓлӷ¢µ½´óÆøÖÐÈ¥¡£¾ÝÏàʶ£¬ÕâЩÈܼÁÓб½Àà¡¢±ûͪ¡¢ÒÒÈ©¡¢¶¡´¼¡¢¼×ËáµÈ»Ó·¢Î¸ÃÆøÌ徺ôÎüµÀÎüÈë¿ÉÄÜÒýÆðÑ£ÔΡ¢Í·Í´¡¢¶ñÐĵÈÖ¢×´£¬ÓÐÈ˾½Ó´¥¿ÉÄÜÒýÆð¹ýÃô¡¢Æ¤Ñ׵ȣ¬Óж¾ÈܼÁµÄÑÏÖØÓ°Ïì¿ÉÄÜÒýÆðÆø´¡¢ÉñÖ¾²»Çå¡¢ÍÂÄæµÈ¼±ÐÔÖж¾¡£ÓлúÈܼÁ·ÏÆøÔÚÊÒÄÚÀÛ»ý£¬²¢ÏòÊÒÍâÃÖÉ¢£¬Ó°ÏìÈëססÃñºÍÊÒÍâ»î¸ÐÖ°Ô±¡£
Òò´Ë£¬¶ÔÓлúÈܼÁµÄÎÛȾ¿ØÖÆÊ×ÏÈÓ¦ÔÚÔ´Í·ÉÏ£¬Ñ¡ÔñÎÞ¶¾»òµÍ¶¾µÄ»·±£²úÆ·£¬¶Å¾ø½ÓÄÉÒѱ»ïÔ̵ÄÍ¿ÁÏ£¬Ñ¡ÓõÄ×°ÐÞÖÊÁÏÒªÇкϹú¼ÒÖÊÁ¿¼àÊÓÄ¥Á·¼ìÒß×ֻܾ®¶¨µÄ10ÏîÊÒÄÚ×°ÊÎ×°ÐÞÖÊÁÏÇ¿ÖÆ±ê×¼µÄÊÒÄÚ×°ÊÎ×°ÐÞÖÊÁÏ¡£¹¤³ÌÍê³Éºóƾ֤GB50325-2001¡¶ÃñÓÃÐÞ½¨¹¤³ÌÊÒÄÚÇéÐÎÎÛȾ¿ØÖƹ淶¡·ÒªÇó¶ÔÊÒÄÚÇéÐÎÖÊÁ¿¾ÙÐмìÄ¥Á·ÊÕ£¬Î¯ÍÐÓÐ×ÊÖʵļì²â»ú¹¹¶ÔÐÞ½¨¹¤³ÌÊÒÄÚ뱡¢¼×È©¡¢±½¡¢°±¡¢×ܻӷ¢ÐÔÓлú»¯ºÏÎTVOC£©µÄº¬Á¿Ö¸±ê¾ÙÐмì²â¡£
ÓÍÆá·ÏÆø»Ó·¢ÐèҪһ׼ʱ¼ä£¬ÊÜÓ°ÏìµÄ¿Õ¼ä¹æÄ£Ò»Ñùƽ³£Ö»¾ÖÏÞÓÚÓÍÆáÃæµÄÖÜΧ£¬ÇÒÁ¿½ÏÉÙ£¬¶ÔÐÞ½¨ÎïÍâµÄ´óÆøÇéÐβ»»áÔì³ÉºÜ´óÓ°Ï죻װÊÎÖÊÁϼӹ¤Àú³ÌÖн«±¬·¢´ó×Ú·Û³¾£¬ÓøôÀëĤ½«µêÃæÓë½ÖÃæÀë¸ô£¬×èÖ¹ÔÚ×ÔÈ»·ç×÷ÓÃ϶ÔÍâ½ç±¬·¢Ó°Ï죻µØÃæÐè¾³£ÊµÑéÈ÷Ë®ÒÖ³¾£¬ÓÐÓõؿØÖÆ·Û³¾£¬¾¡¿ÉÄÜïÔ̶Թ¤È˵ÄÓ°Ïì¡£
×ÛÉÏËùÊö£¬±¾ÏîÄ¿½¨ÉèÇøÓòÌìÆø½ÏΪʪÈó£¬Ò×ÓÚÑï³¾³Á½µ£¬Ïß·×ßÏò»ù±¾Ñ¡Ôñ´åÕòÍâÎ§ÈÆÐУ¬Ö»¹Ü±Ü¿ªÈËȺ¼¯ÖеØÇø¡£×°Ð޽׶νÓÄÉÊʵ±²½·¥ºó£¬Ê©¹¤ÆÚ´øÀ´µÄ´óÆøÎÛȾ¿É½µµÍµ½½ÏСµÄˮƽ£¬²»»á¶ÔÇøÓò¿ÕÆøÃô¸ÐµãÔì³É½Ï´óµÄÎÛȾ¡£
5.2.2 ·ÏÆøÖÎÀí²½·¥
±¾ÏîĿʩ¹¤Ô°µØÐèÒª»ØÌÒÔÊÇÔÚ·çÁ¦×÷ÓÃÏÂÈÝÒ×±¬·¢´ó×ÚµÄÑï³¾£»Ê©¹¤»úеÔÚ×÷Òµ´øÄÚ¾ÙÐÐ×÷ÒµºÍÔËÊä»úе¾ÙÐÐÍÁʯ·½ÔËÊäʱ£¬¾ù»á±¬·¢´ó×ڵĻҳ¾£¬Òò´ËÓ¦×öºÃÔÝʱ·À»¤²½·¥£¬ïÔÌÊ©¹¤ÆÚµÄÇéÐÎÎÛȾӰÏì¡£Ïêϸ²½·¥£º
¢Ù´ó·çÌìեȡʩÊÂÇéÒµ£¬Í¬Ê±É¢ÌåÖÊÁÏװж±ØÐè½ÓÄÉ·À·çÕÚµ²µÈ½µ³¾²½·¥¡£
¢Ú¶ÔÕ¾³¡µÈ¼¯ÖÐÊ©ÊÂÇéÓÃÔ°µØ£¬õè¾¶ÔÚ¸ÉÔïÌìÆø¼°´ó·çÌõ¼þϼ«Ò×Æð³¾£¬Òò´ËÒªÇóʵʱÈ÷Ë®½µ³¾£¬Ëõ¶ÌÑï³¾ÎÛȾµÄʱ¶ÎºÍÎÛȾ¹æÄ££¬×îºéÁ÷ƽïÔÌÆð³¾Á¿£»Í¬Ê±¶ÔÖÜΧõè¾¶¾ÙÐа´ÆÚÑø»¤¡¢Çåɨ£¬È·±£Â·¿öÓÅÒì¡£
¢Û¶ÔÊ©¹¤ÔÝʱ¶Ñ·ÅµÄÍÁ·½£¬Ó¦½ÓÄÉ·À»¤²½·¥£¬Èç¼Ó¸Ç±£»¤Íø¡¢ÅçÁܱ£ÊªµÈ£¬±ÜÃâÑï³¾ÎÛȾ¡£
¢ÜÊ©¹¤µ¥Î»±ØÐèÑ¡ÓÃÇкϹú¼ÒÎÀÉú·À»¤±ê×¼µÄÊ©¹¤»úеװ±¸ºÍÔËÊ乤¾ß£¬È·±£·ÏÆøÅÅ·ÅÇкϹú¼ÒÓйرê×¼µÄ»®¶¨¡£
¢Ý½¨ÒéÖ»¹ÜʹÓÃÉÌÆ·»ìÄýÍÁ£¬ïÔÌÊ©¹¤ÏÖ³¡½Á°è×÷ÓöÔÖܱßÇéÐεÄÓ°Ï죻²»¿É×èÖ¹¾ÙÐÐÏÖ³¡»ìÄýÍÁ×÷Òµ£¬Ó¦ÉèÖÃ×÷Òµ¹¤Åͬʱ½Á°è×÷ÒµÖнÓÄÉÅçÎí½µ³¾²½·¥¡£
¢Þ³µÁ¾¼°Ê©¹¤Æ÷еÔÚÊ©¹¤Àú³ÌÖÐÓ¦Ö»¹Ü×èÖ¹ÈŶ¯ÔʼµØÃæ¡¢ÄëѹÖÜΧµØÇøµÄÖ²±»£¬²»µÃËæÒ⿪·¢±ãµÀ£¬ÑϽû³µÁ¾ÏµÀÐÐÊ»£¬²¢¶ÔÊ©¹¤¼¯ÖÐÇø¾ÙÐÐÅçÈ÷×÷Òµ£¬ÒÔïÔÌ´óÆøÖи¡³¾¼°ÑﳾȪԴ£¬¼õÇá¶Ô¶¯Ö²ÎïµÄ×ÌÈÅ¡£
¢ß×°ÊÎÖÊÁÏÖ»¹ÜʹÓû·±£ÖÊÁÏ¡£
5.3 ÔëÉùÇéÐÎÓ°ÏìÆÊÎö¼°ÖÎÀí²½·¥
5.3.1 ÔëÉùÇéÐÎÓ°ÏìÆÊÎö
±¾ÏîÄ¿ÔëÉùÔ´¼û¡°¹¤³ÌÆÊÎöÕ½ڡ±Öбí4-11£¬Æ¾Ö¤¡¶ÇéÐÎÓ°ÏìÆÀ¼ÛÊÖÒÕµ¼ÔòÉùÇéÐΡ·£¨HJ2.4-2009£©ÖеãÉùÔ´ÔëÉù»ù±¾Ë¥¼õģʽ£¬¹ÀËã³öÀëÔëÉùÔ´²î±ð¾àÀë´¦µÄÔëÉùÖµ£¬Õ¹ÍûģʽÈçÏ£º

ʽÖУº
Li¡ª¡ª¾àÉùÔ´RiÃ×´¦µÄÊ©¹¤ÔëÉùÕ¹ÍûÖµ£¬dB£»
Lo¡ª¡ª¾àÉùÔ´R0Ã×´¦µÄÊ©¹¤ÔëÉù¼¶£¬dB£»
¡÷L¡ª¡ªÕϰÎï¡¢Ö²±»¡¢¿ÕÆøµÈ±¬·¢µÄ¸½¼ÓË¥¼õÁ¿¡£
¹ØÓÚ¶ą̀ʩ¹¤»úеͬʱ×÷ҵʱ¶Ôij¸öÕ¹ÍûµãµÄÓ°Ï죬°´ÏÂʽ¾ÙÐÐÉù¼¶µþ¼Ó£º

ÔÚûÓÐÏûÉùºÍÆÁÕϵÈË¥¼õÌõ¼þÏ£¬³£ÓýϴóÔëÉùԴǿ˥¼õÇéÐμû±í5-1¡£
±í5-1 µ¥Ì¨×°±¸²î±ð¾àÀë´¦ÔëÉùÇ¿¶ÈÒ»ÀÀ±í
|
¾àÀ루m£© |
5 |
10 |
15 |
20 |
25 |
30 |
35 |
40 |
50 |
|
90 |
84 |
80 |
78 |
76 |
74 |
73 |
72 |
70 | |
|
¶ÑÍÁ»ú |
86 |
80 |
76 |
74 |
72 |
70 |
69 |
68 |
66 |
|
ÍÚ¾ò»ú |
84 |
78 |
74 |
72 |
70 |
68 |
67 |
66 |
64 |
|
¿¨³µ |
89 |
83 |
79 |
77 |
75 |
73 |
72 |
71 |
69 |
|
ÒÆ¶¯Ê½µõ³µ |
86 |
80 |
76 |
74 |
72 |
70 |
69 |
66 |
64 |
ÔÚÏÖʵÑ鹤Àú³ÌÖпÉÄÜ·ºÆð¶ą̀»úеͬʱÔÚÒ»´¦×÷Òµ£¬Ôò´Ëʱʩ¹¤ÔëÉùÓ°ÏìµÄ¹æÄ£±ÈÕ¹ÍûÖµÒª´ó£¬¼øÓÚÏÖÕæÏàÐνÏÎªÖØ´ó£¬ÒòÆä×°±¸µÄÏà¶ÔλÖÃÓëÊ©ÊÂÇéÒµµÄÐèÒª¶øËæÊ±Òƶ¯µÈ£¬ÔòºÜÄÑÖðÒ»ÓÃÉù¼¶µþ¼Ó¹«Ê½¾ÙÐÐÅÌËã¡£ÏîÄ¿¹ÜÏßÊ©¹¤Ê±Ãô¸ÐµãÂþÑÜÔÚõè¾¶Á½²à¶ö£¬Ê©¹¤»ú屬·¢µÄÔëÉù»á¶ÔÆä±¬·¢Ò»¶¨Ó°Ï죬±¾¹¤³Ìͨ¹ýÔöǿʩ¹¤ÖÎÀí£¬Îç¼ä£¨12:00-14:30£©ºÍÒ¹¼ä£¨22:00-Ô½ÈÕ6:00£©Õ¥È¡Ê©ÊÂÇéÒµºÍ³µÁ¾ÔËÊ䣬ÒÔ×èÖ¹ÔëÉùÈÅÃñ£¬Í¬Ê±£¬ÔËÊäõè¾¶ÑØÏßÐæÂäǰºóÉèÖÃÏÔ׎»Í¨½ûÃù±ê¼Ç£¬ÔËÊä³µÁ¾¾ÓÉÐæÂäÊ±×¢ÖØ¿ØÖƳµËÙ£¬ÒÔ½µµÍÔëÉù¡£
½¨É赥λӦ¸ß¶ÈÖØÊÓ£¬Ôöǿʩ¹¤ÆÚÇéÐμàÀí£¬½ÓÄÉÓÐÓò½·¥¸ôÉù½µÔë¡£½ÓÄÉÓÐÓøôÉù½µÔë²½·¥ºó£¬Ê©¹¤ÔëÉù¶ÔÖܱßÃô¸ÐµãµÄÓ°Ïì¿É´ó´ó½µµÍ¡£ÇÒÊ©¹¤ÆÚÔëÉùÓ°ÏìÊÇÔÝʱÐԵģ¬Ëæ×ÅÊ©¹¤ÆÚ¿¢ÊÂÆäÓ°ÏìÒ²½«ÏûÊÅ¡£
5.3.2 ÔëÉùÖÎÀí²½·¥
±¾ÏîĿʩ¹¤ÆÚµÄÔëÉùÓ°ÏìÖÎÀí²½·¥Ó¦½ÓÄÉÒÔϲ½·¥£º
£¨1£©¶Ô×°±¸ÒªÇó£º
¢ÙÓÅÏÈÑ¡ÓÃЧÂʸߡ¢ÔëÉùµÍµÄ»úеºÍ¹¤ÒÕ£»
¢ÚÔöǿװ±¸µÄÖÎÀíºÍά»¤±£Ñø£¬°ü¹ÜÖÖÖÖ»úеװ±¸µÄ¸ßЧÔËת£»
¢Û¶Ô¸÷Ê©¹¤»·½ÚÖÐÔëÉù½ÏΪͻ³öÇÒÓÖÄÑÒÔ¶ÔÉùÔ´¾ÙÐнµÔëµÄ×°±¸×°Öã¬Ó¦½ÓÄÉÔÝʱΧÕϲ½·¥£¬Î§ÕÏ×îºÃ¸¨ÒÔÎüÉùÖÊÁÏ£¬ÒԴ˵ִオÔëЧ¹û¡£
£¨2£©Ê©¹¤Ö°Ô±½ÓÄɵIJ½·¥£º
½Ó´¥¸ßÔëÉùÊ©¹¤Ö°Ô±Åä´÷·ÀÉùÍ·¿ø¡¢¶úÕÖ¡¢¶úÈûµÈСÎÒ˽¼Ò·ÀÔëÉùÓþߡ£
£¨3£©ÆäËû£º
¢ÙÊ©¹¤Ê±£¬×Ô¶¯×öºÃÓëÖÜΧÆóÒµ¡¢×¡ÃñµãµÄÏàͬÊÂÇ飻
¢Ú×èÖ¹¸ßÔëÉù×°±¸Í¬Ê±ÔËÐУ»
¢Û¾¡¿ÉÄÜËõ¶Ì¹¤ÆÚ£»
¢ÜºÏÀí°²ÅÅÊ©¹¤Ê±¼ä£¬Õ¥È¡¸ßÔëÉù»úеװ±¸Ò¹¼äÊ©¹¤¡£
½¨Ò飺Ϊ½µµÍÊ©¹¤ÔëÉù¶ÔÖÜΧÇéÐεÄÓ°Ï죬ʩ¹¤µ¥Î»Ó¦Ê¹ÓõÍÔëÉùµÄÊ©¹¤»úеºÍÊ©¹¤ÒªÁì¡£¶ÔÀο¿ÔëÉùÔ´Ó¦½¨ÔÝʱ¸ôÉù¼ä£¬ÑÏ¿á¿ØÖÆ¿ª»úʱ¼ä£¬½µµÍÀο¿ÔëÉùÔ´¶ÔÖÜΧÇéÐεÄÓ°Ïì¡£¶ÔÒÆ¶¯ÔëÉùÔ´Ó¦½ÓÄÉ·Öʱ¶ÎÊ©¹¤£¬Ö»¹Ü±Ü¿ªÎçÐÝ¡¢Ò¹ÍíÐÝϢʱ¼ä£¬ÑϽûÒ¹¼äʹÓøßÔëÉùÊ©¹¤×°±¸¡£
×ÛÉÏ£ºÍ¨¹ý½ÓÄɸ÷Ïî²½·¥£¬Ê©¹¤ÔëÉùÓ°ÏìÇ¿¶È½µµÍ£¬ÊÜÎÛȾµÄÈËȺ¿ÉÒÔïÔÌÊÜÎÛȾµÄʱ¼ä£¬²¢°ü¹ÜºÏÀíµÄÐÝÏ¢£¬»ù±¾ÉϿɰü¹ÜÏîĿʩ¹¤ÔëÉùµÄµ¹ÔËÓ°Ïì¼õµ½×îС¡£
5.4 ¹ÌÌå·ÏÎïÇéÐÎÓ°ÏìÆÊÎö¼°ÖÎÀí²½·¥
5.4.1 ¹ÌÌå·ÏÎïÇéÐÎÓ°ÏìÆÊÎö
±¾¹¤³ÌÊ©¹¤ÆÚ±¬·¢µÄ¹ÌÌå·ÏÎïÖ÷ÒªÀ´×ÔÁ½¸ö·½Ã棺
¢ÙÊ©¹¤Ö°Ô±µÄÉúÑÄÀ¬»ø£º
±¾ÏîĿʩ¹¤ÆÚ¼¯ÖÐÊ©¹¤µãµÄÊ©¹¤Ö°Ô±40È˹ÀË㣬ʩ¹¤Ö°Ô±À¬»ø±¬·¢Á¿°´Ò»Ñùƽ³£Ê©ÊÂÇéҵʱµÄƽ¾ùÖµ0. 5kg/ÈË¡¤d ¼Æ£¬ÉúÑÄÀ¬»ø×ÜÁ¿Îª20kg/d¡£ÉúÑÄÀ¬»øÍ¨¹ý¼¯ÖÐÍøÂ磬ίÍÐÊ©¹¤µãÖܱ߻·ÎÀ²¿·ÖͳһÇåÔË´¦Öóͷ£¡£
¢ÚÊ©¹¤Àú³Ì±¬·¢µÄÐÞ½¨À¬»ø£º
±¾¹¤³ÌÊ©¹¤Àú³ÌÖеÄÐÞ½¨À¬»ø°üÀ¨Õ¾³¡Ê©¹¤ÐÞ½¨À¬»ø2.16t£¬ÐÞ½¨À¬»øÔËÖÁ¾àÀëÊ©¹¤³§Ëù×î½üµÄÐÞ½¨À¬»øÊÜÄɳ¡´¦Öóͷ£¡£Ïß·¹¤³ÌÊ©¹¤Ê±´ú±¬·¢ÍÁ·½Á¿Ô¼26.5Íòm3£¬Í¨¹ý»ØÌî´¦Öóͷ££¬ÎÞÆúÍÁ±¬·¢£¬²»ÐèÉèÖÃÆúÍÁ³¡¡£
5.4.2 ¹ÌÌå·ÏÎïÖÎÀí²½·¥
ÏîÄ¿½¨ÉèÀú³ÌÖйÌÌå·ÏÎïÄÑÃⱬ·¢£¬Ö»Òª½ÓÄÉÊʵ±µÄ·ÀÖβ½·¥½«²»»á¶ÔÇéÐα¬·¢½Ï´óµÄÓ°Ï죬Ïêϸ²½·¥ÎªÒÔϼ¸µã£º
¢ÙÉúÑÄÀ¬»ø£ºÊ©¹¤ÆÚµÄÉúÑÄÀ¬»ø¾·ÖÀàºó¼¯ÖÐÊÕÖ㬽»ÓÉÍâµØ»·ÎÀ²¿·ÖͳһÊÕÔË´¦Öóͷ££»
¢ÚÐÞ½¨À¬»ø£ºÐÞ½¨À¬»ø²»¿ÉËæÒâÑïÆú£¬Î¯ÍÐÖ°Äܲ¿·ÖÔËÊäÖÁÐÞ½¨À¬»øÊÜÄɳ¡´¦Öóͷ£¡£
½ÓÄÉÒÔÉϲ½·¥ºó±¾ÏîÄ¿±¬·¢µÄ¹ÌÌå·ÏÎﱬ·¢Á¿»ñµÃÍ×ÉÆ´¦Öóͷ££¬¶ÔÖÜΧÇéÐβ»»á±¬·¢ÏÔ×ŵIJ»Á¼Ó°Ïì¡£
5.5 Éú̬ÇéÐÎÓ°ÏìÆÊÎö¼°ÖÎÀí²½·¥
5.5.2 Éú̬ÇéÐÎÓ°Ïì
£¨1£©ÓÀÊÀÕ¼µØ¶Ô½µØÉú̬ϵͳµÄÓ°Ïì
±¾¹¤³ÌÓÀÊÀÕ¼µØÃæ»ýΪ7028.13m2£¬Ê©¹¤Àú³Ì»áÔì³ÉÓÀÊÀÕ÷µØ¹æÄ£ÄÚµÄÖ²±»ÓÀÊÀÐÔÏûÊÅ£¬²¢ïÔÌȺÂäµÄÉú²úÃæ»ý£¬ÒýÆðÖ²±»ÉúÎïÁ¿¡¢¾»Éú²úÁ¿ºÍ¹Ì̼·ÅÑõÁ¿µÄËðʧ¡£
¾ÏÖ³¡³õ³ÌÐò²é£¬±¾ÏîÄ¿ÃÅÕ¾½¨ÔÚÍâµØÒÑÍýÏëµÄ¹¤ÒµÓõØÉÏ£¬ÏÖÔÚÏîÄ¿ÇøÎªåÐÒ££¬ÁãÐÇÂþÑÜ×Ų¿·ÖÒ°ÉúÖ²±»£¬ÉÙÁ¿È˹¤Ö²±»±£´æ¡£
£¨2£©ÔÝʱÐÔÕ¼µØ¶Ô½µØÉú̬ϵͳµÄÓ°Ïì
ÔÝʱÐÔÕ¼µØ°üÀ¨¹Ü¹µ¿ªÍÚ¡¢´©Ô½¹¤³ÌÊ©¹¤ÔÝʱռµØµÈ¶ÔÖ²±»µÄÆÆË𡣹ܵÀÊ©¹¤´ó¶à½ÓÄÉÏÖÓн»Í¨õè¾¶£¬ÉÙÁ¿ÐèÔÝʱÍÚ¾òÂ·Ãæ£¬Ö÷ҪΪũµØºÍÐæÂäõè¾¶£¬²»¿³·¥Ê÷ľ£¬½öÔÚ±ØÐèͨ¹ý¸ûµØµÄ·¶Î¶ÔÖ²±»Ôì³ÉÆÆËð¡£Å©´å²¿õè¾¶¶Î¿ªÍÚʱµÄÔÝʱ¶ÑÍÁ»áÁýÕÖ·¼çÍâµÄÖ²±»£¬¿ÉÄÜÔì³ÉÖ²ÎïéæÃü£¬Éæ¼°µÄÍÁµØÀàÐÍÖ÷ҪΪºµµØ¡£¹¤³Ì¿¢Êºó¾ÙÐÐÖ²±»»Ö¸´¿ÉÌî²¹´ó²¿·ÖËðʧµÄÉúÎïÁ¿¡£ÁíÍ⣬ʩ¹¤ÆÚÓÉÓÚ»úеµÄշѹ¼°Ê©¹¤Ö°Ô±µÄ¼ṳ̀ʹÍÁÈÀ±»Ñ¹Êµ£¬ÆÆËðÖ²±»µÈ£¬Ôì³É¶ÔÍÁÈÀºÍ¾°¹ÛµÄÓ°Ïì¡£
£¨3£©ºÓÁ÷´©Ô½¶ÔË®ÉúÉú̬µÄÓ°Ïì
ºÓÁ÷´©Ô½Ö÷Òª½ÓÄɶ¨Ïò×꣬»ù±¾²»»á¶Ô¼ÜÉèºÓ¶ÎË®ÉúÉú̬±¬·¢Ó°Ïì¡£
£¨4£©Ë®ÍÁÁ÷ʧµÄÓ°Ïì
Ê©¹¤Àú³ÌÖУ¬ÓÉÓÚ¿ªÍÚ¡¢Ô°µØÆ½ÕûµÈÔµ¹ÊÔÓÉ£¬Ôì³ÉÖ²±»ÆÆËð£¬ÍÁÈÀÂã¶£¬Óöµ½ÓêÌ콫»áÔì³É½Ï´óµÄË®ÍÁÁ÷ʧӰÏ죬µ«ÏîĿվ³¡Ê©¹¤Á¿½ÏС£¬Ïß·¹¤³Ì±ê¶ÎÊ©¹¤£¬Ê©¹¤Àú³Ì×¢ÖØË®ÍÁ¼á³Ö²½·¥£¬±Ü¿ªÓ꼾ʩ¹¤£¬¶ÔÇøÓòË®ÍÁÁ÷ʧӰÏì½ÏС¡£
5.5.2 ÎÛȾ·ÀÖβ½·¥
£¨1£©¾¡¿ÉÄÜÑ¡ÓÃÒÑÓÐõè¾¶£¬°üÀ¨´åµÀ¾ÙÐÐÊ©¹¤²¼É裬ïÔÌÊ©¹¤±ãµÀµÄ¿ªÍÚ½¨É裻
£¨2£©Ê©¹¤ÆÚÖ»¹Ü±Ü¿ªÍâµØÓê¼¾£¬ïÔÌÊ©ÊÂÇéÒµ¶ÔÂã¶±íÍÁµÄ³åÏ´£¬Ôì³ÉË®ÍÁÁ÷ʧ£»
£¨3£©ÏîĿվ³¡ÓõعæÄ£ÄÚ¾ÙÐÐÂÌ»¯£¬³§½çÖÜΧݪֲ¹àľ¡¢»¨»Ü£¬ïÔÌÂã¶µØÃ棬²»µ«¿ÉÒÔÃÀ»¯³§ÇøÇéÐΣ¬»¹ÄÜÆðµ½½µµÍÑï³¾¡¢¾»»¯¿ÕÆø¡¢¼õСÔëÉù¡¢¸ÄÉÆ³§ÇøÉú̬ÇéÐεÄ×÷Óá£
£¨4£©ÍêÉÆµØÃæÅÅˮϵͳ£¬Ó¦×öºÃ¹Ü¹µ»ØÌî¡¢Ö²±»»Ö¸´ÊÂÇ飬¾¡Ò»ÇпÉÄÜ×öºÃ±ÜÃâË®ÍÁÁ÷ʧÊÂÇ飻Í깤ºóʵʱ»Ö¸´µØ±í¸²ÍÁ¡£
×ÜÖ®£¬ÔÚºÏÀíµÄ·ÀÖβ½·¥Ï±¾ÏîÄ¿¶ÔÇøÓòÉú̬ÇéÐÎÖÊÁ¿»ù±¾²»»áÔì³Éµ¹ÔËÓ°Ïì¡£
Áù¡¢ÔËÓªÆÚÇéÐÎÓ°ÏìÆÊÎö¼°ÎÛȾ·ÀÖβ½·¥
6.1 Ë®ÇéÐÎÓ°ÏìÆÊÎö¼°ÖÎÀí²½·¥
6.1.1 Ë®ÇéÐÎÓ°ÏìÆÊÎö
ƾ֤¹¤³ÌÆÊÎö£¬Õ¾³¡ÊÂÇéÖ°Ô±ÉÙ£¬¹¤ÒÕ×°ÖüòÆÓ£¬ÎÞÉú²ú·ÏË®£¬½öÅÅ·ÅÉÙÁ¿ÉúÑÄ·ÏË®¡£
±¾ÏîÄ¿ÔËӪʱ´ú£¬±¬·¢µÄ·ÏË®Ö÷ҪΪÉúÑÄÎÛË®£¬×ÜÅÅ·ÅÁ¿Îª466.85m3/d¡£ÏêϸÇéÐμûÔËÓªÆÚË®ÎÛȾԴÆÊÎö£¬ÏîÄ¿·ÏË®¾»¯·à³Ø´¦Öóͷ£ºóÄִܵÎÛË®×ÛºÏÅŷűê×¼¡·£¨GB8978-1996£©±í 4ÖÐÈý¼¶±ê×¼£¬Í¨¹ý½ÓÊܽøÈëÍûɽ·ÊÐÕþÎÛË®¹ÜÍø¡£
ÆÎÌïÊÐÐãÓìÎÛË®´¦Öóͷ£³§Î»ÓÚÐãÓìÇøÊ¤ÀûΧ¿ÑÇøÓò£¬¸Ã¹¤³ÌÉè¼Æ·ÖÆÚ½¨É裬ÆäÖнüÆÚ£¨2010Ä꣩ÓõØÃæ»ý43.93Ķ£¬ÎÛË®´¦Öóͷ£¹æÄ£3.5Íò¶Ö/ÈÕ£»Ô¶ÆÚ£¨2020Ä꣩ÍýÏë×Ü¿ØÖÆÓõØ135Ķ£¬½¨³Éºó¹æÄ£µÖ´ï14Íò¶Ö/ÈÕ¡£½üÆÚ·þÎñ¹æÄ£Îª¶«á½×éÍźÍÜÌʯ×éÍŵĴ󲿷ÖÓõØÒÔ¼°¶«×¯×éÍŵIJ¿·ÖÇøÓò£¨ÐãÓì¸ÛÖÜÎ§ÇøÓò£©¡£
ƾ֤ͳ¼ÆÊý¾Ý£¬ÆÎÌïÊÐÐãÓìÇøÎÛË®´¦Öóͷ£³§ÏÖÔÚÒÑÍê³ÉÒ»ÆÚ¡¢¶þÆÚ½¨É裬ÎÛË®´¦Öóͷ£ÄÜÁ¦Îª2Íò¶Ö/ÈÕ£¬ÏÖÔÚÆ½¾ùÈÕÏÖʵ´¦Öóͷ£Á¿Ô¼7400m3/d£¬×î´ó´¦Öóͷ£Á¿Ô¼9500 m3/d¡£±¾ÏîÄ¿ÎÛË®ÅÅ·ÅÁ¿Îª1.28t/d£¬½öÕ¼ÆÎÌïÊÐÐãÓìÇøÎÛË®´¦Öóͷ£³§ÏÖÓÐÈÝÁ¿µÄ0.01%£¬¹Ê±¾ÏîÄ¿ÅŷŵķÏË®²»»á¶ÔÆÎÌïÊÐÐãÓìÇøÎÛË®´¦Öóͷ£³§µÄÔËÐиººÉÔì³ÉÓ°Ï졣ͬʱÏîÄ¿·ÏˮΪ¼òÆÓµÄÉú²ú·ÏË®£¬¾³§ÄÚ´¦Öóͷ£´ï±êºóÅÅÈëÊÐÕþ¹ÜµÀ£¬²»»á¶ÔÎÛË®´¦Öóͷ£³§Ë®Öʱ¬·¢½Ï´óÓ°Ïì¡£×ÛÉÏÏîÄ¿¾ßÓÐÄÉÎÛ¿ÉÐÐÐÔ¡£
6.1.2 ÎÛË®ÖÎÀí²½·¥
ÏîÄ¿ÉÙÁ¿ÉúÑÄÎÛË®¾»¯·à³Ø´¦Öóͷ£×°±¸´¦Öóͷ£ºó£¬³öˮˮÖʵִÎÛË®×ÛºÏÅŷűê×¼¡·£¨GB8978-1996£©±í 4ÖÐÈý¼¶±ê×¼£¬Í¨¹ý½ÓÊܽøÈëÍûɽ·ÊÐÕþÎÛË®¹ÜÍø¡£
´¦Öóͷ£¹¤ÒÕÁ÷³Ì¼ò½é£ºÏîÄ¿·ÏË®½øÈ뻯·à³Øºó£¬»¯·à³ØÖзà±ãÓÉé²Þ¹ÜµÀ½øÈëµÚÒ»³Ø£¬³ØÄÚ·à±ã±¬·¢ÕÓÆø×îÏÈ·¢½ÍÆÊÎö£¬Òò±ÈÖØ²î±ð·à±ã¿É·ÖΪÈý²ã£¬ÉϲãΪ½ÏÁ¿Å¨µÄ·àÔüÀ¬»ø£¬Ï²ãΪ¿é×´»ò¿ÅÁ£×´·àÔü£¬ÖвãΪ½ÏÁ¿ÇåµÄ·àÒº£¬ÔÚÉϲã·à±ãºÍϲã·àÔüÖк¬Ï¸¾úºÍ¼ÄÉú³æÂÑ×î¶à£¬Öв㺬³æÂÑ×îÉÙ£¬ÆðÔ´·¢½ÍµÄÖвã·àÒº¾ÓÉ»¯·à¹ÜÁ÷µ½µÚ¶þ¸ñ³Ø£¬µÚ¶þ¸ñ³ØÄÚÔÙ»¯½ÍÆÊÎö³ÁµíºóÒçÁ÷µ½µÚÈý¸ñ£¬µÚÈý¸ñ³ØÔÙ¾ÓɳÁµí¹ýÂ˺óÇåË®ÅÅ·Å¡£µÚ1 ³Ø¡¢µÚ2 ³Ø¡¢µÚ3 ³ØµÄÈÝ»ý±ÈӦΪ2£º1£º3£¬·à±ãÔÚµÚÒ»³ØÐèÍ£Áô20 Ì죬µÚ¶þ³ØÍ£Áô10 Ì죬µÚÈý³ØÈÝ»ýÖÁÉÙÊǶþ³ØÖ®ºÍ¡£
×ÛÉÏËùÊö£¬»¯·à³ØÎÛË®´¦Öóͷ£¹¤ÒÕÁ÷³Ì¼òÆÓ¡¢´¦Öóͷ£±¾Ç®µÍ¡¢×°ÖÃάÐÞ¼°²Ù×÷ÈÝÒס£±¾ÏîÄ¿·ÏË®¾»¯·à³Ø¾ÙÐд¦Öóͷ£ºó£¬·ÏˮˮÖÊΪCODCr252.6mg/L£¬BOD5123.9mg/L£¬SS154mg/L£¬¶¯Ö²ÎïÓÍ7mg/L£¬ÄִܵÎÛË®×ÛºÏÅŷűê×¼¡·£¨GB8978-1996£©±í4 ÖеÄÈý¼¶±ê×¼£¬ÆäÖа±µª¡¢×ÜÁ×´ï¡¶ÎÛË®ÅÅÈë³ÇÕòÏÂË®µÀË®Öʱê×¼¡·£¨CJ343-2010£©±í1 µÄB Æ·¼¶±ê×¼¡£´¦Öóͷ£´ï±êºóµÄÎÛˮֱ½Ó½ÓÈëÊÐÕþÎÛË®¹ÜÍø£¬×îºó½øÈëÐãÓìÇøÎÛË®´¦Öóͷ£³§´¦Öóͷ££¬Òò´Ë±¾ÏîÄ¿·ÏË®¶ÔÖܱßÇéÐÎÓ°Ïì½ÏС£¬·ÏË®ÖÎÀí²½·¥¿ÉÐÐ
6.2 ·ÏÆøÓ°ÏìÆÊÎö¼°ÖÎÀí²½·¥
6.2.1 ·ÏÆøÇéÐÎÓ°ÏìÆÊÎö
ÏîÄ¿ÔÚÕý³£¹¤¿öÏ£¬ÎÞ·ÏÆøÍâÅÅ¡£·ÇÕý³£¹¤¿öʱ±¬·¢µÄ·ÏÆøÖ÷ÒªÊÇʹÊ״̬ºÍÄ¥Á·Ê±ÅŷŵÄÉÙÁ¿×ÔÈ»ÆøÒÔ¼°¼Ó³ôϵͳ±¬·¢µÄ³ôÆø¡£
Çå¹Ü×÷ÒµÒ»Ñùƽ³£Ã¿Äê¾ÙÐÐ1¡«2 ´Î×÷Òµ£¬·¢ÇòͲÓÐÉÙÁ¿×ÔÈ»Æø½«Í¨¹ý·Å¿Õϵͳֱ½ÓÅÅ·Å¡£×°±¸°´ÆÚÄ¥Á·£¬Ò»Ñùƽ³£Ã¿Äê¾ÙÐÐÒ»´Î¡£Ä¥Á·±¬·¢µÄÉÙÁ¿×ÔÈ»ÆøÍ¨¹ý¹¤ÒÕÕ¾³¡ÍâµÄ·Å¿Õϵͳֱ½ÓÅÅ·Å¡£Æ¾Ö¤Àà±ÈÊӲ죬ÿ´ÎÇå¹Ü×÷Òµ×ÔÈ»ÆøÅÅ·ÅÁ¿Ô¼Îª50m3£¬ÇÒÊÇ˲¼äÅÅ·Å£¬¶ÔÇéÐÎÓ°Ïì½ÏС¡£ÏµÍ³³¬Ñ¹Ê±½«ÅÅ·ÅÒ»¶¨Á¿µÄ×ÔÈ»Æø£¬×ÔÈ»Æø³¬Ñ¹·Å¿Õϵͳ·Å¿Õ´ÎÊýÉÙÉÙ£¬±¬·¢ÆµÂÊΪ1¡«2 ´Î/Ä꣬ÿ´ÎÒ»Á¬Ê±¼äΪ2¡«5min£¬ÓÉÓÚ·Å¿ÕÁ¿½ÏС£¬¶ÔÇéÐεÄÓ°Ïì½ÏС¡£
³ôÆø£º±¾ÏîÄ¿ÔÚÕý³£¹¤¿öϲ»»á±¬·¢¶ñ³ôÎÊÌ⣬ÔÚ·ÇÕý³£¹¤¿öÈçÄ¥Á·Ê±ÅŷŵÄ×ÔÈ»Æø»áÓгôÆøÅÅ·Å£¬ÏîÄ¿ËùÑ¡Óõļӳô¼ÁËÄÇâàç·Ô¾ßÓп¹Ñõ»¯ÐÔÇ¿¡¢»¯Ñ§ÐÔ×ÓÎȹ̡¢ÆøÏ¢´æÁô³¤ÆÚ¡¢È¼ÉÕºóÎÞ²ÐÁôÎï¡¢²»ÎÛȾÇéÐΡ¢Ìí¼ÓÁ¿ÉÙ¡¢ÇÖÊ´ÐÔСµÄÌØµã£»ÔÚ·ÇÕý³£ÇéÐÎÏ£¬³ôÆøµÄÅÅ·ÅŨ¶ÈÒ²²»´ó£¬ÇÒ·ÇÕý³£¹¤¿öÀúʱ½Ï¶Ì£¬²»»á¶ÔÇéÐα¬·¢Ì«´óµÄÓ°Ïì¡£
6.2.2 ·ÏÆøÖÎÀí²½·¥
ΪÁ˱ÜÃⳬѹÕ÷ÏóµÄ±¬·¢£¬ÔÚ³Ðѹװ±¸ºÍÈÝÆ÷ÉÏ»òÆäÅþÁ¬ÊÜÏßÉÏÉèÇ徲йѹװÖᣱ¾ÏîĿվ³¡µÄÇå¹Ü½Ó¡¢·¢Çò×°Öü°Ê䯸¸ÉÏßÉϾùÉèÖÃÓÐй·Å¹ÜÏߣ¬Ð¹Ñ¹·Å¿ÕµÄÆøÌå¾Ð¹·Å¹ÜÏßÔËËÍÖÁ·Å¿Õ¹Ü¡£ÕâÖÖйѹ·Å¿Õ·½·¨ÓÐÀûÓÚÇéÐα£»¤ºÍ·À»ðÇå¾²¡£µ«ÔÚÄ¥Á·»òʹʷſÕʱ£¬½«»áÓÐÖÊÁÏÆøÐèÒª·Å¿Õ¡£ÎªÁ˱ÜÃâ×ÔÈ»Æø×ß©Ôì³ÉµÄ´óÆøÇéÐÎÎÛȾ£¬±ØÐè½ÓÄÉÏà¹Ø²½·¥ÔöÇ¿¶Ô¹ÜÏßµÄά»¤£º
¢Ù°´¡¶Ê䯸¹ÜµÀ¹¤³ÌÉè¼ÆÊÖÒչ淶¡·£¨GB50251-2003£©ÖеĻ®¶¨£¬×ÔÈ»Æø¼¯Êä¹ÜÏßÉèÖÃ×Ô¶¯½Ø¶Ï·§£»
¢ÚΪ±ÜÃâÊ䯸¹ÜÏßÖÐÄýÒºÔÓÖʵĻý½á£¬Õ¾ÄÚÉèÇå¹ÜÊÕ¡¢·¢ËÍ×°Ö㬰´ÆÚ¾ÙÐÐͨÇò£¬±£»¤ÍâÊä¹ÜÏßµÄÕý³£Éú²ú£»
¢Û¹Ü²ÄÑ¡²ÄÉÏÑ¡Ôñ¿¹ËáÐÔ½éÖÊ¡¢ÄÍѹµÄÖ±·ì¸ßƵµç×躸¸Ö¹Ü£¬²¢ÉèÖÃÍâ·À¸¯²ã£»
¢ÜÉèÖÃÓÀÊÀÐÔ±ê¼Ç£»·À»ð·À±¬ÇøÓòÉèÖÃÏÔ×ŵĽû»ð±ê¼Ç£»
¢ÝÑ¡ÓÃÃܱÕÐÔÄÜÓÅÒìµÄ·§ÃÅ£¬°ü¹Ü¿É²ðÅþÁ¬²¿Î»µÄÃÜ·âÐÔÄÜ£»
¢Þ°´ÆÚÄ¥Á·¼¯ÊäÆøÏµÍ³µÄÇå¾²×èÖ¹·§ºÍйѹ·Å¿Õ·§£»°´ÆÚ¾ÙÐÐ×ÔÈ»Æø²â©ĥÁ·£¬ÊµÊ±Ïû³ýʹÊÒþ»¼£»
¢ß¶Ô¹Ü±Úºñ¶ÈµÍÓÚ»®¶¨ÒªÇó¹Ü¶ÎÊµÊ±Ìæ»»£¬Ïû³ý±¬¹ÜÒþ»¼£»
¢à°ü¹ÜͨѶװ±¸×´Ì¬ÓÅÒ죬±¬·¢Ê¹Êʵʱ֪ͨ¾®³¡×èÖ¹ËÍÆø¡£
½ÓÄÉÉÏÊö·ÀÖβ½·¥ºó£¬¿ÉïÔÌ´óÆøÎÛȾµÄÅÅ·ÅÁ¿£¬½«Ó°Ïì½µÖÁ×îµÍ£¬·ÀÖβ½·¥¿ÉÐС£
6.3 ¹ÌÌå·ÏÎïÇéÐÎÓ°ÏìÆÊÎö¼°ÖÎÀí²½·¥
ÔËÓªÆÚ¹ÌÌå·ÏÎïΪÉúÑÄÀ¬»ø£¬Ä걬·¢Á¿Îª2.482t£¬ÉúÑÄÀ¬»øÍøÂçºóÄÉÈëÍâµØÊÐÕþÀ¬»ø´¦Öóͷ£ÏµÍ³£¬ÓÉרÈ˰´ÆÚÍøÂçÓëÖÜΧ³ÇÕòÉúÑÄÀ¬»øÒ»²¢´¦Öóͷ££¬²»»á¶ÔÍâµØÇéÐα¬·¢ÏÔ×ÅÓ°Ïì¡£
ÏîÄ¿ÉúÑÄÀ¬»ø¾ÍøÂçºóͳһ¶Ñ·Å£¬ÓÉ»·ÎÀ²¿·Ö°´ÆÚͳһÇåÔË´¦Öóͷ£¡£ÏîÄ¿¹Ì·Ï²»»áÔì³É¶þ´ÎÎÛȾ£¬²»»á¶ÔÖÜΧÇéÐÎÔì³ÉÓ°Ïì¡£ÎÛȾ·ÀÖβ½·¥¿ÉÐС£
6.4 ÔëÉùÓ°ÏìÆÊÎö¼°ÖÎÀí²½·¥
6.4.1 ÔëÉùÓ°ÏìÆÊÎö
ÓªÔËÆÚÔëÉùÔ´Ö÷ÒªÓе÷ѹװ±¸¡¢Åäµç·¿¡¢¼äЪÔËÐеķ¢µç»ú¡¢·ÅÉ¢¹ÜµÈ£¬ÔëÉùÖµ¾ùÔÚ90dB£¨A£©ÒÔÏ£¬ÔëÉùÔ´Ç¿¼û±í4-10¡£
£¨1£©Õ¹Íûģʽ
ƾ֤¡¶ÇéÐÎÓ°ÏìÆÀ¼ÛÊÖÒÕµ¼Ôò--ÉùÇéÐΡ·£¨HJ2.4-2009£©£¬±¾´ÎÆÀ¼Û½ÓÄɵÄÔëÉùÕ¹ÍûÄ£×ÓÈçÏ£º
ƾ֤ÔëÉùµÄÈö²¥¼ÍÂÉ¿ÉÖª£¬´ÓÔëÉùÔ´ÖÁÊÜÉùµãµÄÔëÉùË¥¼õ×ÜÁ¿ÊÇÓÉÔëÉùÔ´µ½ÊÜÉùµãµÄ¾àÀë¡¢³µ¼äǽÌå¸ôÉùÁ¿¡¢¿ÕÆøÎüÊÕºÍÂÌ»¯´ø×èÖͼ°ÐÞ½¨ÆÁÕϵÄË¥¼õ×ۺ϶ø³É¡£ÔÚ´ËÕ¹ÍûÖУ¬ÎÒÃǽö˼Á¿¾àÀëË¥¼õ£¬¹ÊÑ¡ÓõãÉùÔ´Ë¥¼õģʽ¾ÙÐÐÕ¹Íû¡£
¢ÙµãÉùÔ´Ë¥¼õģʽ£ºLq=Lo¨C20lgr-¡÷L
ʽÖУºLq¨C¨C¨C¾àµãÉùÔ´rÃ×´¦µÄÔëÉù¼¶£¨dB£©
Lo¨C¨C¨C¾àµãÉùÔ´1Ã×´¦µÄÔëÉùÉù¼¶£¨dB£©
¡÷L¨C¨C¨CÆÁÕÏ¡¢ÎüÒôµÈ×ÛºÏÏ÷¼õÉù¼¶£¨dB£©£¬È¡15dB
¹ØÓÚÏîÄ¿²úÔë³µ¼ä¶Ôij¸öÕ¹ÍûµãµÄÓ°Ï죬°´ÏÂʽ¾ÙÐÐÉù¼¶µþ¼Ó£º
¢ÚÉùѹ¼¶µþ¼Ó¹«Ê½£º

ʽÖУºL¡ªÎªn¸öÔëÉùÔ´µÄºÏ³ÉÉùѹ¼¶£¬dB(A)£»
Li¡ªÎªµÚi¸öÔëÉùÔ´ÖÁÕ¹Íûµã´¦µÄÉùѹ¼¶£¬dB(A)£»
n¡ªÔëÉùÔ´µÄ¸öÊý¡£
£¨2£©Õ¹ÍûЧ¹û
ƾ֤ÔëÉùÔ´µÄ°²ÅÅ£¬ÔÚ¾Óɳ§Çø¾àÀëË¥¼õÇéÐÎÏ£¬ÏîÄ¿Ö÷Òª²úÔë×°±¸¾àÀëÏîÄ¿³§½ç¼°Ãô¸ÐµãÔëÉùÕ¹ÍûЧ¹û¼û±í6-1¡£
±í6-1 ½¨ÉèÏîÄ¿ÔëÉù³§½çÓ°ÏìÕ¹ÍûЧ¹û±í µ¥Î»£ºdB(A)
|
Õ¹Íûµã |
ÔëÉùÔ´ |
ÉùÔ´ ÊýÄ¿ |
µ¥¸ö Ç¿¶È |
µ¥Àà ÉùÔ´µÈЧ Éù¼¶Leq |
¾à³§ ½ç¾àÀë m |
¼¸ºÎ ·¢É¢ Ë¥¼õ |
¸ô Éù |
µ¥Àà ÉùÔ´ Т˳ֵ |
³§½ç ×ܹ± Ï×Öµ |
|
|
¶« ³§ ½ç |
µ÷Ñ¹Çø |
1 |
65 |
65 |
10.3 |
20.3 |
15 |
29.7 |
30.2 |
´ï±ê |
|
Åäµç·¿ |
1 |
70 |
70 |
54.3 |
34.7 |
15 |
20.3 | |||
|
ÄÏ ³§ ½ç |
µ÷Ñ¹Çø |
1 |
65 |
65 |
11.3 |
21.1 |
15 |
28.9 |
29.3 |
´ï±ê |
|
Åäµç·¿ |
1 |
70 |
70 |
69.3 |
36.8 |
15 |
18.2 | |||
|
Î÷ ³§ ½ç |
µ÷Ñ¹Çø |
1 |
65 |
65 |
53.4 |
34.6 |
15 |
15.4 |
37.6 |
´ï±ê |
|
Åäµç·¿ |
1 |
70 |
70 |
7.4 |
17.4 |
15 |
37.6 | |||
|
±± ³§ ½ç |
µ÷Ñ¹Çø |
1 |
65 |
65 |
11.0 |
20.8 |
15 |
29.2 |
34.5 |
´ï±ê |
|
Åäµç·¿ |
1 |
70 |
70 |
12.5 |
21.9 |
15 |
33.1 |
´ÓÕ¹ÍûЧ¹û¿ÉÖª£¬ÏîÄ¿»úеװ±¸¾¾àÀëË¥¼õºó£¬³§½çÔëÉùÖª×ã¡¶¹¤ÒµÆóÒµ³§½çÇéÐÎÔëÉùÅŷűê×¼¡·£¨GB12348-2008£© ÖÐ3Àà±ê×¼ÏÞÖµ£»ÁÙÇßá½Â·£¨×ÝÒ»Ïߣ©õè¾¶¡¢LNGÎüÊÕÕ¾½ø¸Ûõè¾¶Ò»²àÖ´ÐÐ4aÀà±ê×¼¡£ÏîÄ¿ÔËÓªÆÚÔëÉù¶ÔÇéÐÎÓ°Ïì²»´ó¡£
£¨3£©·Å¿ÕÔëÉù£º
ÓÉÀà±È×ÊÁÏ¿ÉÖª£¬ÔÚÄ¥Á·»ò½ôÆÈʹÊ״̬µÈ·ÇÕý³£ÔËÐÐÌõ¼þÏ£¬·§ÊÒºÍÕ¾³¡ÄڵķſÕÉèÊ©·Å¿Õʱ»á±¬·¢Ë²Ê±Ç¿ÔëÉù£¬·ÇÕý³£Ìõ¼þϱ¬·¢´ÎÊýΪ1~2 ´Î/a¡£·ÅÉ¢¹Ü±¬·¢µÄÔëÉùÊôÓÚ¿ÕÆø¶¯Á¦ÐÔÔëÉù£¬¾ßÓÐÉù¹¦Âʸߣ¬Èö²¥Ô¶µÄÌØµã£¬ÔëÉù¾ÞϸÓë¹ÜµÀÄÚÆøÌåÁ÷ËÙÓйأ¬¹Ü¾¶Ð¡¡¢ÆøÌåÁ÷Ëٸߡ¢ÉùÔ´´ó¡£Îª½µµÍ·Å¿Õʱ±¬·¢µÄ˲ʱÔëÉù´øÀ´µÄÓ°Ï죬±¾´ÎÆÀ¼Û¶Ô·Å¿ÕÔëÉùÕ¹Íû½ÓÄÉ¡¶ÇéÐÎÓ°ÏìÆÀ¼ÛÊÖÒÕµ¼Ôò¡¤ÉùÇéÐΡ·(HJ2.4-2009)ÖеĵãÉùÔ´Ë¥¼õģʽ£¨Ö»Ë¼Á¿¼¸ºÎ·¢É¢Ë¥¼õ£©£º
±í6-2 ²î±ð¾àÀë·Å¿ÕÔëÉùÓ°ÏìÕ¹ÍûЧ¹û
|
·Å¿Õ¹Ü ¹Ü¾¶ |
Ô´Ç¿/dB(A) |
²î±ð¾àÀëµÄÔëÉùÖµdB(A) | |||||
|
10m |
20m |
55m |
65m |
100m |
120m | ||
|
§¶150 |
90 |
70.0 |
64.0 |
55.2 |
53.7 |
50.0 |
48.4 |
ƾ֤Éϱí·ÅÉ¢¹Ü½ÓÄÉ150mm ¹Ü¾¶Ê±£¬ÔÚ·ÇÕý³£ÇéÐÎÏ·ſÕÔëÉùÔÚ18m ´¦¿ÉÒÔµÖ´ï¡¶ÉùÇéÐÎÖÊÁ¿±ê×¼¡·£¨GB3096-2008£©ÖÐ3ÀàÇø±ê×¼ÏÞÖµ£¬ÏîĿեȡҹ¼ä·Å¿Õ¡£Òò´Ë£¬Æ¾Ö¤×ÔÈ»Æø¹ÜµÀ·Å¿Õʱ¼ä¶Ì¡¢ÆµÂʵ͵ÄÌØµã£¬·ÇÕý³£ÔËÐÐÌõ¼þÏ·ſÕÔëÉù²»»á¶ÔÕ¾³¡ÖÜΧÃô¸Ðµã±¬·¢ÏÔ×ŵÄÓ°Ïì¡£
×ÛÉÏËùÊö£¬±¾ÏîÄ¿ÔËÓªÆÚÕý³£Ìõ¼þÏÂ×°±¸ÔëÉù²»»á¶ÔÕ¾³¡ÖÜΧÃô¸Ðµã±¬·¢µ¹ÔËÓ°Ï죬ÔÚ·ÇÕý³£ÔËÐÐÌõ¼þÏ·ſÕÔëÉù²»»á¶ÔÕ¾³¡ÖÜΧÃô¸Ðµã±¬·¢ÏÔ×ŵÄÓ°Ïì¡£
6.4.2 ÔëÉùÓ°ÏìÖÎÀí²½·¥
ÏîÄ¿ÔëÉùȪԴÖ÷ÒªÊÇÃÅÕ¾×°±¸µÄ»úеÔëÉùÒÔ¼°Õ¾³¡ÔÚÄ¥Á·ºÍϵͳ³¬Ñ¹µÈÇéÐÎϵÄÅÅ¿ÕÔëÉù¡£ÆäÖÐǰÕßÊôÓÚÒ»Á¬ÔëÉù£¬ºóÕßÊôÓÚ¼äЪÐÔÔëÉùÔ´¡£¹ØÓÚÒ»Á¬ÔëÉùÔ´£¬ÏîÄ¿¿ÉÒÔ´ÓÔ´Í·¿ØÖƺñÈ×°±¸¼õÕðÒÔ¼°Èö²¥Í¾¾¶µÄǽÌå¸ôÔë¾ÙÐУ»¹ØÓÚ¼äЪÐÔÉùÔ´£¬°´ÆÚÇå¹Ü²»¿É×èÖ¹£¬¿ÉÊÇÏîÄ¿¿ÉÒÔͨ¹ýÊÂÇéÖ°Ô±Ò»Ñùƽ³£µÄ×Ðϸά»¤ïÔÌϵͳ³¬Ñ¹ÇéÐδÎÊý£¬ËõСÔëÉùÔ´ÅÅ·Å´ÎÊý¡£
½ÓÄɵIJ½·¥Ö÷ÒªÓУºÑ¡ÔñµÍÔëÉù×°±¸£¬ÒÔ½µµÍÉùÔ´Éù¼¶£»ÏìÓ¦µÄ½ÓÄɸôÉù¼õÕñ²½·¥£»È·¶¨ºÏÀíµÄ¹ÜµÀÁ÷ËÙ£»³¡Õ¾×ÜͼºÏÀí½á¹¹£»»ú·¿ºÍ±Ã·¿Ç½Ìå¼Óºñ£»¼Ó¸ßΧǽ£»³¡Õ¾ÖÜΧÔÔÖÖÊ÷ľ¾ÙÐÐÂÌ»¯£¬Éú²ú×°ÖÃÇøÖÜΧ¼°õè¾¶Á½ÅÔݪֲ»¨»Ü¡¢Ê÷ľ£¬Ö»¹Ü½µµÍÔëÉù¡£¹ÜµÀÔËÐнÓÄÉÁË·ÀÔëÒô²½·¥£¬»ù±¾²»»á¶ÔÖÜΧÇéÐα¬·¢ÔëÉùÓ°Ïì¡£
×ÛÉÏ£¬ÔëÉùÎÛȾ·ÀÖβ½·¥»ù±¾¿ÉÐС£
Æß¡¢ÇéÐÎΣº¦ÆÀ¼Û
×ñÕÕ¹ú¼Ò»·±£¾Ö£¨90£©»·¹Ü×Ö057ºÅ¡¶¹ØÓÚ¶ÔÖØ´óÇéÐÎÎÛȾʹÊÒþ»¼¾ÙÐÐΣº¦ÆÀ¼ÛµÄ֪ͨ¡·¼°¹ú¼Ò»·±£¾Ö»··¢[2005]152ºÅ¡¶¹ØÓÚÔöÇ¿ÇéÐÎÓ°ÏìÆÀ¼ÛÖÎÀíÌá·ÀÇéÐÎΣº¦µÄ֪ͨ¡·µÄ¾«Éñ£¬Æ¾Ö¤¡¶½¨ÉèÏîÄ¿ÇéÐÎΣº¦ÆÀ¼ÛÊÖÒÕµ¼Ôò¡·£¨HJ/T169-2004£©ÒªÇó£¬ÍŽảÄÚ¼ÓÆøÕ¾ÆóÒµ¼°½¨É赥λÌṩµÄ×ÊÁÏ£¬¾ÙÐÐʹÊΣº¦ÆÊÎöºÍÖØ´óΣÏÕÔ´Åжϣ¬ÆÊÎöÆäÓ°Ï죬Ìá³öïÔÌÇéÐÎΣº¦µÄÓ¦¼±²½·¥¼°Éç»áÓ¦¼±Ô¤°¸£¬Îª¹¤³ÌÉè¼ÆºÍÇéÐÎÖÎÀíÌṩ×ÊÁϺÍÒÀ¾Ý£¬ÒÔÆÚµÖ´ï½µµÍ¹¤³ÌÇéÐÎΣº¦£¬ïÔÌÆä¶ÔÇéÐÎΣº¦µÄÄ¿µÄ¡£
7.1 Σº¦Ê¶±ð
1¡¢×ÔÈ»ÆøÐÔ×Ó
ƾ֤¡¶Î£ÏÕ»¯Ñ§Æ·Ãû¼¡·¡¢¡¶¾ç¶¾»¯Ñ§Æ·Ä¿Â¼¡·¡¢¡¶¸ß¶¾ÎïÆ·Ä¿Â¼¡·¡¢¡¶ÖÖÖÖ¼à¿Ø»¯Ñ§Æ·Ãû¼¡·ºÍ¡¶Ò×ÖÆ¶¾»¯Ñ§Æ·µÄ·ÖÀàºÍÆ·ÖÖĿ¼¡·µÈ£¬¶Ô½¨ÉèÏîÄ¿ËùÉæ¼°µÄΣÏÕ¡¢Óк¦ÎïÖʵÄÖ÷ҪΣÏÕÐÔ¾ÙÐÐÇø·ÖÆÊÎöÅú×¢£¬ÏîÄ¿¹¤³Ì²»±£´æ¾ç¶¾Æ·¡¢¸ß¶¾ÎïÆ·¡¢¼à¿Ø»¯Ñ§Æ·ºÍÒ×ÖÆ¶¾»¯Ñ§Æ·¡£
±í7-1 ×ÔÈ»Æø£¨¼×Í飩µÄΣÏÕ¡¢Óк¦ÌØÕ÷±í
|
±êʶ |
ÖÐÎÄÃû£º¼×Íé |
Ó¢ÎÄÃû£ºmethane£»Marsh gas |
·Ö×Óʽ£ºCH4 |
·Ö×ÓÁ¿£º16.04 | ||
|
ΣÏÕ»õÎï±àºÅ£º21008 |
UN±àºÅ£º1972 |
CASºÅ£º74-82-8 | ||||
|
Àí»¯ÐÔ×Ó |
ÐÔ×´£ºÎÞÉ«ÎÞ³ôÆøÌ壬Ö÷ÒªÒòËØÎªº¬83%¡«99%¼×Íé¡¢1%¡«13%ÒÒÍé¡¢0.1%¡«3%±ûÍé¡¢0.2%¡«1.0%¶¡Íé¡£ | |||||
|
È۵㣨¡æ£©£º-182.5 |
ÏûÈÚÐÔ£ºÎ¢ÈÜÓÚË®£¬ÈÜÓÚ´¼¡¢ÒÒÃÑ | |||||
|
·Ðµã£¨¡æ£©£º-160¡«-164 |
Ïà¶ÔÃܶȣ¨Ë®=1£©£º0.42£¨-164¡æ£© | |||||
|
±¥ºÍÕôÆøÑ¹£¨kPa£©£º53.32£¨-168.8¡æ£© |
Ïà¶ÔÃܶȣ¨¿ÕÆø=1£©£º0.55 | |||||
|
ÁÙ½çζȣ¨¡æ£©£º-82.6 |
ȼÉÕÈÈ£¨kJ¡¤kg-1£©£º48624 | |||||
|
ÁÙ½çѹÁ¦£¨MPa£©£º4.59 |
×Ôȼζȣ¨¡æ£©£ºÎÞ×ÊÁÏ | |||||
|
ȼÉÕ±¬Õ¨Î£ÏÕÐÔ |
ȼ±¬Î£ÏÕ£ºÒ×ȼ£¬¾ßÖÏÏ¢ÐÔ |
ȼÉÕ£¨ÆÊÎö£©²úÆ·£ºÒ»Ñõ»¯Ì¼¡¢¶þÑõ»¯Ì¼ | ||||
|
ÉÁµã£¨¡æ£©£º-188 |
»ðÔÖΣÏÕÐÔ·ÖÀࣺ¼×Àà |
¾ÛºÏΣº¦£ºÎÞ×ÊÁÏ | ||||
|
±¬Õ¨¼«ÏÞ£¨V%£©£º5.3¡«15 |
ÎȹÌÐÔ£ºÎÞ×ÊÁÏ | |||||
|
Òýȼζȣ¨¡æ£©£º538 |
½û¼ÉÎǿÑõ»¯¼Á¡¢·ú¡¢ÂÈ | |||||
|
ΣÏÕÌØÕ÷£ºÒ×ȼ£¬Óë¿ÕÆø»ìÏýÄÜÐγɱ¬Õ¨ÐÔ»ìÏýÎÓöÈÈÔ´ºÍÃ÷»ðÓÐȼÉÕ±¬Õ¨µÄΣÏÕ¡£ÓëÎåÑõ»¯äå¡¢ÂÈÆø¡¢´ÎÂÈËá¡¢Èý·ú»¯µª¡¢ÒºÑõ¡¢¶þ·ú»¯Ñõ¼°ÆäËüÇ¿Ñõ»¯¼Á½Ó´¥Ç¿ÁÒ·´Ó¦¡£ÓöË®ÌìÉú°×É«±ù¿é£¬±ù¿éÖ»ÄÜÔÚµÍÎÂÏÂÉúÑÄ£¬Î¶ÈÉý¸ß¼´Ñ¸ËÙÕô·¢£¬Èç¼±¾çÈŶ¯ÄÜÇ¿ÁÒ±¬Åç¡£ÆøÌåÊô¡°´¿´âÖÏÏ¢ÐÔ¡±ÆøÌå¡£ | ||||||
|
Ãð»ðÒªÁ죺ÇÐÆø¾øÔ´¡£Èô²»¿ÉÇÐÆø¾øÔ´£¬Ôò²»ÔÊÐíϨÃð×ß©´¦µÄ»ðÑæ¡£ÅçË®ÀäÈ´ÈÝÆ÷£¬¿ÉÄܵϰ½«ÈÝÆ÷´Ó»ð³¡ÒÆÖÁ¿Õ¿õ´¦¡£ Ãð»ð¼Á£ºÎí×´Ë®¡¢ÅÝÄ¡¢¶þÑõ»¯Ì¼¡¢¸É·Û¡£ | ||||||
|
¶¾ÐÔ |
½Ó´¥ÏÞÖµ£ºÖйú MAC£¨mg/m3£©£ºÎ´Öƶ©±ê×¼£»Ç°ËÕÁª MAC£¨mg/m3£©£º300£»TLVTN£ºACGIH ÖÏÏ¢ÐÔÆøÌ壻TLVWN£ºÎ´Öƶ©±ê×¼¡£ ¼±ÐÔ¶¾ÐÔ£ºLD50£ºÎÞ×ÊÁÏ£»LC50£ºÎÞ×ÊÁÏ¡£ | |||||
|
¿µ½¡Î£º¦ |
ÇÖÈë;¾¶£ºÎüÈ롢ʳÈë¡¢¾Æ¤ÎüÊÕ¡£¿µ½¡Î£º¦£º¼×Íé¶ÔÈË»ù±¾ÎÞ¶¾£¬µ«Å¨¶È¹ý¸ßʱ£¬Ê¹¿ÕÆøÖÐÑõº¬Á¿ÏÔ׎µµÍ£¬Ê¹ÈËÖÏÏ¢¡£µ±¿ÕÆøÖм×Íé´ï25%¡«30%ʱ£¬¿ÉÒýÆðÍ·Í´¡¢Í·ÔΡ¢·¦Á¦¡¢×¢ÖØÁ¦²»¼¯ÖС¢ºôÎüºÍÐÄÌø¼ÓËÙ¡¢¹²¼Ãʧµ÷¡£Èô²»ÊµÊ±ÍÑÀ룬¿ÉÖÂÖÏÏ¢éæÃü¡£Òº»¯×ÔÈ»ÆøÓëÆ¤·ô½Ó´¥£¬¿ÉÖÂÑÏÖØ¶³ÉË¡£ | |||||
|
ÇÀ¾È |
Ƥ·ô½Ó´¥£ºÓôó×ÚÁ÷¶¯ÇåË®³åÏ´¡£ÈôÓж³ÉË£¬¾ÍÒ½ÖÎÁÆ¡£ ÎüÈ룺ѸËÙÍÑÀëÏÖ³¡ÖÁ¿ÕÆøÐÂÏÊ´¦¡£¼á³ÖºôÎüµÀͨ³©¡£ÈçºôÎüÄÑÌ⣬¸øÊäÑõ¡£ÈçºôÎü×èÖ¹£¬Á¬Ã¦¾ÙÐÐÈ˹¤ºôÎü¡£¾ÍÒ½¡£ | |||||
|
·À»¤ |
¹¤³Ì¿ØÖÆ£ºÃܱղÙ×÷£¬ÖÜȫ͸·ç¡£ºôÎüϵͳ·À»¤£ºÒ»Ñùƽ³£²»ÐèÒªÌØÊâ·À»¤£¬µ«½¨ÒéÌØÊâÇéÐÎÏ£¬Åå´ø×ÔÎü¹ýÂËʽ·À¶¾Ãæ¾ß£¨°ëÃæÕÖ£©¡£ÑÛ¾¦·À»¤£ºÒ»Ñùƽ³£²»ÐèÒªÌØÊâ·À»¤£¬¸ßŨ¶È½Ó´¥Ê±¿É´÷Çå¾²·À»¤ÑÛ¾µ¡£ÉíÌå·À»¤£º´©·À¾²µçÊÂÇé·þ¡£ÊÖ·À»¤£º´÷Ò»Ñùƽ³£×÷Òµ·À»¤ÊÖÌס£ÆäËü£ºÊÂÇéÏÖ³¡ÑϽûÎüÑÌ¡£×èÖ¹ºã¾ÃÖØ¸´½Ó´¥¡£½øÈë¹Þ¡¢ÏÞÖÆÐÔ¿Õ¼ä»òÆäËü¸ßŨ¶ÈÇø×÷Òµ£¬ÐëÓÐÈ˼໤¡£ | |||||
|
×ß©´¦Öóͷ£ |
ѸËÙ³·Àë×ß©ÎÛÈ¾ÇøÖ°Ô±ÖÁÓÅÊÆ´¦£¬²¢¾ÙÐиôÀ룬ÑÏ¿áÏÞÖÆÊÕÖ§¡£ÇжϻðÔ´¡£½¨ÒéÓ¦¼±´¦Öóͷ£Ö°Ô±´÷×Ô¸øÕýѹʽºôÎüÆ÷£¬´©·À¾²µçÊÂÇé·þ¡£²»ÒªÖ±½Ó½Ó´¥×ß©Î¾¡¿ÉÄÜÇжÏ×ß©Դ¡£ºÏÀí͸·ç£¬¼ÓËÙÀ©É¢¡£×ß©³öµÄÒºÌåÈçδȼ×Å£¬¿ÉÓÃË®ÅçÁÜʹ×ß©ҺÌåÕô·¢¡¢ÏûÈÚ£¬µ«Õô·¢ËÙÂÊÒª¼ÓÒÔ¿ØÖÆ£¬²»¿É½«¹ÌÌå±ù¾§ÉäÖÁÒºÌå×ÔÈ»ÆøÉÏ¡£ÐÞ½¨Î§µÌ»òÍÚ¿ÓÊÕÈݱ¬·¢µÄ´ó×Ú·ÏË®¡£ÈôÓпÉÄÜ£¬½«Â©³öÆøÓÃÅÅ·ç»úËÍÖÁ¿Õ¿õµØ·½»ò×°ÉèÊʵ±ÅçÍ·ÉÕµô¡£Ò²¿ÉÒÔ½«Â©ÆøµÄÈÝÆ÷ÒÆÖÁ¿Õ¿õ´¦£¬×¢ÖØÍ¸·ç¡£Â©ÆøÈÝÆ÷ÒªÍ×ÉÆ´¦Öóͷ££¬ÐÞ¸´¡¢Ä¥Á·ºóÔÙÓá£ÈôÊÇÒº»¯×ÔÈ»ÆøÒѱ»Òýȼ£¬Ãð»ðÒªÁì²ÎÕÕÇâÆø¡£ | |||||
|
´¢ÔË |
°ü×°ÖÖ±ð£ºO52 | |||||
|
Öü´æÓÚÒõÁ¹¡¢Í¸·çµÄ¿â·¿¡£Ô¶Àë»ðÔ´¡¢ÈÈÔ´¡£¿âβ»ÒËÁè¼Ý30¡æ¡£Ó¦ÓëÑõ»¯¼Á¡¢ÂÈÆøÆ½ÍÑÀë´æ·Å£¬Çмɻ촢¡£½ÓÄÉ·À±¬ÐÍÕÕÃ÷¡¢Í¸·çÉèÊ©¡£Õ¥È¡Ê¹ÓÃÒ×±¬·¢»ð»¨µÄ»úеװ±¸ºÍ¹¤¾ß¡£ ÔÚ´«ËÍÀú³ÌÖУ¬¸ÖÆ¿ºÍÈÝÆ÷±ØÐè½ÓµØºÍ¿ç½Ó£¬±ÜÃⱬ·¢¾²µç¡£°áÔËʱÇá×°Çáж£¬±ÜÃâ¸ÖÆ¿¼°¸½¼þÆÆËð¡£´¢ÇøÓ¦±¸ÓзÀ×ß©µÄרÃÅÒÇÆ÷ºÍÓ¦¼±´¦Öóͷ£×°±¸¡£Å䱸ÏìӦƷÖÖºÍÊýÄ¿µÄÏû·ÀÆ÷²Ä¡£¹Þ´¢Ê±ÒªÓзÀ»ð·À±¬ÊÖÒÕ²½·¥¡£¹à×°Ê±Ó¦×¢ÖØÁ÷ËÙ£¨²»Áè¼Ý3m/s£©£¬ÇÒÓнӵØ×°Ö㬱ÜÃâ¾²µç»ýÀÛ¡£°áÔËʱҪÇá×°Çáж£¬±ÜÃâ°ü×°¼°ÈÝÆ÷Ë𻵡£ | ||||||
2¡¢ÖØ´óΣÏÕÔ´µÄÅжÏ
ÒÔÃÅÕ¾500m¹æÄ£ÄÚ×îΪһ¸ö¹¦Ð§µ¥Î»£¬¸ßѹÊ䯸¹ÜµÀÖܱß500m µÄÔËË͹ܵÀ¹Ü¾¶DN500£¬±Úºñ10mm£¬Õ¾ÄÚÍâ¹Ü³¤ºÏ¼Æ°´1000m¹ÀË㣬Éè¼ÆÑ¹Á¦4MPa£¬Ãܶȣº0.7047kg/Nm3£¬ÅÌËãÆä×ÔÈ»Æø´æÁ¿Îª5.10t£¬ÖÐѹÊ䯸¹ÜµÀÖܱß500m µÄÔËË͹ܵÀ¹Ü¾¶DN300£¬±Úºñ10mm£¬Õ¾Íâ¹Ü³¤°´500m¹ÀË㣬Éè¼ÆÑ¹Á¦0.4MPa£¬Ãܶȣº0.70472kg/Nm3£¬ÅÌËãÆä×ÔÈ»Æø´æÁ¿Îª0.087t£¬Òò´ËÕ¾³¡¹¦Ð§µ¥Î»×ÔÈ»Æø´æÁ¿Îª5.187t¡£
ÒÀ¾Ý¹ú¼Ò±ê×¼¡¶Î£ÏÕ»¯Ñ§Æ·ÖØ´óΣÏÕÔ´±æÊ¶¡·£¨GB18218-2009£©¶Ô¸ÃÏîÄ¿Éæ¼°µ½µÄΣÏÕ»¯Ñ§Æ·¾ÙÐÐÖØ´óΣÏÕÔ´±æÊ¶£¬ÆäÖÐ×ÔÈ»ÆøµÄΣÏÕÌØÕ÷ÊôÓڸñê×¼Öл®¶¨µÄÒ×È¼ÆøÌ壬Ïêϸ±æÊ¶Ð§¹û¼û±í7-2¡£
±í7-2 ÖØ´óΣÏÕÔ´±æÊ¶±í
|
µ¥Î» |
ÎïÁÏÃû³Æ |
×î´ó´æ´¢Á¿£¨t£© |
ÁÙ½çÖü´æÁ¿(t) |
q/Q |
¡Æq/Q |
±æÊ¶Ð§¹û |
|
Õ¾Çø |
×ÔÈ»Æø |
5.187 |
50 |
0.10 |
£¼1 |
·ÇÖØ´óΣÏÕÔ´ |
±í7-3µÄÅÌËãЧ¹ûÅú×¢£¬ÐãÓìÃÅÕ¾×ÔÈ»ÆøÔÚΣÏÕ»¯Ñ§Æ·ÖØ´óΣÏÕÔ´±æÊ¶µ¥Î»ÖÐÏÖʵ±£´æÁ¿ÓëÆäÁÙ½çÁ¿±ÈֵСÓÚ1£¬²»×é³ÉΣÏÕ»¯Ñ§Æ·ÖØ´óΣÏÕÔ´¡£
°´¡¶½¨ÉèÏîÄ¿ÇéÐÎΣº¦ÆÀ¼ÛÊÖÒÕµ¼Ôò¡·£¨HJ/T169-2004£©ÖеÄÓйػ®¶¨£¬ÏîÄ¿ÇéÐÎΣº¦ÆÀ¼¶ÊÂÇé¼¶±ð°´±í7-3»®·Ö¡£ÏîÄ¿ÇéÐÎΣº¦ÆÀ¼ÛÆ·¼¶¶¨Îª¶þ¼¶¡£
±í7-3 ÇéÐÎΣº¦ÆÀ¼ÛÊÂÇ鯷¼¶
|
ΣÏÕÔ´·ÖÀà |
¾ç¶¾Î£ÏÕÐÔÎïÖÊ |
Ò»Ñùƽ³£¶¾ÐÔΣÏÕÎïÖÊ |
¿Éȼ¡¢Ò×ȼΣÏÕÐÔÎïÖÊ |
±¬Õ¨Î£ÏÕÐÔÎïÖÊ |
|
ÖØ´óΣÏÕÔ´ |
Ò» |
¶þ |
Ò» |
Ò» |
|
·ÇÖØ´óΣÏÕÔ´ |
¶þ |
¶þ |
¶þ |
¶þ |
|
ÇéÐÎÃô¸ÐµØÇø |
Ò» |
Ò» |
Ò» |
Ò» |
ƾ֤Σº¦ÆÀ¼Ûµ¼ÔòµÄÒªÇó£¬ÇéÐÎΣº¦ÆÀ¼Û¹Ø×¢µãÊÇʹʶԳ§£¨³¡£©½çÍâÇéÐεÄÓ°Ïì¡£±¾ÏîÄ¿ÇéÐÎΣº¦ÆÀ¼ÛÖ÷Ҫƾ֤¹ÜµÀ×ÔÈ»Æø×ß©¡¢»ðÔÖ¡¢±¬Õ¨Î£º¦¼°½¨É赥λÌṩµÄ×ÊÁϾÙÐÐʹÊΣº¦ÆÊÎö£¬Ìá³öïÔÌÇéÐÎΣº¦µÄÓ¦¼±²½·¥ºÍÓ¦¼±Ô¤°¸£¬Îª¹¤³ÌÉè¼ÆºÍÇéÐÎÖÎÀíÌṩ×ÊÁϺÍÒÀ¾Ý£¬ÒÔÆÚµÖ´ï½µµÍ¹¤³ÌÇéÐÎΣº¦£¬ïÔÌÆä¶ÔÇéÐÎΣº¦¡£
7.2 Ô´ÏîÆÊÎö
1¡¢Ê¹ÊÀàÐÍ
ÏîĿı»®Àú³ÌÖеÄÖ÷ҪΣÏÕ¡¢Óк¦ÒòËØÊDZ¬Õ¨¡¢»ðÔÖ¡¢ÔëÉùÓëÕñ¶¯µÈ¡£µ÷ѹվÓëÐãÓìÃÅÕ¾ºÏ½¨£¬Èô·ºÆð³¬Ñ¹ÇéÐΣ¬»áË𻵵÷ѹÆ÷£¬²¢ÇÒ»¹»áΣ¼°ÃÅÕ¾Óë¹ÜÍøµÄÔËÐУ¬Ôì³É¹ÜÍø×ÔÈ»Æø×ß©´Ó¶øÒýÉúÆøÔֵȣ¬¸ÃʹÊÀàÐÍÖ÷Òª±¬·¢ÓڹܵÀʹʲ¿·Ö£¬ÕâÀï²»×öÏêϸÆÊÎö£¬Òò´ËÄ⽨ÏîÄ¿×î´ó¿ÉÐÅʹÊΪ±¬Õ¨Óë»ðÔÖʹʣ¬ÆäËûʹʸÅÂʺܵ͡£
2¡¢Ê¹ʸÅÂÊ
ϱíΪÕû¸öÐãÓìÃÅÕ¾Ä⽨ÏîÄ¿²½·¥ºó×ÛºÏΣº¦Ö¸Êý¶¨Á¿ÅÌËã±í£¬Æä×ÛºÏΣº¦Ö¸ÊýΪ0.09£¼0.36£¬ÎªµÍΣº¦¹¤³Ì£¬ÐãÓìÃÅվΪ¸Ã¹¤³ÌÖеÄÒ»²¿·Ö£¬¿É¼ûΣº¦¸üµÍ£¬±¬·¢Ê¹ʵĸÅÂÊÒ²¸üС¡£
±í7-4 Ä⽨ÏîÄ¿²½·¥ºó×ÛºÏΣº¦Ö¸Êý¶¨Á¿ÅÌËã±í
|
ÐòºÅ |
Σº¦ÒòËØ |
È¨ÖØ |
Σº¦Ë®Æ½R |
Σº¦Ö¸Êý | ||||
|
W |
I |
ϸС |
½ÏС |
Ò»Ñùƽ³£ |
½Ï´ó |
ÖØ´ó |
T=I¡ÁR | |
|
R1 |
R2 |
R3 |
R4 |
R5 | ||||
|
Σº¦1 |
Á¢ÏîÀú³ÌÖй«ÖÚ¼ÓÈë |
0.03 |
0.025 |
|
|
|
|
0.00075 |
|
Σº¦2 |
ÍÁµØÕ÷ÊÕÕ÷ÓÃÅâ³¥±ê×¼ |
0.15 |
|
0.150 |
|
|
|
0.0225 |
|
Σº¦3 |
ÍÁµØÕ÷ÊÕÅâ³¥³ÌÐòºÍ¼Æ»® |
0.12 |
|
0.150 |
|
|
|
0.018 |
|
Σº¦4 |
¹¤³Ì½¨Éè¼Æ»® |
0.07 |
0.025 |
|
|
|
|
0 00175 |
|
Σº¦5 |
ÔëÉùºÍÕñ¶¯Ó°Ïì |
0.05 |
|
0.060 |
|
|
|
0.03 |
|
Σº¦6 |
¶ÔÅ©ÌïÓ°Ïì |
0.13 |
|
0.080 |
|
|
|
0.0104 |
|
Σº¦7 |
Ë®ÍÁÁ÷ʧ |
0.09 |
|
0.060 |
|
|
|
0.0054 |
|
Σº¦8 |
¶ÔÖܱ߽»Í¨µÄÓ°Ïì |
0.07 |
|
0.060 |
|
|
|
0.0042 |
|
Σº¦9 |
¶ÔµçÁ¦ºÍͨѶÉèÊ©µÄÓ°Ïì |
0.05 |
|
0.060 |
|
|
|
0.003 |
|
Σº¦10 |
Ê©¹¤Çå¾² |
0.07 |
|
0.060 |
|
|
|
0.0042 |
|
Σº¦11 |
Å©ÌïÇå¾²Ó°Ïì |
0.13 |
|
0.120 |
|
|
|
0.0156 |
|
Σº¦12 |
Éú²úÇå¾² |
0.04 |
0.030 |
|
|
|
|
0.0012 |
|
»ã×Ü |
×ÛºÏΣº¦Ö¸Êý |
1 |
|
0.09 | ||||
7.4 Ч¹ûÅÌËã
£¨1£©Õ¾³¡±¬Õ¨Ê¹ÊÇéÐÎÓ°Ïì
¢Ù»÷²¨ÆÆËðÓ°ÏìÆÊÎö
ÃÅÕ¾ÄÚ×ÔÈ»Æø×ß©δ±»Ö±½Óµãȼ£¬´ËʱÈÝÒ×À©É¢Ðγɱ¬Õ¨ÔÆÍÅ¡£±í7-5ÖÐÊDZ¬Õ¨¹¥»÷²¨¶ÔÈ˺ÍÎïµÄ²î±ðΣº¦Ó°ÏìãÐÖµ£¬ÏÖÔÚÆÕ±éÈ¡0.3bar Ϊ±ê×¼ÅÌËã×ÔÈ»Æø±¬Õ¨¹¥»÷²¨Ó°Ïì¾àÀë¡£ÔÚ´ËÖÖÇéÐÎÏ£¬1%µÄÈËËÀÓÚ·ÎΣÏÕ£¬75%µÄÈ˵ĶúÄ¤ÆÆË飬75%µÄÈËÊܵ½±¬Õ¨·ÉƬÑÏÖØÎ£ÏÕ¡£
±í7-5 ±¬Õ¨¹¥»÷²¨Ñ¹Á¦Î£º¦Òò×Ó·§Öµ
|
ΣÏÕãÐÖµ |
ΣÏÕÐÔ | |
|
£¨bar£© |
¶Ô×°±¸»òÐÞ½¨ÎïµÄÓ°Ïì |
¶ÔÈ˵ÄÓ°Ïì |
|
0.3 |
¶ÔÐÞ½¨¼°¼Ó¹¤×°±¸±¬·¢ÑÏÖØÎ£º¦ |
1%ÈËËÀÓÚ·ÎΣÏÕ 75%È˶úÄ¤ÆÆËé 75%ÈËÊܵ½±¬Õ¨·ÉƬÑÏÖØÎ£ÏÕ |
|
0.1 |
¶ÔÐÞ½¨ÎïÔì³É¿ÉÐÞ¸´Ë𺦣¬Ëðº¦×¡Õ¬Íâ±í |
1%È˶úÄ¤ÆÆËé 1%ÈËÊܵ½±¬Õ¨·ÉƬÑÏÖØÎ£ÏÕ |
|
0.03 |
²£Á§ÆÆËé |
Êܵ½±¬Õ¨·ÉƬÉÔ΢ΣÏÕ |
|
0.01 |
10% ²£Á§ÆÆËé |
|
×ÔÈ»ÆøÊôÓÚÒ×±¬ÎïÖÊ£¬ÈôÊÇÒòÉè¼Æ²»ÖÜ¡¢ÖÎÀí²»ÉÆ£¬¿ÉÄܱ¬·¢Ê¹ʶøÒýÆð±¬Õ¨µÈ£¬´øÀ´ÖØ´óΣº¦£¬µ¼ÖÂÖÜΧÇéÐÎÑÏÖØÎÛȾ£¬´Ó¶øÔì³ÉÖØ´ó¾¼ÃËðʧºÍÖ°Ô±ÉËÍö¡£ ±¾ÏîÄ¿·¢ÇòͲÕôÆøÔÆ±¬Õ¨ÅÌËãÀú³ÌºÍЧ¹ûÈçÏ£º DN500 ·¢ÇòͲ1.35m3£¬CÆøÏàÃܶÈ(kg/Nm3)£º0.6982£¬ÊÂÇéѹÁ¦Îª4.0MPa £¨±íѹ£©¡£
W=1.35m3¡Á4.0¡Á103¡Á0.6982/101.325kg/m3=37.2kg
ÆøÌåµÄ±¬Õ¨×ÜÄÜÁ¿Îª£º
E=1.8aWQ=1.8¡Á0.04¡Á37.2¡Á49.45¡Á106=132.45¡Á106
ÆäÖÐaΪÕôÆûÔÆµ±Á¿ÏµÊý£¬Í³¼ÆÖµÎª0.04£»QΪÎïÖÊȼÉÕÈÈ£¬J/kg£»
±¬Õ¨µÄ¹¥»÷²¨Ó°Ïì°ë¾¶£º
R=CS£¨NE£©⅓=236.6CS
ÆäÖÐCS¡ª¡ª±¬Õ¨ÊµÑé³£Êýȡֵ0.03¡«0.4£»N¡ª¡ªÓÐÏÞ¿Õ¼äÄÚ±¬Õ¨±¬·¢ÏµÊý£¬È¡10%¡£ÓÉÉÏʽ¼´¿ÉËã³öËð»µÆ·¼¶£¬Ó°Ïì°ë¾¶ÅÌËãЧ¹û¼ûϱí7-6¡£
±í7-6 ·¢ÇòͲ±¬ÆÆÊ¹ÊËð»µÆ·¼¶
|
Ëð»µÆ·¼¶ |
CSÖµ/mJ |
Ó°Ïì°ë¾¶/m |
×°±¸Ë𻵠|
ְԱΣÏÕ |
|
1 |
0.03 |
7.098 |
ÖØÐÞÉèÖþÎïºÍ¼Ó¹¤×°±¸ |
1%éæÃüÓڷβ¿Î£ÏÕ¡¢>50%¶úÄ¤ÆÆËé¡¢>50%±»Ë鯬»÷ÉË |
|
2 |
0.06 |
14.196 |
ÐÞ½¨ÎïÍâ±í¿ÉÐÞ¸´ÐÐÆÆËð |
1%¶úÄ¤ÆÆËé¡¢1%±»Ë鯬»÷ÉË |
|
3 |
0.15 |
35.49 |
²£Á§ÆÆËé |
±»Ëé²£Á§»÷ÉË |
|
4 |
0.4 |
94.64 |
10%²£Á§ÆÆËé |
|
ÓÉÉϱí¿ÉÖª£¬·¢ÇòͲÕôÆøÔÆ±¬Õ¨Ê¹ʵÄéæÃü°ë¾¶Ô¼7.1m£¬ÖØÉ˰뾶Լ14.2m£¬ÇáÉ˰뾶Լ35.5m£¬¹¤ÒµËðʧ°ë¾¶Ô¼94.6m¡£±¬·¢Ö°Ô±éæÃü¡¢ÖØÉ˵ĿÉÄÜЧ¹û½ö¾ÖÏÞÔÚÕ¾ÄÚ£¬ÇáÉ˵ĿÉÄÜЧ¹û²¿·ÖÆ«ÏòÁè¼ÝÕ¾ÄÚ¹æÄ££¬µ«Ó°ÏìÃæËùÓÐΪԶÀëÖ°Ô±Ò»²à£»¹¤ÒµËðʧ°ë¾¶ÒÑÁè¼ÝÕ¾Çø¹æÄ£Ö®Í⣬²»¹ý£¬Óë·¢ÇòͲÏà¾à99.5m Ö®ÄÚÎÞ·ÇÉú²úÐÔÐÞ½¨Îï¡£ÏîÄ¿ÃÅÕ¾Çå¾²¾àÀëΪ>94.6m£¬Ò»µ©±¬·¢×ß©±¬Õ¨Ê¹ʣ¬Ö°Ô±Ó¦Ñ¸ËÙ³·Àë³ö´Ë¹æÄ£¡£ÎªÔ¤·ÀʹÊÀ©É¢£¬Ó¦ÖØÊÓ³õÆÚɱ¾ø»ðÔÖºÍ×°ÖûðÔÖ̽ͷ¡£ ½ÓÄÉÕôÆûÔÆ±¬Õ¨Ä£×ÓºÍÂÄÀú¹«Ê½£¬¶ÔÓпÉÄÜÔì³ÉÄ⽨ÏîÄ¿ÉèÊ©×ß©±¬È¼µÄʹʾÙÐÐÕ¹ÍûÄ£Ä⣬Ч¹ûÅú×¢£¬×ß©±¬È¼Ê¹ʵÄΣÏÕÐÔºÍÆÆËðÁ¦½Ï´ó£¬Ò»µ©±¬·¢£¬½«¶ÔÈËÉí¡¢ÉèÊ©µÈÔì³ÉÑÏÖØÐ§¹û£¬±ØÐèÑϼÓÌá·ÀºÍÖÎÀí£¬ÆäΣº¦¹æÄ£Ò»Ñùƽ³£¾ÖÏÞÓÚÕ¾Çø¡£ÎªÔ¤·ÀʹÊÀ©É¢£¬Ó¦ÖØÊÓ³õÆÚɱ¾ø»ðÔÖºÍ×°ÖûðÔÖ̽ͷ¡£Æ¾Ö¤ÏÖ³¡ÊӲ죬ÐãÓìÃÅÕ¾ÖÜΧ100m ¹æÄ£ÄÚÎÞˮԴµØ¡¢×¡ÃñÇøµÈ¡£
£¨2£©Õ¾³¡Çå¾²·À»ð¾àÀë
ƾ֤¡¶Ê¯ÓÍ×ÔÈ»Æø¹¤³ÌÉè¼Æ·À»ð¹æ·¶¡·£¨GB50183-2004£©»®¶¨£º¼¯Æø¡¢Ê䯸¹¤³ÌÖÐÈκÎÉú²ú¹æÄ£µÄ¼¯ÆøÕ¾¡¢¼ÆÁ¿Õ¾¡¢Ê䯸վ£¨Ñ¹ÆøÕ¾³ýÍ⣩¡¢Çå¹ÜÕ¾¡¢Å䯸վµÈ¶¨ÎªÎå¼¶Õ¾³¡¡£Îå¼¶Õ¾³¡ÇøÓò°²ÅÅ·À»ð¼ä¾à¼ûϱí7-7¡£
±í7-7 Îå¼¶Õ¾³¡ÇøÓò°²ÅÅÇå¾²·À»ð¼ä¾à µ¥Î»£ºm
|
Ãû³Æ |
Õ¾³¡·À»ð¾àÀë |
|
100ÈËÒÔÉÏµÄÆÜÉíÇø¡¢´åÕò¡¢¹«¹²¸£ÀûÉèÊ© |
30 |
|
100ÈËһϵÄÉ¢¾ÓºâÓî |
30 |
¾ÝÏÖ³¡ÊӲ죬±¾¹¤Õ¾³¡ÓëסÃñÇø×î½ü¾àÀëΪ240m£¬¹¤³ÌÕ¾³¡¾àÀë¾ùÖª×ã·À»ð¼ä¾àÒªÇó¡£Òò´Ë£¬±¾ÆÀ¼ÛÈ·¶¨ÏîĿվ³¡Çå¾²·À»ð¾àÀëΪ30m£¬ËùÓÐÕ¾³¡Öܱß30m ¹æÄ£ÄÚÏÖÔÚÎÞסÃñÇø£¬ÒÔºóեȡÔڸùæÄ£ÄÚ½¨ÉèסÃñÇø¡£
7.5 Σº¦ÆÀ¼Û
Σº¦ÖµÊÇΣº¦ÆÀ¼Û±íÕ÷Á¿£¬°üÀ¨Ê¹ʵı¬·¢¸ÅÂʺÍʹʵÄΣº¦Ë®Æ½¡£½ç˵Ϊ£º
Σº¦ÖµR£¨Ð§¹û/ʱ¼ä£©=¸ÅÂÊP£¨Ê¹ÊÊý/µ¥Î»Ê±¼ä£©¡ÁΣº¦Ë®Æ½C£¨Ð§¹û/ÿ´Îʱ¼ä£©
Σº¦¿É½ÓÊÜÆÊÎö½«½ÓÄÉ×î´ó¿ÉÐÅÔÖÄÑʹÊΣº¦ÖµRmaxÓëÙÉÐÐÒµ¿É½ÓÊÜΣº¦Ë®Æ½RL½ÏÁ¿£¬Æ¾Ö¤Çå¾²ÆÀ¼Û±¨¸æ£¬±¾ÏîÄ¿·ºÆðʹÊʱ²»»áÔì³ÉÖÜΧסÃñÉËÍö
ƾ֤¡¶ÇéÐÎΣº¦ÆÀ¼ÛÊÊÓÃÊÖÒÕºÍÒªÁì¡·(ºú¶þ°îÖ÷±à£¬2000 Äê 6 ÔµÚÒ»°æ)¿ÉÖª£¬ÖÖÖÖΣº¦Ë®Æ½¼°Æä¿É½ÓÊÜˮƽÈçϱí7-8£º
±í7-8ÖÖÖÖΣº¦Ë®Æ½¼°¿É½ÓÊÜˮƽ
|
Σº¦Öµ£¨éæÃü/a£© |
ΣÏÕÐÔ |
¿É½ÓÊÜˮƽ |
|
10-3ÊýÄ¿¼¶ |
²Ù×÷ΣÏÕÐÔÌØÊâ¸ß£¬Ï൱ÓÚÈ˵Ä×ÔÈÏéæÃüÂÊ |
²»¿É½ÓÊÜ£¬±ØÐèÁ¬Ã¦½ÓÄɲ½·¥Ë¢Ð |
|
10-4ÊýÄ¿¼¶ |
²Ù×÷ΣÏÕÐÔÖÐµÈ |
Ó¦½ÓÄÉˢв½·¥ |
|
10-5ÊýÄ¿¼¶ |
ÓëÓÎӾʹʺÍÃºÆøÖж¾Ê¹ÊÊôͳһÁ¿¼¶ |
ÈËÃñ¶Ô´Ë¹ØÏµ£¬Ô¸½ÓÄɲ½·¥Ô¤·À |
|
10-6ÊýÄ¿¼¶ |
Ï൱Óڵض¯ºÍÌìÔÖµÄΣº¦ |
ÈËÃñ²¢²»µ£ÐÄÕâÀàʹʱ¬·¢ |
|
10-7ÊýÄ¿¼¶¡«10-8ÊýÄ¿¼¶ |
Ï൱ÓÚÔÉʯ׹ÂäÉËÈË |
ûÈËԸΪÕâÖÖʹÊͶ×ʼÓÒÔÌá·À |
¾ÅÌËãÐãÓìÃÅվΣº¦Öµ¾ùΪ3.12*10-8£¬Òò´Ë±¾ÏîÄ¿µÄÇéÐÎΣº¦ÊÇ¿ÉÒÔ½ÓÊܵ쬵«ÈÔÐèÒªÔöǿΣº¦Ìá·À²½·¥£¬Öƶ©ÏìÓ¦µÄʹÊÓ¦¼±Ô¤°¸£¬½µµÍΣº¦±¬·¢µÄ¿ÉÄÜÐÔ²¢½«Ê¹ÊÔì³ÉµÄËðʧ½µÖÁ×îµÍ¡£
7.6 Σº¦ÖÎÀí
1¡¢Õ¾³¡Î£º¦Ê¹ÊÌá·À²½·¥
£¨1£©Éè¼Æ±ê×¼
±¾ÏîÄ¿×ÔÈ»ÆøÕ¾³¡µÄÖ÷ÒªÉè¼Æ±ê׼Ϊ¡¶³ÇÕòÈ¼ÆøÉè¼Æ¹æ·¶¡·£¨GB50028-2006£©¡¢¡¶ÐÞ½¨Éè¼Æ·À»ð¹æ·¶¡·£¨GB50016-2006£©£¬ÊÇÏÖÔÚº£ÄÚ¶¼»á×ÔÈ»ÆøÊ¹ÓÃÏîÄ¿ÆÕ±é½ÓÄɵÄÉè¼Æ±ê×¼£¬Òѽ¨³ÉÏîÄ¿µÄʵ¼ù֤ʵÆäÇå¾²¿ÉÐС£Òò´Ë£¬±¾ÏîÄ¿Ê䯸¹ÜµÀºÍÕ¾³¡µÄΣº¦Ìá·ÀÔÚÉè¼Æ±ê×¼ÉÏÓаü¹Ü¡£
£¨2£©Õ¾³¡½á¹¹¼°×ÜÆ½Ãæ°²ÅÅ
ƾ֤¹æ·¶£¬¾àÀë100ÈËÒÔÉÏµÄÆÜÉíÇø¡¢´åÕò¡¢¹«¹²¸£ÀûÉèÊ©¼°100ÈËÒÔϵÄÉ¢¾ÓºâÓîµÄ·À»ð¼ä¾à²»Ð¡ÓÚ30m¡£Æ¾Ö¤ÏÖ³¡ÊÓ²ìЧ¹û£¬±¾¹¤³ÌÃÅÕ¾ÖÜΧ50mÄÚ²»É漰סÃñ¼¯ÖлòÉ¢¾ÓºâÓî¡¢´åÕò¡¢¹«¹²¸£ÀûÉèÊ©£¬Öª×ã·À»ð¹æ·¶ÒªÇó£¬Òò´ËÐãÓìÃÅÕ¾ÓëÖÜΧÐÞ½¨ÎïµÄÇå¾²¾àÀëÊǺÏÀíµÄ¡£
±¾¹¤³Ì¸÷¹¤ÒÕÕ¾³¡¡¢·§ÊÒѡַÇк϶¼»á×ÜÌåÍýÏëºÍ¶¼»áÈ¼Æø×¨ÏòÍýÏëÒªÇó£¬ÇкÏÏÖÐÐÇéÐα£»¤¹æÔò£¬Öª×ã½ÚÔ¼Óõأ¬ÉÙÕ¼¸ûµØµÄÔÔò¡£Ä⽨¸÷Õ¾³¡Ñ¡Ö·ÓëÖÜΧµÄÐæÂä¼°ÆäËû¹«ÓÃÉèÊ©µÄÇå¾²¾àÀë¾ùÇкÏGB50183¡¶ÔÓͺÍ×ÔÈ»Æø¹¤³ÌÉè¼Æ·À»ð¹æ·¶¡·£¬Öª×ã¡¶Ê䯸¹ÜµÀ¹¤³ÌÉè¼Æ¹æ·¶¡·£¨GB50251-2003£©ÒªÇ󣬹¤³ÌûÓкâÓî²ðǨ¡£Õ¾³¡Ñ¡Ö·ÓÐÏàÒ˵ĵØÐΡ¢¹¤³ÌµØÖÊÌõ¼þ¡¢¹©µç¡¢¸øÅÅË®¡¢½»Í¨ºÍͨѶÌõ¼þ£¬±¾ÏîÄ¿Ä⽨¹¤ÒÕÕ¾³¡Ñ¡Ö·ºÏÀí¡£
£¨3£©×°±¸Ñ¡ÐͺÍÇå¾²Éè¼Æ
Õ¾ÄÚÐÞ½¨Îï°´¡¶ÐÞ½¨Ãð»ðÆ÷ÉèÖÃÉè¼Æ¹æ·¶¡·£¨GB50140-2005£©ÒªÇóÉèÖÃÐëÒªµÄÏû·ÀÆ÷²Ä£¬ÈçÒÆ¶¯Ê½Ãð»ðÆ÷²ÄµÈ¡£±¬Õ¨Î£ÏÕ³¡ºÏµÄµçÁ¦ºÍÕÕÃ÷×°±¸Ñ¡Óøô±¬ÐÍ»òÔö°²ÐÍ£»Õ¾ÄÚ¹©Åäµç¼°¿ØÖÆÏß··óÉè·½·¨½ÓÄɵçÀÂÖ±Âñ·½·¨£¬ÊÕÖ§ÐÞ½¨ÎïµÄµçÀ´©¸Ö¹Ü±£»¤ÂñµØ·óÉè²¢×÷·ÀË®Ãܷ⣻·ÀÀ׺ͽӵØÉè¼Æ°´¡¶ÐÞ½¨Îï·ÀÀ×Éè¼Æ¹æ·¶¡·¼°¡¶¹¤ÒµÓëÃñÓõçÁ¦×°ÖõĽӵØÉè¼Æ¹æ·¶¡·µÄ»®¶¨¾ÙÐС£
£¨4£©×Ô¶¯¿ØÖÆÏµÍ³
ÔÚÐãÓìÃÅÕ¾ÉèÒ»Ì×ÅÌËã»úÕ¾¿ØÏµÍ³£¨ÐãÓì¸ßÖÐѹµ÷ѹվ¹¤ÒÕϵͳÓëÖ®¹²Óã©£¬ °²ÅÅÔÚÕ¾ÄÚ¿ØÖÆÊÒ¡£Õ¾¿ØÏµÍ³Ö÷ÒªÓÉÀú³Ì¿ØÖƵ¥Î»¡¢²Ù×÷Ô±ÊÂÇéÕ¾¡¢ÅÌËã»úÍøÂçϵͳµÈ×é³É¡£Õ¾¿ØÏµÍ³Íê³ÉµÄ¶ÔÖ÷Òª¼à¿ØÄÚÈݰüÀ¨£º
¢Ù½ø¡¢³öվζȡ¢Ñ¹Á¦¼à²â¼°³¬ÏÞ±¨¾¯£»
¢Ú½ø¡¢³öÕ¾·§ÃÅÒ£¿Ø¼°·§Î»×´Ì¬¼à²â£»
¢Û×ÔÈ»ÆøÁ÷Á¿¼ÆÁ¿¼°¿ØÖÆ£»
¢ÜÃÅÕ¾¹ýÂËÆ÷ǰºó²îѹ¼à²â¼°³¬ÏÞ±¨¾¯£»
¢Ýµ÷ѹվ¹ýÂËÆ÷ǰºó²îѹ¼à²â¼°³¬ÏÞ±¨¾¯£»
¢ÞÕ¾ÄÚ×ÔÈ»ÆøÅ¨¶È¼à²â±¨¾¯£»
¢ßÃÅÕ¾Éè×ÔÈ»ÆøÁ÷Á¿±È¶Ô¼ÆÁ¿×°Öã»
¢àÃÅÕ¾Éè×ÔÈ»ÆøÉÌÒµ¼ÆÁ¿×°Öã»
¢áµ÷ѹվÉè×ÔÈ»ÆøÉÌÒµ¼ÆÁ¿×°Öá£
ͬʱ±¾¹¤³ÌÔÚÕ¾³¡ºÍ·§ÊÒÉèÖÿÉÈ¼ÆøÌå¼ì²â̽²âÆ÷£¬¼à²âÕ¾³¡ºÍ·§ÊҵĿÉÈ¼ÆøÌåŨ¶È£¬ÔÚ SCADA ϵͳ¾ÙÐб¨¾¯¡£
£¨5£©ÔËÐÐÖÎÀíÓëÖ°¹¤Åàѵ
±¾¹¤³ÌµÄΣº¦Ê¹ÊÌá·À£¬³ýÉÏÊöÉè¼Æ±ê×¼¡¢¹ÜµÀºÍÕ¾³¡½á¹¹¡¢×°±¸Ñ¡ÐͺÍÇå¾²ÉèÊ©¡¢Ïû·ÀÇå¾²Éè¼ÆºÍ×Ô¶¯¿ØÖÆÉè¼ÆÍ⣬ÖÖÖÖ×°±¸µÄÔËÐÐÖÎÀíºÍÖ°¹¤ÅàÑµÉæ¼°µ½ÕâЩÉè¼ÆµÄÕý³£Ðж¯¡£
»ú¹¹ÓëÖ°Ô±ÉèÖãºÉèרÃŵĻú¹¹ÈÏÕæ¸÷Õ¾³¡ºÍÊ䯸¹ÜµÀµÄÇå¾²ÊÖÒÕÖÎÀí£¬Í¬Ê±Å䱸רҵÊÖÒÕÖÎÀíÖ°Ô±£¬»®Çå¸÷Éú²ú¸Ú룬²¢ÅäÆë¸Úλ²Ù×÷Ö°Ô±¡£ÖÎÀíÖ°Ô±ºÍ¸Úλ²Ù×÷Ö°Ô±¾ùÓ¦¾×¨ÒµÊÖÒÕÅàѵ£¬¾ÉóºË¼°¸ñºó·½¿ÉÉϸڡ£²¢Ôöǿְ¹¤µÄÒ»Ñùƽ³£Çå¾²½ÌÓýºÍÅàѵ¡£
ÊÖÒÕÖÎÀí£º½¨É轡ȫµÄÊÖÒÕµµ°¸£¬°üÀ¨Ç°ÆÚµÄ¿ÆÑÐÎļþ¡¢ÆðÔ´Éè¼ÆÎļþ¡¢Ê©¹¤Í¼¡¢ÕûÌ×Ê©ÈËΪÁÏ¡¢Ïà¹Ø²¿·ÖµÄÉóÅúÊÖÐø¼°ÎļþµÈ¡£Öƶ©ÏêϸµÄ¸Úλ²Ù×÷¹æ³ÌµÈ¡£
Éú²úÇå¾²ÖÎÀí£ººÃ¸ÚλְԱµÄÇå¾²ÊÖÒÕÅàѵ£¬Ö÷ҪΪÊ䯸¹ÜµÀµÄ¹¤ÒÕÁ÷³Ì¡¢×°±¸µÄ½á¹¹¼°ÊÂÇéÔÀí¡¢¸Úλ²Ù×÷¹æ³Ì¡¢×°±¸µÄÒ»Ñùƽ³£Î¬»¤¼°±£ÑøÖªÊ¶¡¢Ïû·ÀÆ÷²ÄµÄʹÓÃÓë±£ÑøµÈ¾ÙÐÐÅàѵ£¬×öµ½Ó¦ÖªÓ¦»á¡£
½¨Éè¸÷¸ÚλµÄÇå¾²Éú²úÔðÈÎÖÆ¶È¡¢×°±¸Ñ²»Ø¼ì²éÖÆ¶È£¬ÕâÊǹ淶Çå¾²ÐÐΪµÄÌõ¼þ¡£
½¨ÉèʹÊÓ¦¼±ÇÀÏÕ¾ÈÔ®Ô¤°¸£¬Ô¤°¸Ó¦¶ÔÕùÏȾÈÔ®µÄ×éÖ¯¡¢·Ö¹¤¡¢±¨¾¯¡¢ÖÖÖÖʹʵĴ¦Öóͷ£ÒªÁìµÈ£¬²¢°´ÆÚ¾ÙÐÐÑÝÁ·£¬ÐγÉÖÆ¶È¡£ÔöÇ¿Ïû·ÀÉèÊ©µÄÖÎÀí£¬ÖØµã¶Ô¸É·ÛÃð»ðÉèÊ©¡¢¿ÉÈ¼ÆøÌ屨¾¯ÉèʩҪ°´ÆÚÄ¥Á·£¨²â£©£¬È·±£ÆäÍêºÃÓÐÓá£ÔöǿһÑùƽ³£µÄÇå¾²¼ì²éÓëÉóºË£¬Í¨¹ý¼ì²éÓëÉóºË£¬¹æ·¶²Ù×÷ÐÐΪ£¬¶Å¾øÎ¥Õ£¬Õ½Ê¤ÂéľͷÄÔ¡£
×°±¸ÖÎÀí£º½¨ÉèÍêÉÆµÄ×°±¸ÖÎÀíÖÆ¶È¡¢Î¬ÐÞ±£ÑøÖƶȺÍÍêºÃ±ê×¼¡£ÏêϸµÄÉú²ú×°±¸Ó¦ÓÐרÈËÈÏÕæ¡¢°´ÆÚά»¤±£Ñø¡£Ç¿»¯×°±¸µÄÒ»Ñùƽ³£Î¬»¤ºÍ°´ÆÚ¼ì²é¡£¶Ô×°±¸Ä¥Á·Àú³ÌÖвé³öµÄÎÊÌâÓ¦×é֯ʵÁ¦ÊµÊ±É¨³ý¡£
2¡¢ ÐÐÒµÉè¼Æ¹æ·¶ÓëÌá·ÀÇéÐÎΣº¦µÄ˳ӦÐÔÆÊÎö
Ìá·ÀΣº¦Ê¹ʵı¬·¢£¬³ýÔöǿһÑùƽ³£Çå¾²ÖÎÀíºÍÅàѵÍ⣬ÔÚÉè¼Æ½×¶ÎÑϿᰴÏà¹ØÉè¼Æ¹æ·¶¾ÙÐÐÉè¼ÆºÍ½¨ÉèÊÇÒªº¦¡£±¾ÏîÄ¿×ÔÈ»ÆøÕ¾³¡µÄÖ÷ÒªÉè¼Æ±ê׼Ϊ¡¶³ÇÕòÈ¼ÆøÉè¼Æ¹æ·¶¡·£¨GB50028£2006£©¡¢¡¶ÐÞ½¨Éè¼Æ·À»ð¹æ·¶¡·£¨GB5001-2006£©£¬ÊÇÏÖÔÚº£ÄÚ¶¼»á×ÔÈ»ÆøÊ¹ÓÃÏîÄ¿ÆÕ±é½ÓÄɵÄÉè¼Æ±ê×¼£¬Òѽ¨³ÉÏîÄ¿µÄʵ¼ù֤ʵÆäÇå¾²¿ÉÐС£
±¾ÏîÄ¿½ÓÄÉÁ˽ÏΪÑÏ¿áµÄÉè¼Æ±ê×¼£¬ÐÐÒµÉè¼Æ¹æ·¶ÓëÇéÐÎΣº¦Ê¹ÊÌá·ÀÒªÇóÊÇÏà·ûµÄ¡£
7.7 Σº¦ÆÀ¼ÛС½á
Ä⽨վ³¡Ñ¡Ö·ÓëÖÜΧ¹¤ÒµÆóÒµ¼°ÆäËû¹«ÓÃÉèÊ©µÄÇå¾²¾àÀëÇкϡ¶ÔÓͺÍ×ÔÈ»Æø¹¤³ÌÉè¼Æ·À»ð¹æ·¶¡·£¨GB50183-2004£©¡¢¡¶Ê䯸¹ÜµÀ¹¤³ÌÉè¼Æ¹æ·¶¡·£¨GB50251-2003£©ÒªÇó¡£Õ¾³¡Ñ¡Ö·ÓÐÏàÒ˵ĵØÐΡ¢¹¤³ÌµØÖÊÌõ¼þ¡¢¹©µç¡¢¸øÅÅË®¡¢½»Í¨ºÍͨѶÌõ¼þ£¬Ò²Öª×ã½ÚÔ¼Óõأ¬ÉÙռũÌïµÄÔÔò£¬Õ¾³¡Ñ¡Ö·ºÏÀí¡£
±¾ÏîÄ¿½ÓÄÉÁ˽ÏΪÑÏ¿áµÄÉè¼Æ±ê×¼£¬ÐÐÒµÉè¼Æ¹æ·¶ÓëÇéÐÎΣº¦Ê¹ÊÌá·ÀÒªÇóÊÇÏà·ûµÄ¡£²¢Öƶ©ÁËΣº¦Ó¦¼±Ô¤°¸£¬Ò»µ©±¬·¢Ê¹ʽ«¿ÉѸËÙÏìÓ¦£¬½ÓÄɲ½·¥½«Ëðʧ½µµ½×îС¡£
Òò´Ë£¬±¾ÏîÄ¿µÄÇéÐÎΣº¦Ë®Æ½ÊÇ¿ÉÒÔ½ÓÊܵġ£
°Ë¡¢ÍËÒÛÆÚÇéÐÎÓ°ÏìÆÊÎö
8.1 ×°±¸´¦Öóͷ£
ÏîÄ¿ÍËÒ󼗣®ä×°±¸´¦Öóͷ£Ó¦×ñÕÕÒÔÏÂÁ½·½ÃæÔÔò£¬Í×ÉÆ´¦Öóͷ£×°±¸£º
¢ÙÔÚÍËÒÛʱ£¬Éв»ÊôÓÚÐÐÒµïÔ̹æÄ£µÄ£¬ÇÒÉÐÇÐºÏÆäʱ¹ú¼Ò¹¤ÒµÕþ²ßºÍµØ·½Õþ²ßµÄ×°±¸£¬¿É³öÊÛ¸øÏà¹ØÆóÒµ¡£
¢ÚÔÚÍËÒÛʱ£¬ÊôÓÚÐÐÒµïÔ̹æÄ£¡¢²»ÇÐºÏÆäʱ¹ú¼Ò¹¤ÒµÕþ²ßºÍµØ·½Õþ²ßÖеÄÒ»ÖÖ£¬¼´Ó¦Ó豨·Ï£¬×°±¸¿É°´·ÏÆ·³öÊÛ¸ø½ÓÄɵ¥Î»¡£
8.2 ²úÆ·¼°ÖÊÁÏ´¦Öóͷ£
ÏîÄ¿ÍËÒÛºó£¬ËùʹÓõÄÔÖÊÁϺÍ×°±¸¾ù¿É³öÊÛ¸øÆäËûÆóÒµ£¬ÏîÄ¿ËùÔÚ´óÂ¥¿ÉÕûÀíºó×÷ΪËüÓ㬲»»á¶ÔÇéÐα¬·¢´óµÄÓ°Ïì¡£
8.3 ÇéÐÎÓ°Ïì
ÏîÄ¿ÍËÒÛÆÚµÄÇéÐÎÓ°ÏìÖ÷ÒªÓÐÁ½·½Ã棬һÊǷϾÉ×°±¸Î´Í×ÉÆ´¦Öóͷ£Ôì³ÉµÄÇéÐÎÓ°Ï죻¶þÊÇַδÍ×ÉÆ´¦Öóͷ£Ôì³ÉµÄÇéÐÎÓ°Ïì¡£Èôƾ֤ÉÏÊöµÄ²½·¥¾ÙÐÐÍ×ÉÆ´¦Öóͷ££¬±¾ÏîÄ¿ÔÚÍËÒۺ󣬲»»áÒÅÁôDZÔÚµÄÇéÐÎÓ°ÏìÎÊÌ⣬²»»áÔì³ÉеÄÇéÐÎÎÛȾΣº¦¡£
¾Å¡¢ÇéÐα£»¤Í¶×ʼ°ÇéÐÎÓ°Ïì¾¼ÃËðÒæÆÊÎö
9.1»·±£Í¶×Ê
ÇéÐα£»¤²½·¥°üÀ¨Éú̬»Ö¸´¡¢Ë®¹¤±£»¤¡¢Ë®ÍÁÁ÷ʧ·ÀÖΡ¢Õ¾³¡ÂÌ»¯¡¢ÔëÒô·ÀÖΡ¢ÎÛË®´¦Öóͷ£µÈ¡£»·±£¹¤³ÌÁ¿¼°Í¶×ʹÀËã¼û±í8-1£º
±í8-1 »·±£Í¶×ʹÀË㣨ÍòÔª£©
|
ÐòºÅ |
ÖÖ±ð |
Ͷ×ÊÓÃ¶È |
±¸×¢ |
|
1 |
·ÏË®ÖÎÀí |
15 |
»¯·à³Ø´¦Öóͷ£ºó½ÓÈëÍûɽ·ÊÐÕþÎÛË®¹ÜÍøµÄÎÛË®¹ÜÍø |
|
2 |
ÔëÉùÖÎÀí |
10 |
¸ßÔëÉù×°±¸£¨½ÓÄɸôÒô¼õÕð×°±¸£¬½ÓÄÉΧǽ¡¢ÂÌ»¯´øµÈ¸ôÉù½µÔë²½·¥£© |
|
3 |
¹Ì·Ï´¦Öóͷ£ |
0.2 |
À¬»øÍ° |
|
4 |
Éú̬ά»¤ |
100 |
Ö²±»¡¢µØÃ²»Ö¸´£¬Ë®ÍÁ±£»¤µÈ |
|
5 |
ÂÌ»¯ |
10 |
³§Çø¾°¹Û¡¢ÂÌ»¯ |
|
ºÏ¼Æ |
135.2 |
ÏîÄ¿×ÜͶ×Ê19853.56ÍòÔª | |
|
Õ¼×ÜͶ×ʵıÈÀý |
0.68% | ||
Õ¾³¡ÂÌ»¯¡¢ÔëÒô·ÀÖΡ¢ÎÛË®´¦Öóͷ£ºÍÏßÂ·ÑØÏßµÄÖ²±»¡¢µØÃ²»Ö¸´¡¢Ë®¹¤±£»¤µÈÓöȣ¬¹²¼Æ135.2ÍòÔª£¬Õ¼ÏîÄ¿×ÜͶ×ʵÄ0.68£¥¡£
9.2ÇéÐξ¼ÃËðÒæÆÊÎö
1¡¢Éç»áÐ§ÒæÆÊÎö
ÐãÓìµØÇøÄÜÔ´½á¹¹ÒÔú̿¡¢ÖØÓÍΪÖ÷£¬ÕâЩȼÁÏȼÉÕ¶ÔÇéÐÎÎÛȾ½ÏΪÑÏÖØ£¬Òò´ËÆÈÇÐÐèÒª¸ÄÉÆÄÜÔ´½á¹¹ºÍ´óÆøÇéÐΣ¬ÓÅÖÊÄÜÔ´µÄ½ôȱÒѳÉÎªÖÆÔ¼µØÇø¾¼Ã¿ÉÒ»Á¬Éú³¤µÄÕϰ¡£ÌØÊâÊÇ×ÔÈ»Æø×÷ΪһÖÖÖ÷ÒªµÄÇå½àÄÜÔ´£¬¿ÉÒÔ¸ÄÉÆÑØÏßÒÔȼú¡¢È¼ÓÍ¡¢µçÁ¦ÎªÖ÷ÒªÄÜÔ´ÏûºÄµÄÄÜԴʹÓÃÃûÌã¬Ò»¶¨Ë®Æ½ÉÏ»º½â²¿·ÖÐÐÒµµÄÓÃÄÜѹÁ¦¡£¹ÜµÀ×ÔÈ»Æø×÷ΪÆÎÌïÖ÷ÒªµÄ¶¼»á»ù´¡ÉèÊ©£¬¶Ô¸ÄÉÆÍ¶×ÊÇéÐΡ¢·¢¶¯Ïà¹Ø¹¤ÒµµÄÉú³¤¡¢Ìá¸ßÀͶ¯Éú²úÂÊ¡¢µÞ×÷Óýҵʱ»ú£¬ÓÐ×ůձ顢ÉîÔ¶µÄÉç»áÐ§Òæ¡£
2¡¢ÇéÐÎÐ§ÒæÆÊÎö
Ä⽨¹¤³ÌÏà½üµØÇø´ó×Úȼú£¬ÊÇÔì³ÉÇéÐÎÎÛȾµÄ»ù´¡Ôµ¹ÊÔÓÉ¡£ÃºÌ¿ÔÚȼÉÕÀú³ÌÖУ¬²»µ«ÅÅ·Å´ó×ÚµÄÑ̳¾¡¢¶þÑõ»¯ÁòºÍµªÑõ»¯ÎïµÈÎÛȾÎ»¹ÓÉÓÚȼÉÕ×°±¸µÄЧÂʵͣ¬ÑÌÆøÃ»ÓоÓɳý³¾¼°ÍÑÁòµÈ¾»»¯´¦Öóͷ££¬Õâ´ó´ó¼ÓÖØÁË´óÆøÇéÐεÄÎÛȾ¡£
±¾¹¤³ÌѹËõÔËË͵ĽéÖÊÊÇÇå½àµÄ×ÔÈ»Æø£¬×ÔÈ»Æø×÷ΪÇå½àÄÜÔ´£¬¾ßÓÐÆäËüÄÜÔ´£¨ÃºÌ¿¡¢ÓÍ£©²»¿ÉÏà±ÈµÄÓÅÊÆ£¬¶ÔÇéÐεÄÎÛȾ¿É¼õÖÁ×îµÍÏÞ¶È¡£ÃÅÕ¾¹¤³Ì½¨³Éºó£¬½«ÎªÍâµØµÄ×ÔÈ»ÆøÄÜԴʹÓÃÌṩ¿É¿¿°ü¹Ü£¬Ê¹µÃ¶¼»áÓµÓø»×ãµÄ×ÔÈ»Æø×÷Ϊ¸ßÆ·ÖʵÄÇå½àÄÜÔ´À´Ìæ»»¸ßÎÛȾµÄú̿µÈȼÁÏ£¬´ó´óïÔ̶þÑõ»¯ÁòºÍ·Û³¾µÄÅÅ·ÅÁ¿¡£
ÓÉÓÚ×ÔÈ»ÆøµÄÌæÃº£¬½«¶ÔïÔÌÇéÐÎÎÛȾ¡¢¸ÄÉÆÆÜÉíÇéÐΡ¢Ìá¸ßסÃñ¿µ½¡Ë®Æ½¼°¶¼»áÇéÐÎÖÎÀíÓöȵĽÚÔ¼±¬·¢Æð¾¢Ó°Ï죬ÔÚ¹ÜÏßÑØÏßÇøÓò½«»ñµÃ×îΪÏÔ×ŵÄÉç»áÐ§ÒæºÍÇéÐÎÐ§Òæ¡£
´Ó»·±£¼°¾¼Ã½Ç¶ÈÆÊÎöÊǺÏÀíµÄ£¬¶ÔÏîÄ¿×Ô¼º¶øÑÔ£¬¾¼ÃÐ§ÒæÏÔ×Å£¬ÆäÉç»áÐ§ÒæÊÇÏÔÖøµÄ£¬ÏîÄ¿¾Óɲ½·¥¼õÎÛ£¬¿É´ó´óïÔÌÏîÄ¿½¨Éè¶ÔÖÜΧÇéÐοÉÄÜÔì³ÉµÄÓ°Ï죬¿É×èÖ¹ÏîÄ¿¶ÔÖÜΧÇéÐεÄÓ°Ï죬¸ÄÉÆÖÜΧÇéÐÎÖÊÁ¿£¬×èÖ¹»·±£Í¶ËßÊÂÎñµÄ±¬·¢¡£Òò´Ë»·±£Í¶×ʾßÓÐÓÅÒìµÄÇéÐΡ¢Éç»á¡¢¾¼ÃÐ§Òæ¡£
Ê®¡¢Ñ¡Ö·ºÏÀíÐÔ¡¢¹¤ÒµÕþ²ß¡¢Æ½Ãæ°²ÅźÏÀíÐÔ
10.1 ÏîĿѡַºÏÀíÐÔÆÊÎö
±¾¹¤³ÌÐãÓìÃÅÕ¾Ä⽨ÉèÔÚÐãÓìÇøÊ¯ÃŰÄLNG¹¤ÒµÔ°±¸Óõأ¬ÇкÏÔ°ÇøÍýÏ룬²»Ó°Ïì¹ú¼Ò×ÔÈ»±£»¤Çø¡¢ÖصãÎÄÎï±£»¤ÇøµÈÇéÐÎÃô¸ÐÇø¡£ÏîÄ¿½¨É赥λÒÑÓëÆÎÌïÊÐÐãÓìÇøÁÙ¸Û¹¤ÒµÔ°ÇøÖÎÀíίԱ»áÇ©ÊðͶ×ÊÐÒ飨¼û¸½¼þ2£©£¬ÆðÔ´Íê³ÉÏîÄ¿Âä»§£¬ÍÁµØÖ¤ÔÚºóÆÚÕÐÅĹҼ°Ïà¹ØÊÖÐøÍê³ÉºóÖÎÀí¡£ÏîĿʩ¹¤Íê³Éºó½«½ÓÄÉÏìÓ¦µÄµØÃ²»Ö¸´²½·¥£¬»Ö»Ø¸´ÓÐÍÁµØµÄʹÓù¦Ð§£¬¶ÔÇéÐεÄÓ°Ïì½ÏС¡£Õ¾Ö·¾ßÓÐÓÅÒìµÄ¹¤³ÌµØÖÊÌõ¼þºÍ·Àºé·ÀÀÔÌõ¼þ£¬½»Í¨Àû±ã£»Õ¾³¡¸÷ÏîÎÛȾÎï¿É×öµÖ´ï±êÅÅ·Å£¬²»»á½µµÍÇøÓòÇéÐι¦Ð§Æ·¼¶£¬´ÓÇéÐα£»¤½Ç¶È¶øÑÔ£¬Õ¾³¡Ñ¡Ö·ºÏÀí¿ÉÐС£
±¾¹¤³Ì¹ÜÏßÏß·²»´©Ô½¹ú¼Ò×ÔÈ»±£»¤Çø¡¢ÖصãÎÄÎï±£»¤ÇøµÈÇéÐÎÃô¸ÐÇø£»Ö»¹Ü±Ü¿ªÐæÂäµÈסÃñµã£¬ïÔ̶ÔÑØÏßÃô¸ÐµãµÄÓ°Ï죻¹ÜÏߴ󲿷ÖÇøÓò¿¿½ü¹úµÀ¡¢ÏصÀ»òÏçµÀ£¬½»Í¨½ÏΪ±ãµ±¡£ÁíÒ»·½ÃæÊ©¹¤Íê³Éºó½«½ÓÄÉÏìÓ¦µÄµØÃ²»Ö¸´²½·¥£¬»Ö»Ø¸´ÓÐÍÁµØµÄʹÓù¦Ð§£¬³ý´©Ô½ºÓÁ÷µÈ¿ÉÄܱ¬·¢ÉÙÁ¿µÄË®ÍÁÁ÷ʧÍ⣬¶ÔÇéÐεÄÓ°Ïì½ÏС¡£
¸ÃÏîÄ¿Ä⽨³¡Õ¾ÖܱßסÃñµã½ÏÉÙ£¬¾à×î½üµÄÃô¸ÐÄ¿µÄ¾ù´óÓÚ50Ã×£¬ÏîÄ¿µÄ½¨Éè¶ÔÖÜΧÇéÐÎÓ°Ïì½ÏС¡£Òò´Ë£¬¸ÃÏîĿѡַ´ÓÇéÐα£»¤½Ç¶ÈÉÏ¿´»ù±¾¿ÉÐС£
10.2 ¹¤ÒµÕþ²ßÆÊÎö
±ÈÕÕ¹úÎñÔºÐû²¼µÄ¡¶¹¤Òµ½á¹¹µ÷½âÖ¸µ¼Ä¿Â¼¡·2011Äê±¾£¨2013ÄêÐÞÕý£©£¬¸ÃÏîÄ¿²»ÊôÓÚ¹ú¼ÒÏÞÖÆ¡¢ïÔÌͶ×ʹ¤Òµ£¬ÊôÓÚÃãÀøÀà¡°ÔÓÍ¡¢×ÔÈ»Æø¡¢Òº»¯×ÔÈ»Æø¡¢ÖÆÆ·Ó͵Ĵ¢Ô˺͹ܵÀÔËËÍÉèÊ©¼°ÍøÂ罨É衱¡£Òò´Ë£¬¸ÃÏîÄ¿ÇкϹú¼ÒÓйع¤ÒµÕþ²ß£¬¸ÃÏîÄ¿µÄÓÐÀûÓÚÔöÌí¾Íҵʱ»ú£¬ÇкÏÍâµØÉç»áÉú³¤ÐèÇó¡£
10.3Æ½Ãæ½á¹¹ºÏÀíÐÔÆÊÎö
ÏîĿվ³¡´óÃų¯ÏòÇßá½Â·£¨×ÝÒ»Ïߣ©£¬Àû±ãÎï×ÊÔËÊä¡£µ÷ѹ¼ÆÁ¿ÉèÖÃÔÚÔ¶ÀëÐÞ½¨Ò»²à£¬×îºéÁ÷ƽ±£»¤×¡ÃñÇå¾²¿µ½¡£»ÇÒÓëÕ¾ÄÚÖµ°àÊÒ¡¢ÃÅÎÀ´¦¡¢°ì¹«×ÛºÏÂ¥µÈ¾àÀëÒ²½ÏÔ¶£¬°ü¹ÜÊÂÇéÖ°Ô±µÄÇå¾²¿µ½¡¡£±¾ÏîÄ¿Æ½Ãæ½á¹¹»ù±¾ºÏÀí¡£
ʮһ¡¢Çå½àÉú²úÆÊÎö
Çå½àÉú²ú¾ÍÊǰѿØÖƹ¤ÒµÎÛȾµÄÖØµã´ÓÔÀ´µÄ×îºóÖÎÀí×ªÒÆÖÁÈ«Àú³ÌµÄÎÛȾ¿ØÖÆ£¬½«×ÛºÏÔ¤·ÀµÄÇéÐÎÕ½ÂÔÒ»Á¬Ó¦ÓÃÓÚÉú²úÀú³ÌºÍ²úÆ·ÖУ¬´Ó¶øÊ¹ÎÛȾÎïµÄ±¬·¢Á¿¡¢ÅÅ·ÅÁ¿×îС»¯£¬ÒÔ±ãïÔ̶ÔÈËÀàºÍÇéÐεÄΣº¦¡£ÍÆÐÐÇå½àÉú²ú¿ÉµÖ´ï¡°½ÚÄÜ¡¢½µºÄ¡¢¼õÎÛ¡¢ÔöЧ¡±µÄÄ¿µÄ£¬ÊDZ£»¤ÇéÐΡ¢ÊµÏÖ¾¼Ã¿ÉÒ»Á¬Éú³¤µÄ±ØÓÉ֮·£¬×ÅʵÖÊÊǼȽ²¾¼ÃÐ§Òæ¡¢ÓÖ½²ÇéÐÎÐ§Òæ¡¢Éç»áÐ§Òæ¡£
ÃÅÕ¾¡¢µ÷ѹվµÄ½ÚÄܲ½·¥ÓУº³ä·Ö¡¢ºÏÀíʹÓÃLNG×ÔÉíÄÜÁ¿£»½ÓÄɽÚÄܲúÆ·ºÍÃÜ·âÐÔÄܺõÄ×°±¸·§¼þ£¬ïÔÌ×ÔÈ»ÆøÂ©Ëð£»ÐÞ½¨Éè¼ÆÖгä·Ö˼Á¿½ÚÄÜÒòËØ£¬ÔÚ°ü¹ÜÏàͬµÄÊÒÄÚÇéÐÎÌõ¼þÏ£¬ïÔÌ×ÜÄܺģ»Õ¾ÄÚÕÕÃ÷¾ù½ÓÄɽÚÄܵƾߣ»ºÏÀí¶¨Ô±£¬½µµÍÉúÑÄÓÃÆø¡¢ÓÃË®¡¢Óõ磻¸÷ÓÃË®·¿¼äºÏÀí°²ÅÅ£¬¾¡¿ÉÄÜïÔÌÓÃË®ÏûºÄ£»¹«¹²ÎÀÉú¼ä½ÓÄÉ׼ʱˮ³åʽˮÏ䣻µ¥¶ÀÎÀÉú¼ä½ÓÄɽÚË®ÐÍÎÀÉú½à¾ß£¬ÁíÍâ¿É½ÓÄɸÐӦʽ³öË®·§µÈ²½·¥Æðµ½½ÚÔ¼ÓÃË®µÄÄ¿µÄ¡£
±¾ÏîÄ¿¸÷ÏÒÕ½ÏÁ¿ÏȽø£¬ÎÛȾ·ÀÖβ½·¥ÅäÌ׿ÉÐУ¬¾ùÖª×ãÇå½àÉú²úµÄÒªÇó¡£
Ê®¶þ¡¢×ÜÁ¿¿ØÖÆ
ƾ֤¹ú¼Ò×ÜÁ¿¿ØÖƵÄÒªÇó¼°ÏîÄ¿µÄÅÅÎÛÌØµã£¬È·¶¨±¾ÏîÄ¿µÄ×ÜÁ¿¿ØÖÆÖ¸±êÎÛȾÎïΪ£ºCODCr¡¢°±µª¡£
ÏîÄ¿·ÏË®¾»¯·à³Ø´¦Öóͷ£µÖ´ï¡¶ÎÛË®×ÛºÏÅŷűê×¼¡·£¨GB8978-1996£©±í4ÖÐÈý¼¶±ê×¼ºóÄÉÈëÊÐÕþÎÛË®¹ÜÍø¡£´¦Öóͷ£ºóµÄÎÛË®´ï±êÅÅ·ÅŨ¶ÈºÍÅÅ·Å×ÜÁ¿¼û±í12-1¡£
±í12-1 ÏîÄ¿·ÏË®ÎÛȾÎï¿ØÖÆÖ¸±ê£¨·ÏË®Á¿Îª466.85t/a£©
|
ÎÛȾÎï |
ÅÅ·ÅŨ¶È£¨mg/L£© |
±¬·¢Á¿ £¨t/a£© |
Ï÷¼õÁ¿ £¨t/a£© |
ÅÅ·ÅÁ¿ £¨t/a£© |
ÅÅ·Å×ÜÁ¿ £¨t/a£© |
|
CODCr |
252.6 |
0.1965 |
0.0786 |
0.1179 |
0.1179 |
|
NH3-N |
43.65 |
0.0210 |
0.0006 |
0.0204 |
0.0204 |
ƾ֤±¾ÏîÄ¿ÉúÑÄ·ÏË®ÅÅ·ÅÈ¥Ïò£¬±¾ÏîÄ¿·ÏË®ÎÛȾÎï×ÜÁ¿ÄÉÈëÐãÓìÇøÎÛË®´¦Öóͷ£³§×ÜÁ¿¿ØÖÆÖ¸±êÖУ¬²»ÐèÁíÐзÖÅÉ¡£
Ê®Èý¡¢ÇéÐÎÖÎÀí¼°¼à²â
13.1 ÇéÐÎÖÎÀí
ÇéÐÎÖÎÀíÊÇÒÔÇéÐοÆÑ§ÀíÂÛΪ»ù´¡£¬ÔËÓþ¼Ã¡¢Ö´·¨¡¢ÊÖÒÕ¡¢ÐÐÕþ¡¢½ÌÓýµÈÊֶζԾ¼Ã¡¢Éç»áÉú³¤Àú³ÌÖÐÊ©¼Ó¸øÇéÐεÄÎÛȾºÍÆÆËðÓ°Ïì¾ÙÐе÷Àí¿ØÖÆ¡¢ÊµÏÖ¾¼Ã¡¢Éç»áºÍÇéÐÎÐ§ÒæµÄе÷ͳһ¡£±¾ÆÀ¼Ûƾ֤ÏîÄ¿µÄÖ÷ÒªÇéÐÎÎÊÌâ¡¢»·±£¹¤³Ì²½·¥¼°Ê¡¡¢µØÊл·±£²¿·Ö¶ÔÆóÒµÇéÐÎÖÎÀíµÄÒªÇó£¬Ìá³ö¸ÃÏîÄ¿µÄÇéÐÎÖÎÀíºÍ¼ì²âÍýÏ룬¹©¸÷¼¶»·±£²¿·Ö¶Ô¸ÃÏîÄ¿¾ÙÐÐÇéÐÎÖÎÀíʱ²Î¿¼£¬²¢×÷ΪÆóÒµÏîÄ¿ÔËÓª½×¶ÎÇéÐα£»¤ÖÎÀíÊÂÇéµÄÒÀ¾Ý¡£
ÒªÇóÆóÒµÉèÁ¢×¨ÃŵĻ·±£²¿·Ö£¬²¢½«ÆóÒµµÄ»·±£ÊÂÇéÄÉÈëÆóÒµµÄÉú²úı»®ÖÎÀíÖУ¬Ö¸ÅÉרÃŵĻ·±£×¨Ô±ÈÏÕæÆóÒµµÄ¸÷Ïî»·±£ÊÂÇ飬ʵÑé»·±£ÉèÊ©µÄÔËÐС¢¼ì²é¡¢Î¬»¤µÈ¸÷ÏîÊÂÇéµÄ¿ªÕ¹¡£
Õë¶Ô±¾ÏîÄ¿ÌØµã£¬ÇéÐα£»¤ÖÎÀíÊÂÇéÓ¦ÌåÏÖÒÔÏÂÔÔò£º
£¨1£©ÈÏÕæÂäÕæÏàÐα£»¤µÄ¸÷Ïî²½·¥£¬°ü¹ÜÇéÐι¦Ð§¡£
£¨2£©ÔöǿȫÌåÖ°¹¤µÄÇéÐα£»¤Òâʶ£¬Ê¹×¨ÒµÖÎÀíºÍȺÖڼ໤ÏàÍŽᡣ
£¨3£©¿ØÖÆÎÛȾҪÒÔÔ¤·ÀΪÖ÷£¬¹ÜÖÎÍŽᣬ×ÛºÏÖÎÀí£¬ÒÔÈ¡µÃ×îºÃµÄÇéÐÎÐ§Òæ¡£
13.2 ÅÅÎÛÉ걨
£¨1£©ÅÅÎÛµ¥Î»ÓÚÿÄêÄêµ×É걨ÏÂÒ»Äê¶ÈÕý³£×÷ÒµÌõ¼þÏÂÅÅ·ÅÎÛȾÎïÖÖÀà¡¢ÊýÄ¿¡¢Å¨¶ÈµÈÇéÐΣ¬²¢ÌṩÓëÎÛȾÎïÅÅ·ÅÓйصÄ×ÊÁÏ¡£
£¨2£©ÒÀ·¨ÉêÁìÅÅÎÛÔÊÐíÖ¤£¬±ØÐè°´Åú×¼µÄÅÅ·Å×ÜÁ¿ºÍŨ¶È¾ÙÐÐÅÅ·Å¡£
£¨3£©ÅÅ·ÅÎÛȾÎïÐè×÷ÖØ´ó¸Ä±ä»òÕß±¬·¢½ôÆÈÖØ´ó¸Ä±äµÄ£¬±ØÐè»®·ÖÔڱ任ǰ15ÈÕÄÚ»ò¸Ä±äµÄ3ÈÕºóÍÆÐб任É걨ÊÖÐø¡£
£¨4£©Ö±½ÓÏòÇéÐÎÅÅ·ÅÎÛȾÎïµÄµ¥Î»£¬Ó¦µ±×ñÕÕ¡¶ÅÅÎÛ·ÑÕ÷ÊÕʹÓÃÖÎÀíÌõÀý¡·µÄ¹æ×ß½»ÄÉÅÅÎÛ·Ñ¡£
13.3 ÈýÍ¬Ê±ÖÆ¶È
£¨1£©½¨ÉèÏîÄ¿ÐèÒªÅäÌ×µÄÎÛË®´¦Öóͷ£ÉèÊ©¡¢·ÏÆø´¦Öóͷ£²½·¥¡¢¹Ì·Ï´¦Öóͷ£²½·¥¡¢¼õÕñ½µÔëÉèÊ©¡¢ÂÌ»¯µÈ£¬±ØÐèÓëÖ÷Ì幤³ÌͬʱÉè¼Æ£¬Í¬Ê±Ê©¹¤£¬Í¬Ê±Í¶²úʹÓã»
£¨2£©×öºÃ·ÏË®¡¢·ÏÆø¡¢ÔëÉùµÈÎÛȾ´¦Öóͷ£ÉèÊ©ºÍ×°±¸µÄά»¤¡¢±£ÑøÊÂÇ飬°ü¹ÜÎÛȾ´¦Öóͷ£ÉèÊ©ÓнϸߵÄÔËתÂÊ£»
£¨3£©ÎÛȾ´¦Öóͷ£ÉèÊ©Òò¹ÊÐè²ð³ý»ò×èÖ¹ÔËÐУ¬±ØÐèÊÂÏȱ¨»·±£Ö÷¹Ü²¿·ÖÉóÅú£»
£¨4£©ÔÚÊÔÔËÐÐ3¸öÔÂÄÚ£¬½¨É赥λӦÏòÉóÅúÇéÐÎÓ°Ï챨¸æ±íµÄ»·±£ÐÐÕþÖ÷¹Ü²¿·ÖÉêÇë»·±£ÉèÊ©Í깤ÑéÊÕ¡£ÂÄÀúÊÕ¼°¸ñ£¬¸Ã½¨ÉèÏîÄ¿·½¿ÉÕýʽͶÈëÉú²ú»òʹÓá£
13.2 ÇéÐμà²â
±¾ÏîÄ¿¹ØÓÚ·ÏË®¡¢ÔëÉùµÄ¼à²â£¬ÊÜÖ°Ô±ºÍ×°±¸µÈÌõ¼þµÄÏÞÖÆ£¬±¾ÏîÄ¿Ö÷ҪίÍÐÍâµØÓÐ×ÊÖʵļì²âµ¥Î»¾ÙÐмì²â£¬¹Ê¸ÃÆóÒµ¿É²»ÉèÖÃ×ÔÁ¦µÄÇéÐμì²â»ú¹¹£¬ÎªÊµÊ±ÎªÊµÊ±ÕÆÎÕÎÛȾÎïÅÅ·ÅÇéÐΣ¬½¨Éè°´ÆÚ¼à²âÖÆ¶È£¬Ã¿´Î¼ì²â¶¼Ó¦ÓÐÍêÕûµÄ¼Í¼¡£¼à²âÊý¾ÝӦʵʱÕûÀí¡¢Í³¼Æ¡¢×¼Ê±ÏòÖÎÀí²¿·Ö¡¢µ÷Àí²¿·Ö±¨¸æ£¬×öºÃ¼à²â×ÊÁϵĹ鵵ÊÂÇé¡£
½¨É赥λӦ°´ÆÚίÍÐÓÐ×ÊÖʵÄÇéÐμà²âµ¥Î»¶ÔÏîÄ¿µÄ·ÏË®¡¢·ÏÆø¡¢ÔëÉùµÈ¾ÙÐмà²â¡£¼à²âÍýÏëΪ£º
£¨1£©·ÏË®£º
¼à²âµãÉèÖãºÏîÄ¿ÎÛË®Åŷſڡ£
¼à²âÏîÄ¿£ºSS¡¢CODcr¡¢BOD5¡¢°±µª¡¢Ê¯ÓÍÀà¡¢×ÜÁס£
¼à²âƵÂÊ£ºÃ¿Äê1´Î£¬Ã¿´Î¼à²â1Ì죬ÌìÌì²ÉÑù2´Î¡£
²ÉÑù¼°ÆÊÎöÒªÁ죺ƾ֤¡¶ÎÛË®×ÛºÏÅŷűê×¼¡·£¨GB8978-1996£©Óйػ®¶¨Ö´ÐС£
£¨2£©ÔëÉù£º
¼à²âµãÉèÖ㺳§½çÖÜΧ¡£
¼à²âÏîÄ¿£ºÖç¡¢Ò¹µÈЧAÉù¼¶¡£
¼à²âƵÂÊ£ºÃ¿Äê¶ÈÒ»´Î¡£
ÕÉÁ¿ÒªÁ죺°´GB12348-2008¡¶¹¤ÒµÆóÒµ³§½çÇéÐÎÔëÉùÅŷűê×¼¡·ÖеÄÓйػ®¶¨¾ÙÐС£
Ê®ËÄ¡¢½áÂÛÓ뽨Òé
14.1ÇéÐÎÖÊÁ¿ÏÖ×´¼°Ö´Ðбê×¼
£¨1£©Ë®ÇéÐÎÖÊÁ¿ÏÖ×´
ƾ֤ÏîÄ¿ÊôµØË®ÎÄË®Öʼà²âÊý¾Ý£¬±¾¹¤³ÌÕ¾³¡º£Ë®Ë®ÖÊÖª×ã¡¶º£Ë®Ë®Öʱê×¼¡·£¨GB3097-1997£©ÖеÚÈýÀà±ê×¼¡£
£¨2£©´óÆøÇéÐÎÖÊÁ¿ÏÖ×´
±¾¹¤³ÌÖܱßÇøÓòÇéÐÎ¿ÕÆøÖÊÁ¿ÏÖ×´ÓÅÒ죬¶þÑõ»¯Áò¡¢¶þÑõ»¯µª¡¢¿ÉÎüÈë¿ÅÁ£ÎïÄê¾ùÖµ¾ùÖª×ã¡¶ÇéÐÎ¿ÕÆøÖÊÁ¿±ê×¼¡·£¨GB3095-2012£©Öжþ¼¶±ê×¼¡£
£¨3£©ÉùÇéÐÎÖÊÁ¿ÏÖ×´
ƾ֤¡¶ÆÎÌïÊÐÇéÐÎÖÊÁ¿±¨¸æÊ飨2015Äê¶È£©¡·£¨ÆÎÌïÊÐÇéÐα£»¤¾Ö£¬2016Äê4Ô£©£¬¹¦Ð§ÇøÔëÉùÖç¼ä´ï±êÂÊΪ100%£¬Ò¹¼ä´ï±êÂÊΪ81.2%¡£ÓëÉÏÄêÏà±È£¬¹¦Ð§ÇøÔëÉùÖç¼ä´ï±êÂʼá³ÖÎȹ̣¬Ò¹¼ä´ï±êÂÊÓÐËùϽµ¡£1Àà¹¦Ð§ÇøÖç¼äÔëÉùÎÛȾˮƽ¼á³ÖÎȹ̣¬2Àà¹¦Ð§ÇøÖç¼ä¡¢Ò¹¼äÔëÉùÎÛȾˮƽÂÔÓмõÇᣬÆäÓà¸÷¹¦Ð§ÇøÔëÉùÎÛȾˮƽÂÔÓмÓÖØ¡£
õè¾¶½»Í¨ÔëÉùÖç¼äƽ¾ùµÈЧAÉù¼¶Îª67.7·Ö±´£¬Ç¿µ÷Æ·¼¶Îª¡°Ò»¼¶¡±£¬ÊôÓÚ¡°ºÃ¡±Ë®Æ½¡£ÓëÉÏÄêͬÆÚÏà±ÈϽµÁË0.3·Ö±´£¬»ù±¾¼á³ÖÎȹ̣¬ÇкϽ»Í¨¸ÉÏßÔëÉù±ê×¼ÒªÇó¡£
ÇøÓòÇéÐÎÔëÉùÖç¼äƽ¾ùÆ·¼¶AÉù¼¶Îª53.7·Ö±´£¬×ÜÌ寷¼¶Ë®Æ½µÖ´ï¶þ¼¶£¬ÆÀ¼ÛΪ¡°½ÏºÃ¡±£¬ÓëÉÏÄêͬÆÚÏà±È£¬Ï½µÁË0.2·Ö±´£¬ÔëÉùÎÛȾˮƽ»ù±¾¼á³ÖÎȹ̣¬Ö÷ÒªÉùÔ´ÊÇÉç»áÉúÑÄÔëÉù¡£
ƾ֤ÏÖ³¡¿±²é£¬ÐãÓìÃÅÕ¾ËùÔÚµØÖܱßÖ÷ҪΪ¹¤ÒµÓõأ¬ÉùÇéÐÎÖÊÁ¿¿ÉÇкϡ¶ÉùÇéÐÎÖÊÁ¿±ê×¼¡·£¨GB3096-2008£©ÖÐ3Àà±ê×¼£¬ÁÙÇßá½Â·£¨×ÝÒ»Ïߣ©õè¾¶¡¢LNGÎüÊÕÕ¾½ø¸Ûõè¾¶Ö´ÐС¶ÉùÇéÐÎÖÊÁ¿±ê×¼¡·£¨GB3096-2008£©ÖÐ4aÀà±ê×¼¡£Ïß·¹¤³ÌÉùÇéÐÎÖÊÁ¿¿ÉÇкϡ¶ÉùÇéÐÎÖÊÁ¿±ê×¼¡·£¨GB3096-2008£©ÖÐ2Àà±ê×¼¡£
£¨4£©ÆÀ¼Û±ê×¼
¢Ù·ÏË®£º
Ê©¹¤ÆÚ£º·ÏˮΪʩ¹¤Ö°Ô±µÄÉúÑÄÎÛË®£¬¾ÖܱßסÃñµã»¯·à³Ø´¦Öóͷ£ºóÓÃÓÚÅ©ÌïÊ©·Ê£¬Ê©¹¤Àú³Ì±¬·¢µÄÉú²úÎÛË®¾¸ôÓͳÁµíºó»ØÓÃÓÚÉú²ú£¬²»¹ýÅÅ¡£
ÔËÓªÆÚ£ºÎÛˮȪԴÖ÷ÒªÊÇÊÂÇéÖ°Ô±ÉúÑÄÎÛË®£¬ÉúÑÄÎÛË®¾»¯·à³Ø´¦Öóͷ£ºóË®ÖʵִÎÛË®×ÛºÏÅŷűê×¼¡·£¨GB8978-1996£©±í 4ÖÐÈý¼¶±ê×¼ºó½ÓÊÜÅÅÈëÍûɽ·ÊÐÕþÎÛË®¹ÜÍø¡£
¢Ú·ÏÆø£º
ÏîĿʩ¹¤ÆÚ·ÏÆøÅÅ·ÅÖ´ÐС¶´óÆøÎÛȾÎï×ÛºÏÅŷűê×¼¡·£¨GB16297-1996£©±í2ÎÞ×éÖ¯ÅÅ·Å¼à¿ØÅ¨¶ÈÏÞÖµ¡£
¢ÛÔëÉù£º
Ê©¹¤ÆÚÔëÉùÖ´ÐС¶ÐÞ½¨Ê©¹¤³§½çÇéÐÎÔëÉùÅŷűê×¼¡·£¨GB12523-2011£©±í1ÖеÄÅÅ·ÅÏÞÖÆ£¨Öç¼ä¡Ü70dB(A)£¬Ò¹¼ä¡Ü55dB(A)£»ÔËÓªÆÚÖ´ÐС¶¹¤ÒµÆóÒµ³§½çÇéÐÎÔëÉùÅŷűê×¼¡·(GB12348-2008) ÖеÄ3À࣬¼´Öç¼ä¡Ü65dB£¨A£©¡¢Ò¹¼ä¡Ü55dB£¨A£©£¬ÁÙÇßá½Â·£¨×ÝÒ»Ïߣ©õè¾¶¡¢LNGÎüÊÕÕ¾½ø¸Ûõè¾¶Ò»²àÖ´ÐÐ4aÀà±ê×¼£¬¼´Öç¼ä¡Ü70dB£¨A£©¡¢Ò¹¼ä¡Ü55dB£¨A£©¡£
¢Ü¹Ì·Ï£º
ÏîĿʩ¹¤ÆÚ¹Ì·ÏȪԴÓÚÊ©¹¤Ö°Ô±µÄÉúÑÄÀ¬»ø¡¢Ê©¹¤Àú³Ì±¬·¢µÄÐÞ½¨À¬»ø£»ÔËÓªÆÚµÄ¹ÌÌå·ÏÎïÖ÷ÒªÊÇÕ¾³¡ÄÚÊÂÇéÖ°Ô±±¬·¢µÄÉÙÁ¿ÉúÑÄÀ¬»øµÈ¡£ÉúÑÄÀ¬»øÖü´æ´¦Öóͷ£Æ¾Ö¤¡¶¶¼»áÇéÐÎÎÀÉúÉèÊ©ÍýÏë¹æ·¶¡·£¨GB50337-2003£©ÖеÄÒªÇó¾ÙÐÐ×ÛºÏʹÓúʹ¦Öóͷ£¡£
14.2ÇéÐÎÓ°ÏìÆÊÎö½áÂÛ
£¨1£©Ë®ÇéÐÎÓ°ÏìÆÊÎö½áÂÛ
ÏîÄ¿·ÏË®ÄêÅÅ·ÅÔöÁ¿Îª466.85t£¬ÐãÓìÃÅÕ¾ÉúÑÄ·ÏË®¾»¯·à³Ø´¦Öóͷ£ºó³öˮˮÖʵִÎÛË®×ÛºÏÅŷűê×¼¡·£¨GB8978-1996£©±í 4ÖÐÈý¼¶±ê×¼£¬°±µª¡¢×ÜÁ×Ö´ÐС¶ÎÛË®ÅÅÈë³ÇÕòÏÂË®µÀË®Öʱê×¼¡·£¨CJ343-2010£©±í1µÄBÆ·¼¶±ê×¼ºó½ÓÊÜÅÅÈëÍûɽ·ÊÐÕþÎÛË®¹ÜÍø¡£´¦Öóͷ£¹¤ÒÕ¼òÆÓ£¬Í¶×ʱ¾Ç®µÍ£¬¶ÔÄÉÎÛË®ÓòµÄÓ°Ïì½ÏС¡£
£¨2£©·ÏÆøÓ°ÏìÆÊÎö½áÂÛ
ÏîÄ¿Õý³£¹¤¿öÏÂÎÞ·ÏÆø±¬·¢£¬·ÇÕý³£¹¤¿öʱ·ÏÆø±¬·¢Á¿ÉÙ²¢ÇÒ·ÏÆø¼äЪÅÅ·Å£¬ÓÐÀûÓÚ´óÆøÀ©É¢½µµÍŨ¶È£¬¼õСÇéÐÎÓ°Ï죬ÏîÄ¿·ÏÆø¶ÔÇéÐÎÓ°Ïì½ÏС¡£
£¨3£©ÉùÇéÐÎÓ°ÏìÆÊÎö½áÂÛ
ÏîÄ¿ÔëÉùÖ÷ÒªÀ´»úеװ±¸ÔëÉùÒÔ¼°Õ¾³¡ÔÚÇå¹ÜºÍϵͳ³¬Ñ¹µÈÇéÐÎϵÄÅÅ¿ÕÔëÉù£¬ÏîĿͨ¹ýÔöÇ¿ÖÎÀíÒÔ¼°Ç½Ìå¸ôÉù½µÔëºó£¬Æ¾Ö¤Õ¹ÍûЧ¹û¿ÉÖª£¬ÏîÄ¿³§½çÔëÉù¿É×öµÖ´ï±êÅÅ·Å£¬Òò´Ë£¬±¾ÏîÄ¿ÔÚÕý³£ÔËӪʱ£¬ÔëÉù¶ÔÖÜΧµÄÃô¸ÐÄ¿µÄÓ°Ïì²»´ó¡£ÔÚ·ÇÕý³£ÔËÐÐÌõ¼þÏ·ſÕÔëÉù²»»á¶ÔÕ¾³¡ÖÜΧÃô¸Ðµã±¬·¢ÏÔ×ŵÄÓ°Ïì¡£
£¨4£©¹ÌÌå·ÏÎïÇéÐÎÓ°ÏìÆÊÎö½áÂÛ
ÏîÄ¿¹ÌÌå·ÅÆúÎïÖ÷ҪΪְ¹¤ÉúÑÄÀ¬»ø£¬±¬·¢Á¿Ò²½ÏÉÙ£¬ÓÉ»·ÎÀ²¿·Ö°´ÆÚÕûÀí¡£ÏîÄ¿ÉúÑÄÀ¬»ø¾ÉÏÊö²½·¥´¦Öóͷ£ºó£¬²»»á¶ÔÖܱßÇéÐÎÔì³É¶þ´ÎÎÛȾ¡£
14.3ÏîĿѡַºÏÀíÐÔ½áÂÛ
±¾¹¤³ÌÃÅվѡַÇкÏÍýÏëÓõصÄÒªÇó¡£Õ¾Ö·¾ßÓÐÓÅÒìµÄ¹¤³ÌµØÖÊÌõ¼þºÍ·Àºé·ÀÀÔÌõ¼þ£¬½»Í¨Àû±ã£»Õ¾³¡¸÷ÏîÎÛȾÎï¿É×öµÖ´ï±êÅÅ·Å£¬²»»á½µµÍÇøÓòÇéÐι¦Ð§Æ·¼¶£¬ÏîÄ¿ËùÔÚÇøÓòÇéÐÎ¿ÕÆøºÍÇéÐÎÔëÉùÖÊÁ¿ÓÅÒ죬¶Ô±¾ÏîÄ¿µÄÎÛȾÒò×ÓÓÐÇéÐÎÈÝÁ¿¡£Òò´Ë£¬´ÓÇéÐα£»¤½Ç¶ÈÆÊÎö£¬ÏîĿѡַºÏÀí¿ÉÐС£
14.4¹¤ÒµÕþ²ßÇкÏÐÔÆÊÎö
±ÈÕÕ¹úÎñÔºÐû²¼µÄ¡¶¹¤Òµ½á¹¹µ÷½âÖ¸µ¼Ä¿Â¼¡·2011Äê±¾£¨2013ÄêÐÞÕý£©£¬¸ÃÏîÄ¿²»ÊôÓÚ¹ú¼ÒÏÞÖÆ¡¢ïÔÌͶ×ʹ¤Òµ£¬ÊôÓÚÃãÀøÀà¡°ÔÓÍ¡¢×ÔÈ»Æø¡¢Òº»¯×ÔÈ»Æø¡¢ÖÆÆ·Ó͵Ĵ¢Ô˺͹ܵÀÔËËÍÉèÊ©¼°ÍøÂ罨É衱¡£Òò´Ë£¬¸ÃÏîÄ¿ÇкϹú¼ÒÓйع¤ÒµÕþ²ß£¬¸ÃÏîÄ¿µÄÓÐÀûÓÚÔöÌí¾Íҵʱ»ú£¬ÇкÏÍâµØÉç»áÉú³¤ÐèÇó¡£
14.5×ÜÁ¿¿ØÖÆ
ƾ֤½¨ÉèÏîÄ¿ÇéÐÎÓ°ÏìÆÀ¼ÛÖÆ¶È£¬ÒªÇó¶Ô½¨ÉèÏîÄ¿¾ÙÐÐ×ÜÁ¿¿ØÖÆ£¬±¾ÏîÄ¿ÐèÒª¾ÙÐÐ×ÜÁ¿¿ØÖƵÄÎÛȾÎïÖ÷ҪΪ·ÏË®ÖеÄCODCr¡¢°±µª¡£ÏîÄ¿·ÏË®¾³§ÄÚ´¦Öóͷ£ºó½ÓÊܽøÈëÍûɽ·ÊÐÕþÎÛË®¹ÜÍø£¬×îÖÕ»ãÈëÐãÓìÇøÎÛË®´¦Öóͷ£³§´¦Öóͷ£¡£±¾ÏîÄ¿·ÏË®ÎÛȾÎï×ÜÁ¿ÄÉÈëÐãÓìÇøÎÛË®´¦Öóͷ£³§×ÜÁ¿¿ØÖÆÖ¸±ê£¬²»ÐèÁíÐзÖÅÉ¡£
14.6»·±£Í깤ÑéÊÕÄÚÈÝ
»·±£²½·¥ÑéÊÕÏê¼û±í14-1¡£
±í14-1 ÏîÄ¿»·±£²½·¥Í깤ÑéÊÕÒ»ÀÀ±í
|
ÐòºÅ |
ÎÛȾÎïÃû³Æ |
ÖÎÀíÉèÊ© |
ÑéÊÕÒªÇó |
|
1 |
·ÏË® |
»¯·à³Ø |
·ÏË®ÅſڴÎÛË®×ÛºÏÅŷűê×¼¡·£¨GB8978-1996£©±í4ÖÐÈý¼¶±ê×¼£¬°±µª¡¢×ÜÁ×Åŷűê×¼²ÎÕÕÖ´ÐС¶ÎÛË®ÅÅÈë³ÇÕòÏÂË®µÀË®Öʱê×¼¡·£¨CJ343-2010£©Ïà¹Ø»®¶¨ |
|
2 |
ÔëÉù |
×°±¸¼õÕð¡¢ÐÞ½¨£¨Íâ Χǽ£©¸ôÒô |
³§½çÖ´ÐС¶¹¤ÒµÆóÒµ³§½çÇéÐÎÔëÉùÅŷűê×¼¡·(GB12348-2008) ÖеÄ3Àà±ê×¼£¬ÁÙÇßá½Â·£¨×ÝÒ»Ïߣ©õè¾¶¡¢LNGÎüÊÕÕ¾½ø¸Ûõè¾¶Ò»²àÖ´ÐÐ4aÀà±ê×¼ |
|
3 |
¹Ì·Ï |
ÓëÉúÑÄÀ¬»øÓÉ»·ÎÀ²¿·Öͳһ°´ÆÚÇåÔË |
ÑéÊÕ²½·¥ÂäÕæÏàÐÎ |
14.7¶Ô²ß½¨Òé
£¨1£©¶ÔÕ¾ÄڹܵÀ°´ÆÚ¾ÙÐмì²éºÍά»¤£¬°´ÆÚ¼ì²é¸÷Ê䯸¹Ü¡¢¹ýÂËÆ÷¡¢ÔöѹÆ÷¼°Á÷Á¿¼ÆÊÇ·ñÓÐÉøÂ©ÇéÐα¬·¢£¬²¢ÔÚ»ðÔÖΣÏÕ³¡ºÏÉèÖñ¨¾¯×°Öá£
£¨2£©Öƶ©ÑÏ¿áµÄ·À»ð¡¢·À±¬Öƶȣ¬°´ÆÚ¶ÔÉú²úÖ°Ô±¾ÙÐÐÏû·ÀµÈÇå¾²½ÌÓý£¬Í¬Ê±½¨ÉèÇå¾²¼àÊÓ»úÖÆ£¬¾ÙÐÐÇå¾²ÉóºËµÈ£¬²¢Öƶ©½ôÆÈʹʴ¦Öóͷ£Ô¤°¸£¬Ã÷È·Ïû·ÀÔðÈÎÈË¡£
£¨3£©°´ÒªÇóÂäʵÏû·À²½·¥£¬°ü¹ÜÏû·Àõè¾¶¼°Ïû·ÀˮԴµÄÖü±¸£¬²¢Æ¾Ö¤¡¶ÐÞ½¨Ãð»ðÆ÷ÉèÖÃÉè¼Æ¹æ·¶¡·£¨GBJ140-90£©µÄ»®¶¨£¬ÉèÖÃÏìÓ¦ÀàÐÍÓëÊýÄ¿µÄÃð»ðÆ÷¡£
£¨4£©½¨É轡ȫÇéÐÎÖÎÀíÖÆ¶È¡£
£¨5£©Æð¾¢ÊµÑé½ÚÄܽµºÄ²½·¥£¬½øÒ»²½Ìá¸ßÆóÒµÇå½àÉú²úˮƽ¡£
£¨6£©Æð¾¢ÅäºÏÍâµØÇéÐα£»¤ÖÎÀí²¿·ÖµÄ¼àÊÓºÍÖÎÀí¡£×ñÊØÓйØÇéÐÎÖ´·¨¡¢¹æÔò£¬Ê÷Á¢ÓÅÒìµÄÆóÒµÐÎÏó£¬ÊµÏÖ¾¼ÃÐ§ÒæÓëÉç»áÐ§Òæ¡¢ÇéÐÎÐ§ÒæÏàͳһ¡£
14.8×ܽáÂÛ
ÐãÓìÃÅÕ¾¼°óËʯ¡¢Ê¯ÃŰġ¢Áé´¨ÇøÓò¡¢±±°¶¼°ÅäÌ׸ßÖÐѹµ÷ѹվµÈÈ¼Æø¹¤³ÌλÓÚÆÎÌïÊÐÐãÓìÇø¡¢³ÇÏáÇø¡¢ÏÉÓÎÏØ¡¢±±°¶¾¼Ã¿ª·¢Çø¾³ÄÚ¡£ÐãÓìÃÅÕ¾£¨ÓëÐãÓë¸ßÖÐѹµ÷ѹվºÏ½¨£©ÍýÏëÕ¼µØ6668.13m2£¬×ÜÐÞ½¨Ãæ»ý1080m2¡£2017ÄêÊ䯸ÄÜÁ¦µÖ´ï35000Íòm3/Ä꣬2030ÄêÊ䯸ÄÜÁ¦´ï59908Íòm3/Äê¡£óËʯ¡¢Ê¯ÃŰġ¢Áé´¨ÇøÓò¡¢±±°¶¼°ÅäÌ׸ßÖÐѹµ÷ѹվµÈÈ¼Æø¹¤³Ì£¬ÆäÖиßѹ¹ÜÏß46.5km£¬ÖÐѹ¹ÜÏß455.5km¡£
óËʯ¡¢Ê¯ÃŰġ¢Áé´¨ÇøÓò¡¢±±°¶¼°ÅäÌ׸ßÖÐѹµ÷ѹվµÈÈ¼Æø¹¤³Ì¶ÔÇéÐεÄÓ°ÏìÖ÷ÒªÌåÏÖÔÚÊ©¹¤ÆÚ¡£ÓÉÓÚÊ䯸¹ÜµÀ·óÉè¼°Õ¾³¡µÄÓÀÊÀÐÔÕ¼µØ£¬½«²»¿É×èÖ¹µØ¶ÔÑØÏßÉú̬ÇéÐα¬·¢Ò»¶¨Ó°Ï죬µ«²»»áÓ°ÏìÉúÎïµÄ¶àÑùÐÔ£¬Ò²Ã»ÓиıäÉú̬ϵͳ½á¹¹¡£ÍâµØÇøµÄÉú̬ϵͳ¹¦Ð§ºÍ¿ÉÒ»Á¬Ê¹ÓÃÐÔ»ù±¾²»»áÊܵ½Ó°Ï졣ʩ¹¤ÆÚ»¹½«¶ÔÊ䯸վ³¡ÖÜΧºÍ¹ÜµÀÑØÏßµÄÉùÇéÐΡ¢´óÆøÇéÐκ͵رíË®ÇéÐα¬·¢µ¹ÔËÓ°Ï죬µ«Ó°Ïì¹æÄ£ºÍˮƽ¾ù½ÏС£¬¸Ã²¿·ÖÓ°ÏìÊÇÔÝʱµÄ¡¢½×¶ÎÐԵĺ;ֲ¿µÄ¡£Ëæ×ʤ³ÌÊ©¹¤µÄ¿¢Ê£¬ÖÖÖÖµ¹ÔËÓ°Ïì¶¼½«ÖÕÖ¹»ò»ñµÃ»Ö¸´¡£
ÔËÓªÆÚ×ÔÈ»Æø¹ÜµÀÄ¥Á·¡¢Ê¹ÊÅŷŵÄ×ÔÈ»Æø¶ÔÕ¾³¡ÖÜΧ´óÆøÇéÐα¬·¢µ¹ÔËÓ°Ï죬µ«Ó°ÏìµÄ¹æÄ£ºÍˮƽ¼«Ð¡¡£ÔëÉù¡¢·ÏË®¡¢¹Ì·Ï»ù±¾¶ÔÖܱßÇéÐÎÎÞÓ°Ïì¡£Ö»ÒªÔÚ½¨ÉèºÍÔËÓªÀú³ÌÖУ¬ÇÐʵ×öºÃ¡°Èýͬʱ¡±ÊÂÇ飬ÂäʵÉè¼Æ¼°ÆÀ¼ÛÌá³öµÄÎÛȾ¿ØÖƲ½·¥£¬ÕâÖÖµ¹ÔËÓ°Ïì¾Í¿ÉÒÔ½µµÍµ½×îСˮƽ¡£¸ÃÏîÄ¿µÄʵÑ飬¿É·¢¶¯×ÔÈ»Æø¹¤ÒµµÄÉú³¤£¬Ôö½øÆÎÌïÊÐ×ÔÈ»ÆøµÄʹÓÃÀú³Ì£¬½«×ÔÈ»ÆøµÄ×ÊÔ´ÓÅÊÆ¾¡¿ìת»¯Îª¾¼ÃÓÅÊÆ¡£×ÛÉÏ£¬ÏîÄ¿µÄ½¨ÉèÊÇ¿ÉÐеġ£
½ËÕ¾ÃÁ¦ÇéÐ餳ÌÓÐÏÞ¹«Ë¾
2016Äê08ÔÂ26ÈÕ
- Z6×ðÁú¿Ê±ÄÜÔ´¿Í·þ²¿Æô¶¯»ù´¡ÅàѵÔÂÍýÏë
- Z6×ðÁú¿Ê±ÄÜÔ´¿ªÕ¹2016ÄêÍŶÓÍØÕ¹Ô˶¯
- ÆÎÌïÊÐÖÊÁ¿ÊÖÒÕ¼àÊÓ¾Ö¾Ö³¤Ý°ÁÙÀóÔ°¼ÓÆøÕ¾¼ì²éµ÷ÑÐ
- Z6×ðÁú¿Ê±ÄÜÔ´µÚ¶þ½ìÀºÇòÈüÔ²ÂúÂäÄ»
- Z6×ðÁú¿Ê±ÄÜÔ´²ÎÕ¹º½¿¥³ËÊ×½ì¼Ò¾Ó½¨²ÄÍŹº»á
- Z6×ðÁú¿Ê±ÄÜԴ˳Ë쿪չ¹ÜµÀÈ¼Æø×ߩʹÊÓ¦¼±´¦Öóͷ£ÑÝÁ·
- Z6×ðÁú¿Ê±ÄÜÔ´¡°¹Ø×¢È¼ÆøÇå¾²£¬ºÇ»¤ÐÒ¸£ÉúÑÄ¡± È¼ÆøÇå¾²Ðû´«Ô˶¯Â䵨ܰâùÐÂÌìµØ¹ã³¡
- Z6×ðÁú¿Ê±ÐãÓìÃÅÕ¾ÏîÄ¿ÇéÐÎÓ°Ï칫ʾ
- Z6×ðÁú¿Ê±ºÎ÷¼ÓÆøÕ¾À©½¨ÏîÄ¿ÇéÐÎÓ°Ï칫ʾ
- Z6×ðÁú¿Ê±ÄÜÔ´ÏÉÓηֹ«Ë¾¿ªÕ¹Çå¾²Ô¡°È¼ÆøÇ徲֪ʶ¡±Åàѵ
- Z6×ðÁú¿Ê±ÄÜÔ´¿Í·þ²¿¿ªÕ¹µÚ¶þ½ì»§ÄÚÈ¼ÆøÇ徲֪ʶ¾ºÈü
- Z6×ðÁú¿Ê±ÄÜÔ´ÎåÒ»È¼Æø¾ßÇå¾²Ðû´«»ðÈÈ¿ª³¡



Á¬Ã¦É¨Ò»É¨